



宝子们,今天分享的和咱们的安装工程预算息息相关呀!?
?前几天我碰到一个案例,你们知道吗?小明在做安装工程预算套定额的时候,状况百出。就拿配电柜来说吧,他算出来的单价定额一看就低!?这时候垚哥一看,原来是配电柜项目特征里有基础槽钢,可小明在套定额的时候居然把这一项给遗漏了!这还不算完,电缆清单里明明包含了防火封堵,他在套定额的时候也没算进去。就这两个失误,最后造价可就差出来了!?
[害羞R]不过别慌,垚哥费了好大的劲儿,整理出了一份详细的[偷笑R]《安装工程预算常用定额项目对照图示》笔记。这份笔记可有 400 多页呢,满满的干货!?
?这里面都有啥呢?
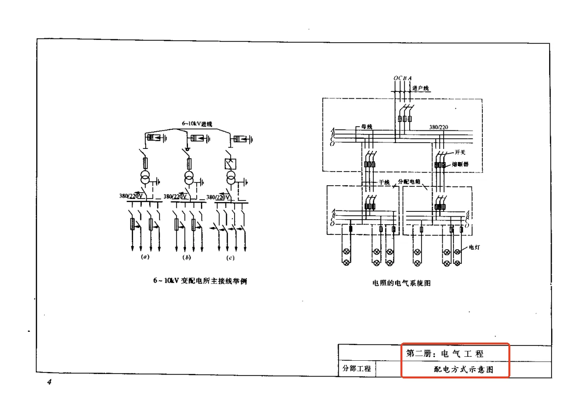
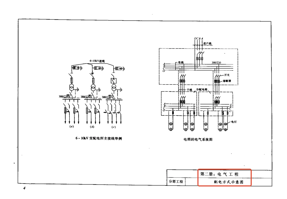
✅电气设备安装工程
✅.工业管道安装工程
✅消防及安全防范设备安装工程
✅给排水、采暖、燃气工程
✅供暖器具安装
......
以后要是你们在做安装工程预算的时候遇到类似的问题,把这份笔记拿出来,一项一项对照着查,可不能再让定额漏项这种事儿发生了,不然损失可就大啦!?
需要的↓ ↓ ↓戳戳戳jin裙聊!
#工程造价 #工程预算 #安装预算员 #造价小白 #安装预算 #工程人 #定额 #造价实操
?前几天我碰到一个案例,你们知道吗?小明在做安装工程预算套定额的时候,状况百出。就拿配电柜来说吧,他算出来的单价定额一看就低!?这时候垚哥一看,原来是配电柜项目特征里有基础槽钢,可小明在套定额的时候居然把这一项给遗漏了!这还不算完,电缆清单里明明包含了防火封堵,他在套定额的时候也没算进去。就这两个失误,最后造价可就差出来了!?
[害羞R]不过别慌,垚哥费了好大的劲儿,整理出了一份详细的[偷笑R]《安装工程预算常用定额项目对照图示》笔记。这份笔记可有 400 多页呢,满满的干货!?
?这里面都有啥呢?
✅电气设备安装工程
✅.工业管道安装工程
✅消防及安全防范设备安装工程
✅给排水、采暖、燃气工程
✅供暖器具安装
......
以后要是你们在做安装工程预算的时候遇到类似的问题,把这份笔记拿出来,一项一项对照着查,可不能再让定额漏项这种事儿发生了,不然损失可就大啦!?
需要的↓ ↓ ↓戳戳戳jin裙聊!
#工程造价 #工程预算 #安装预算员 #造价小白 #安装预算 #工程人 #定额 #造价实操


