



? 化工厂建设,有一堆资料—— 什么工艺包、物料表、PID图…这些都是产线的“生死簿”! ?
?先搞懂:产线是怎么“设计”出来的?
建产线第一步,得找设计院。
大厂设计院(比如中石化旗下的)超靠谱,小设计院就…嗯,价格能差几十倍!
不管大小,最后都会给你个“工艺包”,里面全是产线的“说明书”—— 有告诉你用啥工艺、咋反应的厚册子,还有各种图,最关键的是3样:
✅1. 物料平衡表:算明白“投多少料、出多少货” 这表就是产线的“计算器”! 比如投多少乙基锌、环丙基乙炔锂,搅拌冷却时重量多少,损耗多少,最后能出多少…全给你标得清清楚楚。
小厂可能随便写写,大厂连“每一步损耗不能超多少”都算死了。
? 为啥重要? 算不明白这个,要么多买料压钱,要么少出料亏本,产线直接变“吞金兽”!
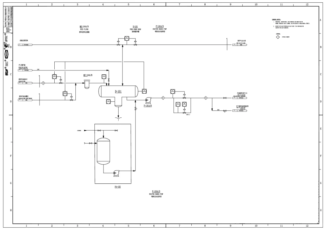
✅2. PID图:管道和设备的“地图” 这图上全是产线的“零件”:哪是反应釜,哪是管道,哪装温度计、压力表,甚至连污水处理的管子都标得明明白白。
小设计院可能就画个大概,大厂还会给你加个“仪器仪表布局图”,告诉你这些表咋装、咋连线。
? 偷偷说: 看懂这图,设备坏了能快速找到问题,比老员工还牛!
✅3. DCS系统:不用守着设备的“遥控器”有了前面两张图,就该搞“自动化”了! 这个系统能远程调温度、控流量,比如蒸汽给多给少,鼠标一点就搞定,不用人围着设备转。还能记半年的生产数据,万一某个参数崩了,它能自动让机器停下。
? 小厂可能不用这么细,大厂全靠它省人力、保安全。
化工产线就像搭积木:物料平衡表定“用多少积木”,PID图画“怎么搭”,DCS系统管“搭得稳不稳”。
这3样少一样,产线要么赚不到钱,要么容易出岔子…
#化工入门 #产线冷知识 #工厂干货
?先搞懂:产线是怎么“设计”出来的?
建产线第一步,得找设计院。
大厂设计院(比如中石化旗下的)超靠谱,小设计院就…嗯,价格能差几十倍!
不管大小,最后都会给你个“工艺包”,里面全是产线的“说明书”—— 有告诉你用啥工艺、咋反应的厚册子,还有各种图,最关键的是3样:
✅1. 物料平衡表:算明白“投多少料、出多少货” 这表就是产线的“计算器”! 比如投多少乙基锌、环丙基乙炔锂,搅拌冷却时重量多少,损耗多少,最后能出多少…全给你标得清清楚楚。
小厂可能随便写写,大厂连“每一步损耗不能超多少”都算死了。
? 为啥重要? 算不明白这个,要么多买料压钱,要么少出料亏本,产线直接变“吞金兽”!
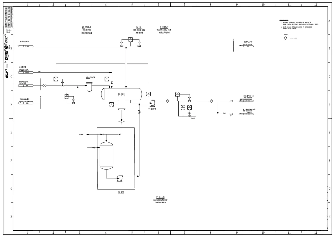
✅2. PID图:管道和设备的“地图” 这图上全是产线的“零件”:哪是反应釜,哪是管道,哪装温度计、压力表,甚至连污水处理的管子都标得明明白白。
小设计院可能就画个大概,大厂还会给你加个“仪器仪表布局图”,告诉你这些表咋装、咋连线。
? 偷偷说: 看懂这图,设备坏了能快速找到问题,比老员工还牛!
✅3. DCS系统:不用守着设备的“遥控器”有了前面两张图,就该搞“自动化”了! 这个系统能远程调温度、控流量,比如蒸汽给多给少,鼠标一点就搞定,不用人围着设备转。还能记半年的生产数据,万一某个参数崩了,它能自动让机器停下。
? 小厂可能不用这么细,大厂全靠它省人力、保安全。
化工产线就像搭积木:物料平衡表定“用多少积木”,PID图画“怎么搭”,DCS系统管“搭得稳不稳”。
这3样少一样,产线要么赚不到钱,要么容易出岔子…
#化工入门 #产线冷知识 #工厂干货


