手机版
二维码
购物车
(
0
)
供应
求购
公司
团购
展会
资讯
招商
品牌
人才
知道
专题
图库
视频
下载
商圈
推广
热搜:
采购方式
甲带
滤芯
气动隔膜泵
减速机
减速机型号
带式称重给煤机
履带
链式给煤机
无级变速机
首页
供应
求购
公司
团购
展会
资讯
招商
品牌
人才
知道
专题
图库
视频
下载
商圈
首页
>
资讯
>
电工电气
电气原理图绘制
日期:2025-11-05 02:03:05 来源:网络整理 作者:本站编辑
评论:0
电气原理图绘制
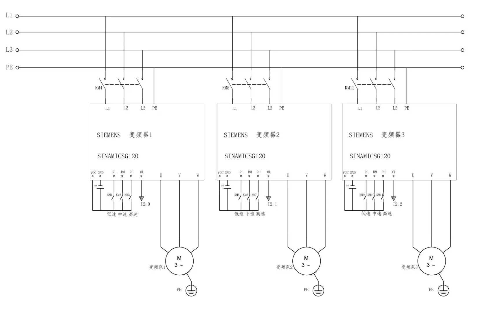
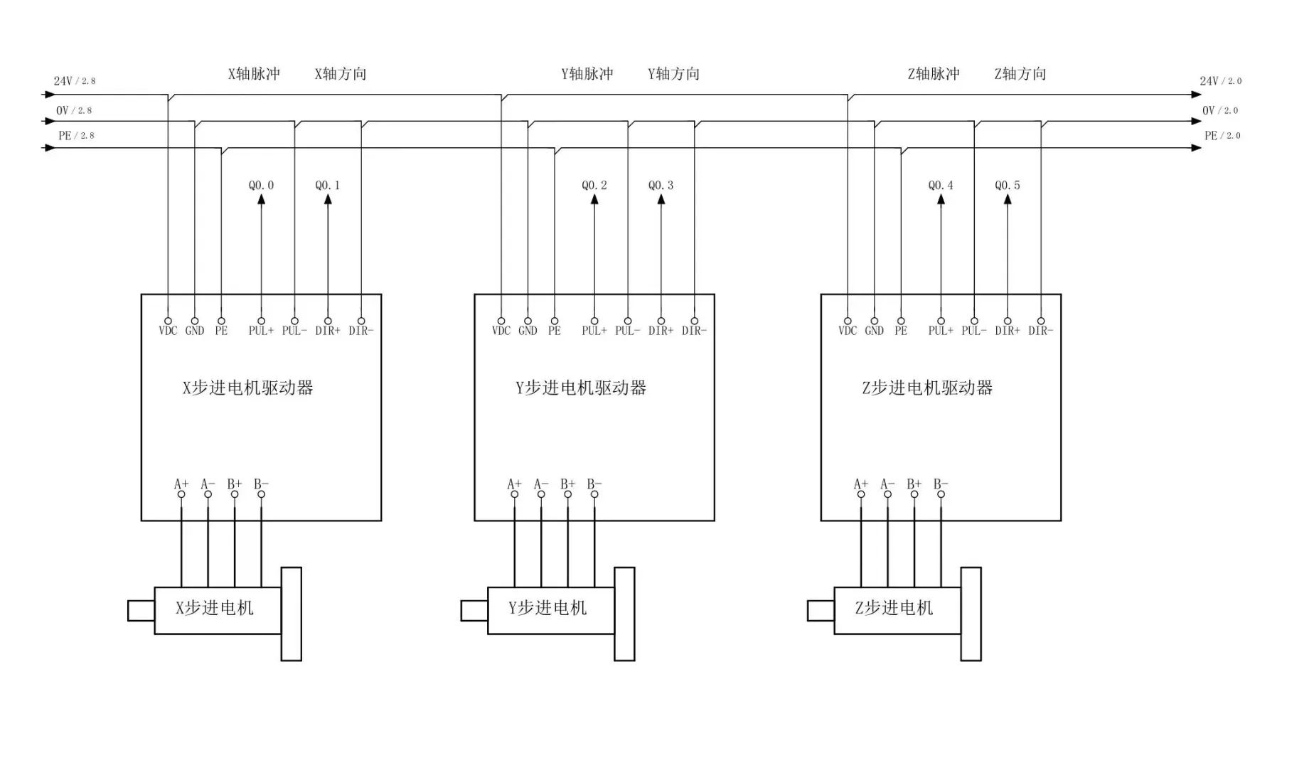
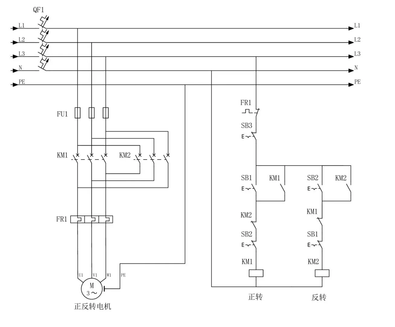
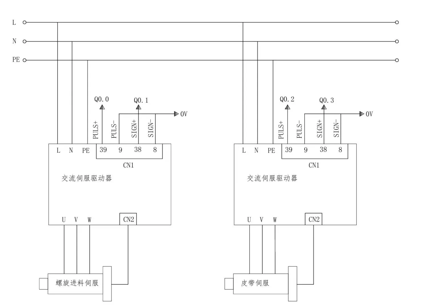
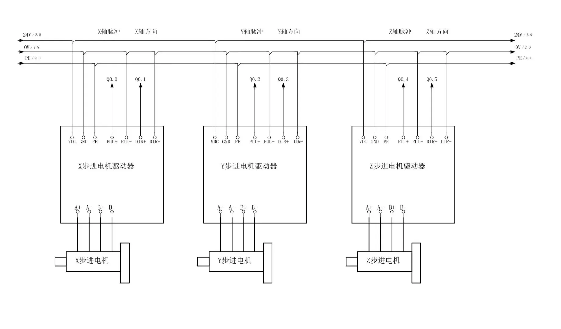
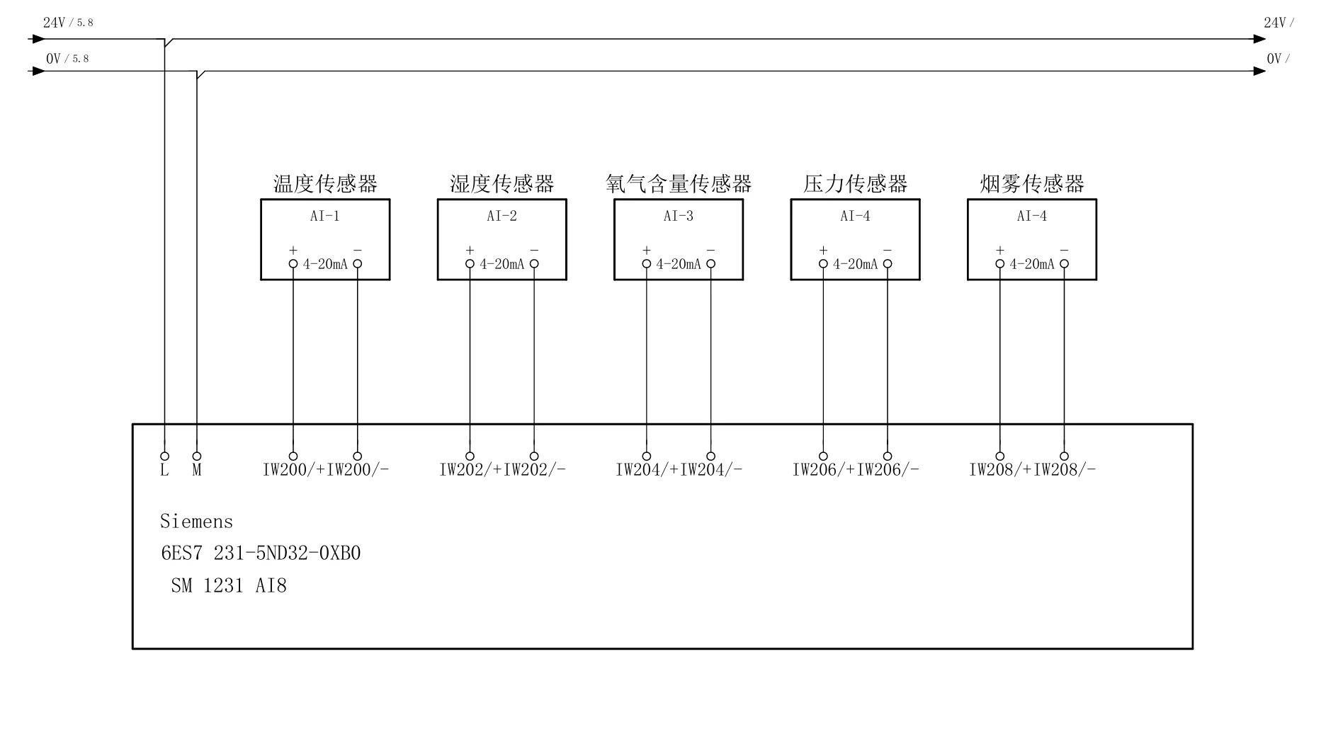
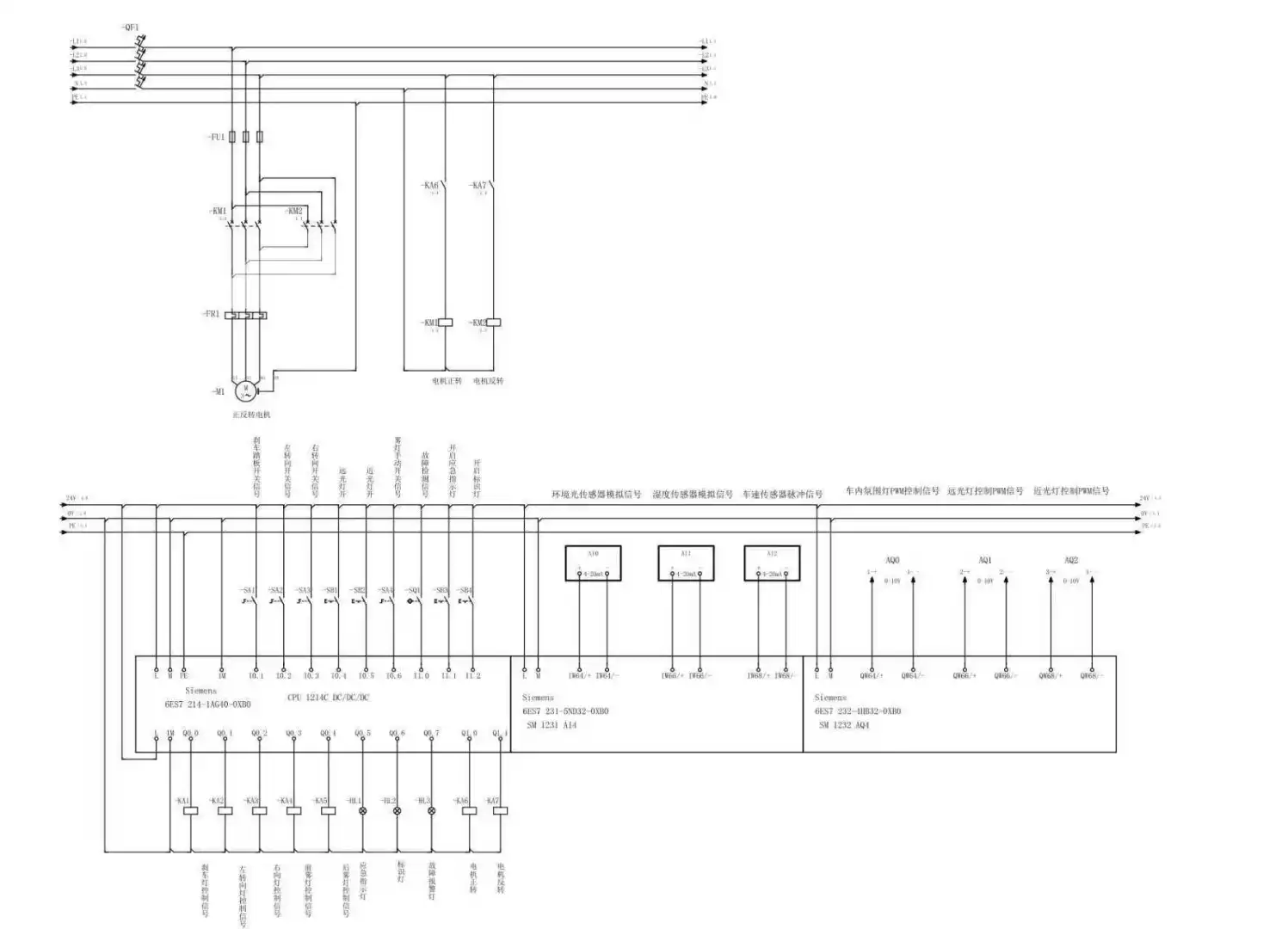
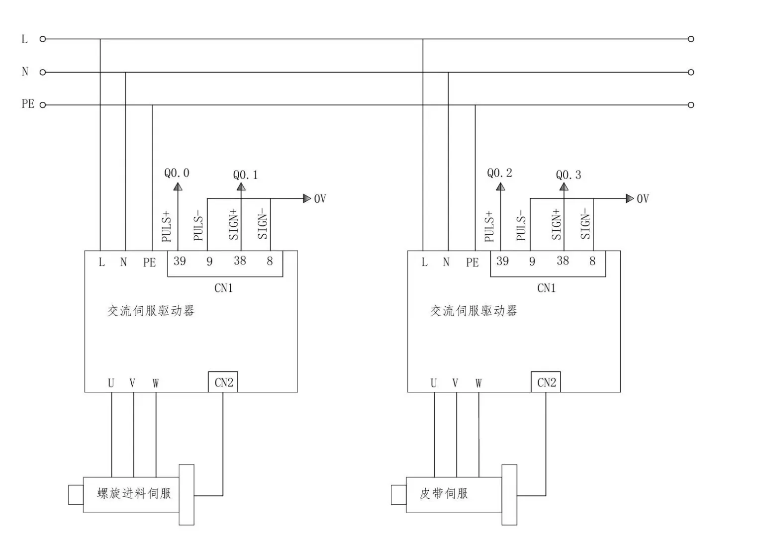
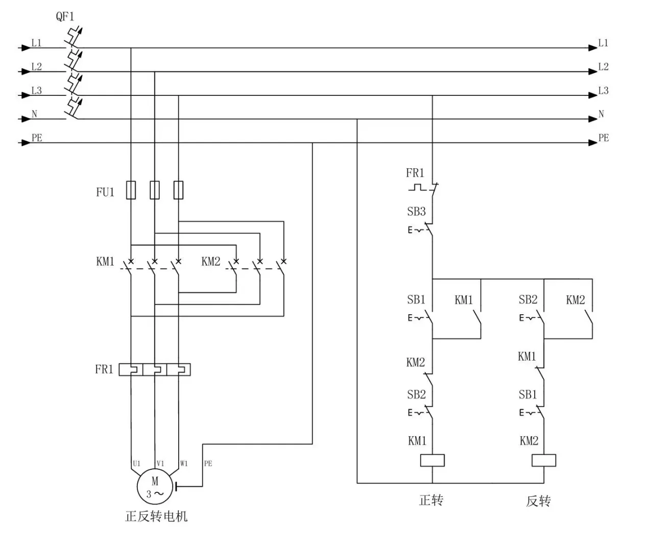
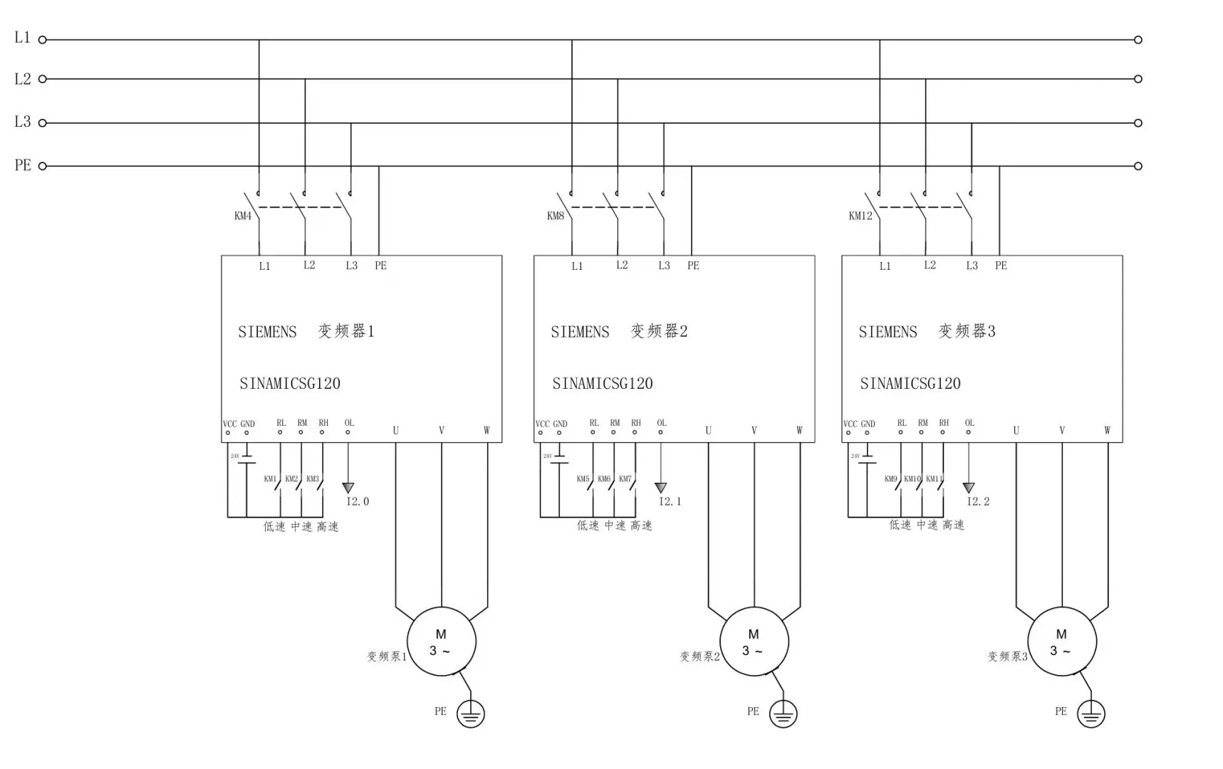
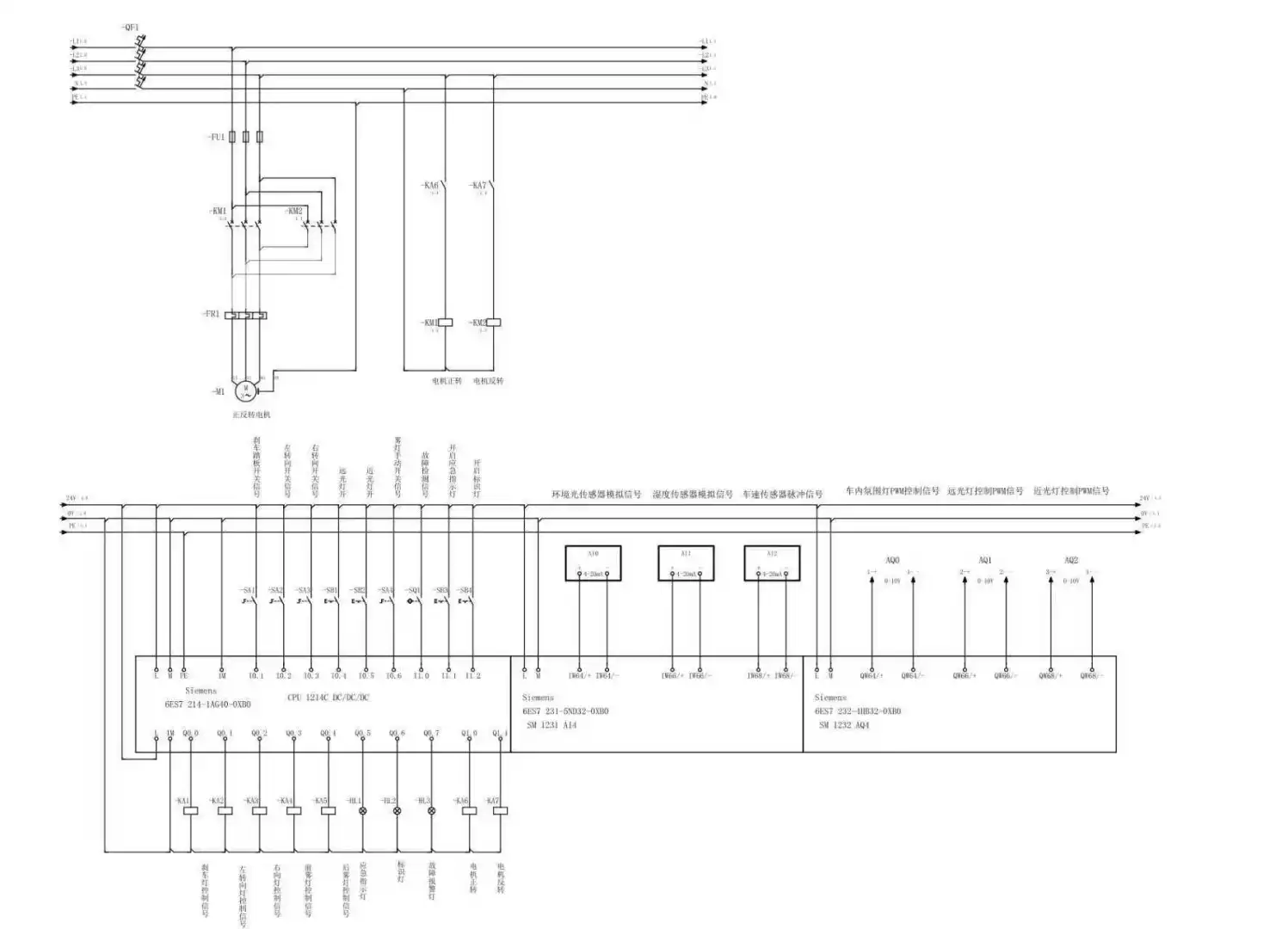
电气原理图绘制 支持CAD/ EPLAN电气原理图代画 PLC接线图,流 程图, 主电路图 ,步进电机,伺服电机, 变频器,模拟量。
可接PLC程序设计,西 门子1200/1500,三 菱 触摸屏设计西门子 TP1200,昆仑通态MCGS plc程序HMI设 计包含: io分配表 电气原理图 HMI界面 设计 有声视频讲解程序 程序组态可真接在 电脑上仿真模拟动画 提供软件博图V16 GXworks2,GXworks2MCGS MCGSpro 支 持远程指导 售后服务
#电气
#毕业设计
#毕业论文
#电气原理图
#plc
#电气工程及其自动化
#西门子
#工业设计
打赏
更多
>
同类资讯
• 汽车零部件供货商企业无偿内推
0
条
相关评论
推荐图文
推荐资讯
点击排行
0
1
稳压器
0
2
铜柱式大功率150KVA稳压器
0
3
三相电力稳压器和普通稳压器区别在哪?
0
4
1500卖30KVA稳压器 需要自己来拉
0
5
高低压智能组合式稳压器!SBW大功率稳压器
0
6
工厂大功率稳压器的作用
0
7
大功率交流稳压器的作用
0
8
大功率稳压器有必要买吗?
0
9
80kw稳压器是智商税吗?
网站首页
|
关于我们
|
联系方式
|
使用协议
|
版权隐私
|
网站地图
|
排名推广
|
广告服务
|
积分换礼
|
网站留言
|
RSS订阅
|
违规举报
|
皖ICP备20008326号-18
(c)2008-2022 免费发布网 All Rights Reserved