手机版
二维码
购物车
(
0
)
供应
求购
公司
团购
展会
资讯
招商
品牌
人才
知道
专题
图库
视频
下载
商圈
推广
热搜:
采购方式
甲带
滤芯
气动隔膜泵
减速机
减速机型号
带式称重给煤机
履带
链式给煤机
无级变速机
首页
供应
求购
公司
团购
展会
资讯
招商
品牌
人才
知道
专题
图库
视频
下载
商圈
首页
>
资讯
>
电工电气
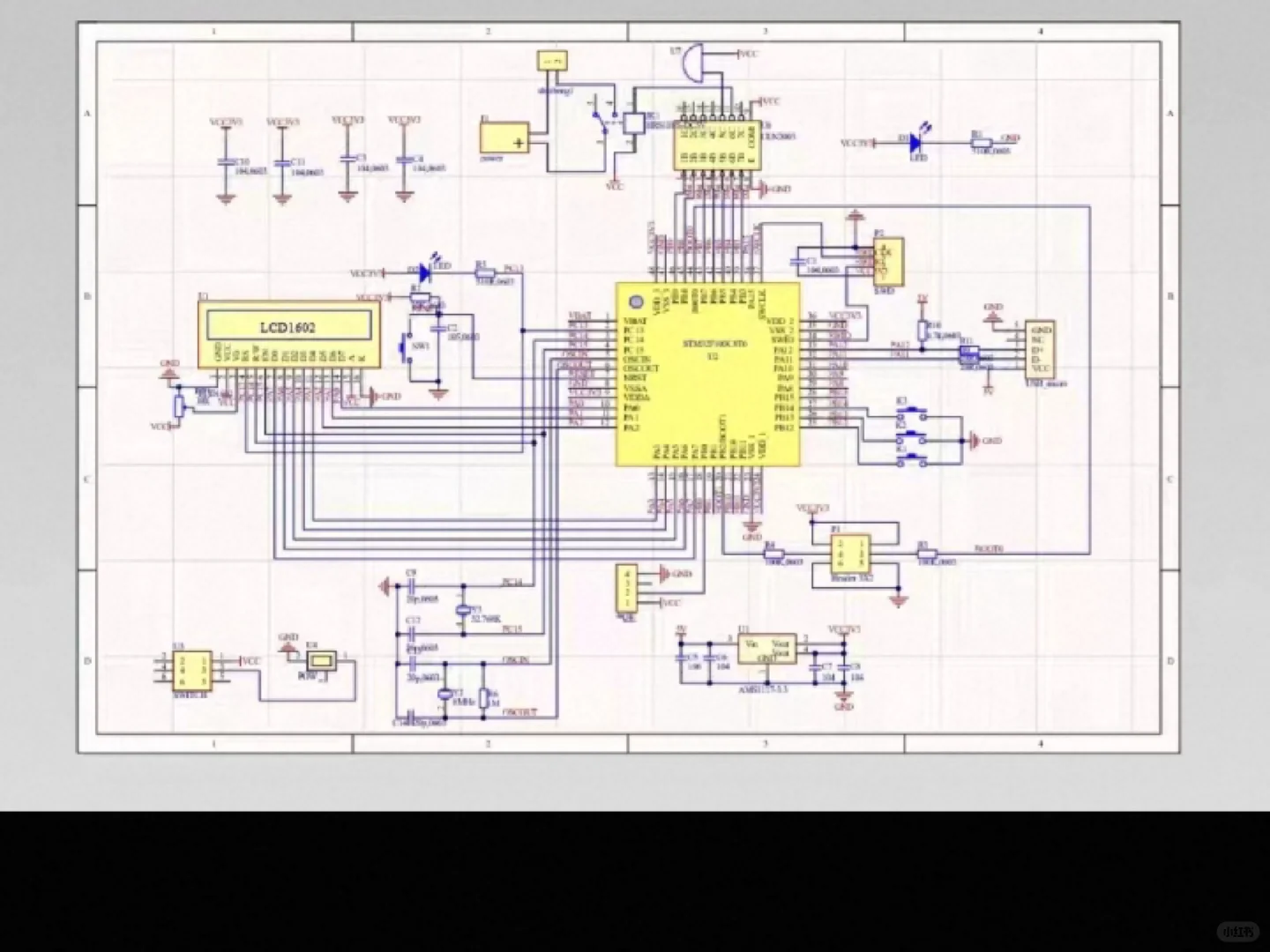
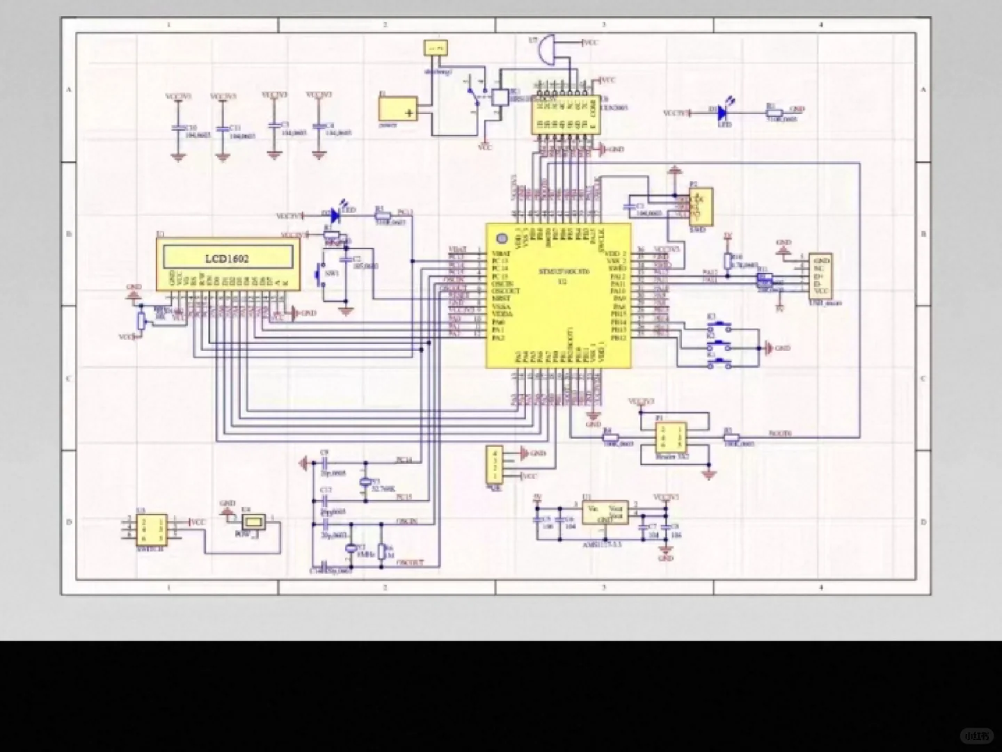
专业pcb和原理图设计服务
日期:2025-11-05 00:59:03 来源:网络整理 作者:本站编辑
评论:0
专业pcb和原理图设计服务
专业PCB和原理图设计服务 ,支持AD和嘉立创软件,双面板出图快速高效。价格实惠,出图速度快,有问题随时咨询,要求明确价格更优惠。欢迎私聊详聊,价格可议,诚信接单。
#STM32单片机
#智能硬件设计
#单片机
#自动化设计
#电气
#嵌入式
打赏
更多
>
同类资讯
• 汽车零部件供货商企业无偿内推
0
条
相关评论
推荐图文
推荐资讯
点击排行
0
1
稳压器
0
2
铜柱式大功率150KVA稳压器
0
3
三相电力稳压器和普通稳压器区别在哪?
0
4
1500卖30KVA稳压器 需要自己来拉
0
5
高低压智能组合式稳压器!SBW大功率稳压器
0
6
工厂大功率稳压器的作用
0
7
大功率交流稳压器的作用
0
8
大功率稳压器有必要买吗?
0
9
80kw稳压器是智商税吗?
网站首页
|
关于我们
|
联系方式
|
使用协议
|
版权隐私
|
网站地图
|
排名推广
|
广告服务
|
积分换礼
|
网站留言
|
RSS订阅
|
违规举报
|
皖ICP备20008326号-18
(c)2008-2022 免费发布网 All Rights Reserved