酒库是酒厂储存白酒的场所,其价值很高,尤其储存像某台、五某等高端酒的酒库,其价值更是惊人,一个酒库中存酒的价值就是几个、几十个小目标,甚至几百个小目标。由于前几年某酒厂发生过事故,老午在倒查其设计图纸中发现,该类酒库有不少的设计问题,今天一并和大家聊一聊。
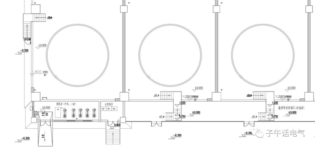
酒库一般以半敞开酒库和陶坛库居多,今天我们一起聊聊半敞开酒库的电气设计,其包含的设计内容主要有照明、应急照明、防雷接地、火警系统、可燃气体探测系统、动力系统等。半敞开酒库有的纯粹库房,有的也有附属用房,如酒泵房,控制室等,今天主要聊一聊后者,以某酒厂的半敞开酒库为例,见下图(图幅较大,截取了其中一部分)。

有个明显的特征,酒库的建筑面积不受建规建筑面积不大于750平方米的限制,按《酒规》执行,上图的酒库面积近3000平方米,与普通的酒库不同的是,其南侧有附属的酒泵房和分控制室。酒库火灾危险类别为甲类,其爆炸危险介质为乙醇,介质相对单一,如设计单位没有专业的工艺工程师(实际应由工艺设计师提资电气专业),那么爆炸危险级别Ex d IIA T2在GB 50054里也是可查询获取的,以下分系统进行说明。
1、照明系统,
由于酒罐较高,上图中的酒罐就有15米多,而上部一般没有照明需求,可以选择壁装式防爆灯具,规模较小的酒库可以采用集中控制,上图中,建议一个分隔设置1~2个防爆照明开关即可,管线采用低压流体输送用热镀锌钢管明装,这点非常重要,不要采用暗装,这是很多设计师容易犯的毛病。
2、防雷接地系统
按二类建筑物进行防雷设计,各防火分区进出口设置静电扶手,工作人员进入罐区时,可将身上的静电导除,另酒泵房内的电机以及酒库范围内的所有金属设备管道均需要进行可靠接地。
3、应急照明系统
半敞开酒库可以不设置应急照明,但控制室要设置备用照明和疏散照明及应急疏散指示,那么,这里的灯具是否需要防爆呢?不着急,后面会说到。
3、火警系统
按GB50016设计,需要注意的是,火灾报警按钮不带电话插孔,探测器根据乙醇燃烧的特性,一种是选择火焰探测器,其覆盖的范围主要是进酒口和出酒口;另一种选择感温线缆式探测器,安装在罐壁上,这种造价较高,带有独立的控制器;
4、可燃气体探测系统
一般来说,很多轻工类设计企业可能没有配置仪表专业,那么这块的工作也是需要电气专业来完成,其探测点位和火警相仿,也是进酒口和出酒口,需要注意的是,由于安监部门的要求,可燃探测系统需采用三线制,不可使用二总线,即点对点系统,所以,线路相对较多,另虽然探测器本身带有声光报警装置,但各防火分区应配置一个独立的声光报警器,由GDS联动触发。
5、动力系统
这里的动力,主要分三块,一块是就酒泵房的事故风机动力系统,其负荷等级一般按照二级负荷设计,关于事故风机系统的设计老午在前面用了4篇文章进行了详细解说,在次不在赘述,有兴趣的朋友可以翻看前面的文章;另一块就是酒泵的动力系统,其控制系统一般由厂家成套提供,这也是分控制室存在的原因,其柜体放置分控制室内。还有一块就是由分控室延伸出来的一个系统:正压送风系统,由于成套控制柜一般不具备防爆功能,这时候就需要分控室处在非爆炸危险环境,但实际的布局很难将控制室划分到爆炸危险区域外,所以,电气专业需要提资通风专业,需要对该环境进行正压送风,对外形成正压,需要注意的时,这里的正压风机负荷不属于消防负荷,和防烟楼梯间的正压送风不同,可以与事故风机共用配电系统,以简化配电。再返回到上面提到备用照明,由于正压的形成,该区域内的照明灯具、设备,按一般环境选取即可,无需防爆。
其实,这里还有个设计内容的缺失,就是爆炸危险区域的划分,老午审阅过的很多轻工设计单位并未提供该图纸,这也就导致了一个很容易忽略的问题,正压送风系统设计的错误,送风就需要进风口,由于电气专业没有提供爆炸危险区域划分图,也未和通风专业充分沟通,导致很多的进风口设置在爆炸危险区域内,正压送风系统将可能带有爆炸性气体的空气送入控制室内,存在很大的安全隐患,这是绝对不允许的。
任何一个建筑的设计,不仅仅是一个专业的事情,很多细节的设计,需要多个专业进行沟通协调,对于分控制的设置,老午一直有个疑问,如工艺提资完善,成套控制柜完全设置就近的配电室内,现场仅设置控制按钮即可,这个分控制室并非一定需要设置,从而优化电气设计,同时也不再需要正压送风系统,减少了因为设计错误带来的安全隐患。
以上论述,如有疏忽或错误之处,敬请指正,欢迎入群一起交流。
关注公众号:子午话电气。请加老午微信:doublexr15, 入群一起交流学习电气设计的那些事,实操和理论结合,我们不空谈理论。


