











接着去年的专栏写,电线有的人可能认为是主材,但是我自己理解的是能直接用的才算主材,所以我把它归辅材里了。
照片是我去年装修用的电线,翻了半天就翻出来这一张。
估计大家已经看过不少科普视频,知道家装用bv线就行了不要用bvr,bv是硬线单股内芯,bvr是软线多股内芯,bvr要比bv价格贵。
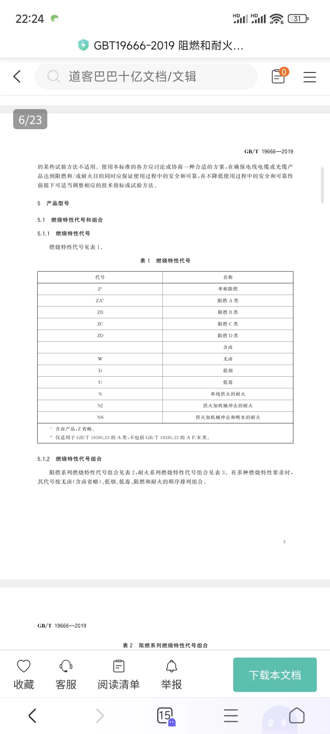
一般装修公司用的bv线型号除了图片这种60227iec01bv,还有zc-bv,这两种电线执行标准都有GBT5023.3-2008,zc-bv还有执行标准GBT19666-2019,有的博主科普写的GBT19666-2005,这个已经过时作废了,现在是2019版本。z代表阻燃,zc是阻燃等级,算是阻燃等级比较低的。我截取了部分标准内容,感兴趣的可以去道客巴巴看。其实我觉得只要是bv线,符合国家标准就行,装修公司不会给你用太高等级的。60227iec01bv虽然不是阻燃的,但是在标准里有测它的不延燃实验,实在不放心,可以拿打火机点一下,看看它是否会一直燃烧。
看装修公司提供的电线,一个是检查是否符合国家标准,GB开头,不要企业或者行业标准,有没有3C认证,生产日期是否是最新的,不要超过两年的绝缘皮可能老化,一卷的米数应该是100米,最好不要那种写95的,电线上是否印有品牌生产厂家型号等,再有一个可以称一称重量,一卷2.5方的不要低于3公斤。品牌的话我觉得常规品牌都可以,有的地方有自己生产的电线工厂,只要符合标准也都可以,一般电线上面也会有保险公司承保,像我图片这个有人保的一个标志,也算是一种保障。
上面写的这些是最低标准,如果自己买电线不在乎那点差价,当然可以选择更好的,无卤低烟,阻燃等级可以选za,甚至可以选更好的耐火等级。一卷的差价可能几十块钱吧,具体可以在网上看看价格。
网上一般说的是空调用6平方,厨房卫生间用4平方,其他插座开关2.5平方,现在应该没有用1.5的。厨房因为现在多了好多电器,什么洗碗机,烤箱,蒸箱,微波炉,电磁炉等等,所以我觉得厨房还是得用6平方。卫生间如果只是一般的热水器和浴霸用4平方也行,不过现在有一种即热式电热水器,那个功率非常大,大概8千多瓦,如果想用这个一定提前跟装修公司或者电工师傅沟通好,这个不光卫生间的电线要用大平方,总路的电线也要换。
我家应该就两种规格,插座开关2.5,厨房卫生间6,空调开发商用的就是6所以我没换。#家装水电 #隐蔽工程是关键 #水电改造 #装修 #装修材料 #装修日常 #装修避雷 #装修踩坑 #电线 #装修小白
照片是我去年装修用的电线,翻了半天就翻出来这一张。
估计大家已经看过不少科普视频,知道家装用bv线就行了不要用bvr,bv是硬线单股内芯,bvr是软线多股内芯,bvr要比bv价格贵。
一般装修公司用的bv线型号除了图片这种60227iec01bv,还有zc-bv,这两种电线执行标准都有GBT5023.3-2008,zc-bv还有执行标准GBT19666-2019,有的博主科普写的GBT19666-2005,这个已经过时作废了,现在是2019版本。z代表阻燃,zc是阻燃等级,算是阻燃等级比较低的。我截取了部分标准内容,感兴趣的可以去道客巴巴看。其实我觉得只要是bv线,符合国家标准就行,装修公司不会给你用太高等级的。60227iec01bv虽然不是阻燃的,但是在标准里有测它的不延燃实验,实在不放心,可以拿打火机点一下,看看它是否会一直燃烧。
看装修公司提供的电线,一个是检查是否符合国家标准,GB开头,不要企业或者行业标准,有没有3C认证,生产日期是否是最新的,不要超过两年的绝缘皮可能老化,一卷的米数应该是100米,最好不要那种写95的,电线上是否印有品牌生产厂家型号等,再有一个可以称一称重量,一卷2.5方的不要低于3公斤。品牌的话我觉得常规品牌都可以,有的地方有自己生产的电线工厂,只要符合标准也都可以,一般电线上面也会有保险公司承保,像我图片这个有人保的一个标志,也算是一种保障。
上面写的这些是最低标准,如果自己买电线不在乎那点差价,当然可以选择更好的,无卤低烟,阻燃等级可以选za,甚至可以选更好的耐火等级。一卷的差价可能几十块钱吧,具体可以在网上看看价格。
网上一般说的是空调用6平方,厨房卫生间用4平方,其他插座开关2.5平方,现在应该没有用1.5的。厨房因为现在多了好多电器,什么洗碗机,烤箱,蒸箱,微波炉,电磁炉等等,所以我觉得厨房还是得用6平方。卫生间如果只是一般的热水器和浴霸用4平方也行,不过现在有一种即热式电热水器,那个功率非常大,大概8千多瓦,如果想用这个一定提前跟装修公司或者电工师傅沟通好,这个不光卫生间的电线要用大平方,总路的电线也要换。
我家应该就两种规格,插座开关2.5,厨房卫生间6,空调开发商用的就是6所以我没换。#家装水电 #隐蔽工程是关键 #水电改造 #装修 #装修材料 #装修日常 #装修避雷 #装修踩坑 #电线 #装修小白


