

石材CAD拆图下单测量在线课程,扫描二维码进入

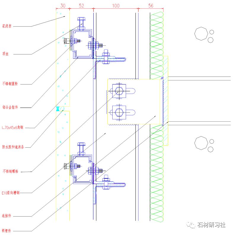
1、此结构属石材干挂技术第三代产品,是目前世界上较先进技术。是国内石材幕墙技术发展的方向。
2、该结构可实现石材的无内应力加工组合。
3、石材背面采用不锈钢胀栓连接,连接强度高,节省强度值约30%左右。
4、装配结构采用挂式,并可实现三维方向调整,板块抗变位能力强,满足了抗震性能要求。
5、维修性能好,可随时更换破损石材板块。
6、因进口专用设备加工,加工精度非常高,石材板块安装后,不需过多调整,即可实现非常高的板面平整度,外视效果优美,线条平直流畅。
7、可设置排水通道,使冷凝水及时排出,保证幕墙内侧合理的湿度。
8、因板面承受荷载性能优良,更加适用于气候条件恶劣,荷载较大的高层建筑。
9、因安全性能及结构长久性优良,故能够满足整个外墙装饰的使用年限及整个建筑的使用年限要求。
一、施工安装准备
工程交底:由项目经理、工程主管设计员根据施工组织设计、设计图纸的内容和要求对安装队进行工程交底,明确工程的要求并按要求进行施工安装。
技术培训:组织安装队有关人员进行安全、技术培训,熟悉图纸,掌握工 程施工的工作内容,并与安装队签定安全等合同;做好安全、技术交底记录。
材料准备:本工程主材、铝型材、玻璃、石材、铝板、硅
二、预埋件处理
本工程埋件采用卡钒式埋件,对幕墙所有预埋件进行检测复核,埋件的安装标准:按设计要求埋设,埋件应牢固,位置正确。埋板与主体结合面紧密接触,不允许悬空连接。
1、埋件的安装位置是否符合设计要求:检验标准:埋件的前后,左右偏差不应大于20mm。
2、埋件的表面平整度是否影响支座的安装?检验标准:埋件的标高偏差不应大于10mm。
3、对埋件进行拉力、剪力、弯距的测试,对不符合测试标准的预埋件必须按有关规定采用其它可靠的连接措施。对于后补埋件处理(检验标准同上)
4、后补埋件安装应采用可靠方法处理,后补埋件与原预埋件距离较小时,可采用与原预埋件搭焊,再用膨胀螺栓固定的方式,与原预埋件距离较远处,则用5石材幕墙安装
为了确保花岗岩墙面施工质量,使其达到设计要求,体现整体工程庄重、美观的效果,从原材料采购、设计施工等,均要进行认真把关和实施
材料选择:从荒料开始就进行选择色泽一致的原料,才能保证花岗岩板材基本上无色差现象。花岗岩的物理技术指标及加式的几何尺寸精度符合部颁标准T205-83的要求。根据设计要求,花岗岩板材,用在外墙面上厚度为30毫米花岗岩。
板面尺寸确定:根据石材强度、施工操作和搬运的要求,板材最大尺寸不宜过大,其它根据建筑尺寸等分定尺寸。绘制板材排列翻样图,由于外形尺寸变化多,板材所需规格多,为了便于加工,施工需要,所有要挂的花岗石板材均进行排板翻样图绘制,每块板材均编号,注明尺寸大小,绘制平面图,排列图及详图。
三、安装钢龙骨
1、首先将转接板准确用螺栓固定在埋件上,然后,可以安装竖向龙骨,安装时将已加工、已钻孔的钢立柱用螺栓与连接件相连,然后再通过螺栓与转接板相连,根据控制线对立柱进行复核,调整立柱的垂直,平整度。在焊缝处做防锈处理。
2、在钢立柱上安装定位连接钢角码,用螺栓连接,然后将横向角钢与角码相连。
3、横梁是分段用螺栓固定在钢角码上,同一层横梁安装由下向上进行,当安装完一层时,应进行检查、调整、校正以保证达到质量标准。
4、用螺栓连接,将铝合金背栓横框与角钢横框相连。
四、挂板安装石材研习社(IDstone5A)
1、首先应进行定位划线,确定石材板块在外平面的水平、垂直位置。并在框格平面外设控制点,拉控制线控制安装的平面度和各组件的位置;依据图纸分格尺寸大小选定石材板块规格,按序号安装石材板块。
2、平稳将石材抬起,将背栓扣件对准已固定的背栓挂件槽内,放入石材板块,板块将自行定位,调整微调螺钉校正石材板块的平整度,使板块相互位置之间在同一平面内。
3、用靠尺检查并调整石材的垂直、水平、进出位置,使其符合立面控制控制线。
嵌缝注胶:花岗岩板块装配组板安装固定完成一定的组装单元后,即可进行填缝注胶工序,此时应先将填缝部位用规定溶剂净化处理,后塞入泡沫棒,再将胶缝两侧石材贴上皱纹纸,然后用设计规定牌号的耐侯胶注胶填缝,注胶时注意将胶缝压紧、抹平。填胶完毕,撕去皱纹纸,将石材表面擦干净。




