手机版
二维码
购物车
(
0
)
供应
求购
公司
团购
展会
资讯
招商
品牌
人才
知道
专题
图库
视频
下载
商圈
推广
热搜:
采购方式
甲带
滤芯
气动隔膜泵
减速机
带式称重给煤机
减速机型号
履带
链式给煤机
无级变速机
首页
供应
求购
公司
团购
展会
资讯
招商
品牌
人才
知道
专题
图库
视频
下载
商圈
首页
>
资讯
>
冶金矿产
冶金车间环境监测控制系统设计
日期:2025-11-03 09:56:56 来源:网络整理 作者:本站编辑
评论:0
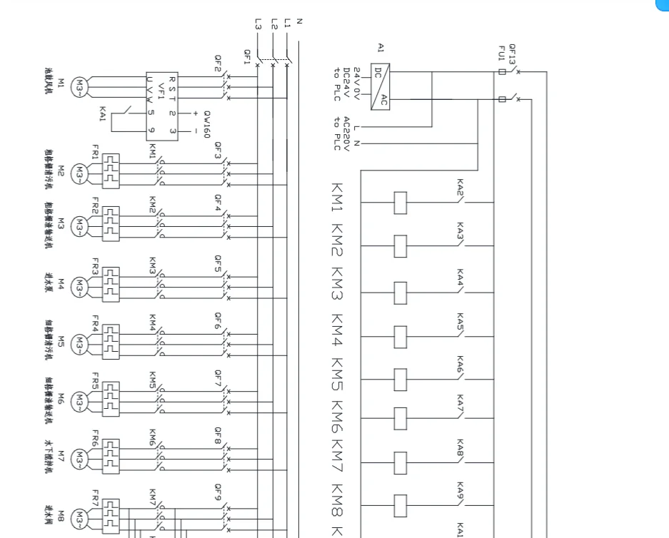
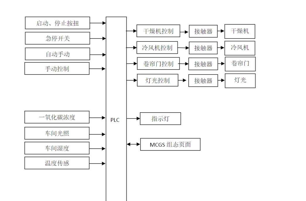
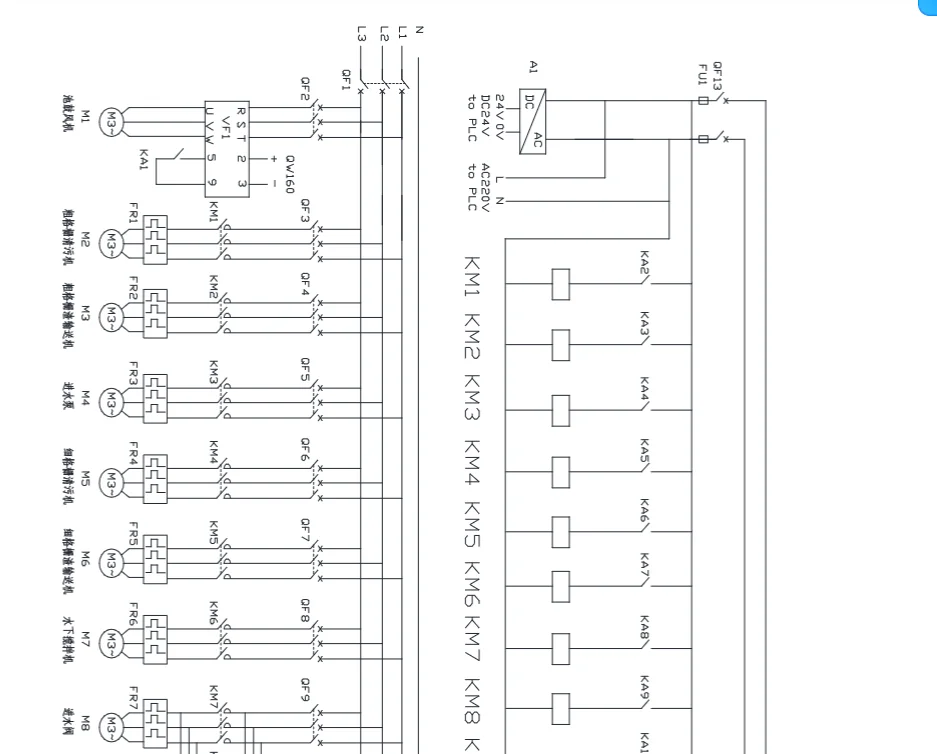
冶金车间环境监测控制系统设计
今年完成第一个论文指导。半个月的时完成设计画图编程调试
#自动化
#自动化设计
#电气工程
#计算机毕业设计
打赏
更多
>
同类资讯
• 【进口知识】铬铁规范申报指南
0
条
相关评论
推荐图文
推荐资讯
点击排行
0
1
宁波港再生铝开柜查验
0
2
选窗的时候怎么分辨原生铝和再生铝!
0
3
废铝竟成了中美博弈的新战场?纳入国家安全
0
4
再生铝进口清关一篇看懂 老板都说好用
0
5
宁波港再生铝进口清关
0
6
ADC12再生铝块现货 有需要联系
0
7
?门窗避坑指南(一)铝材篇|3 招看型材
0
8
铝厂里的达利园效应
0
9
再生铝进口:机遇与清关挑战讲解!
网站首页
|
关于我们
|
联系方式
|
使用协议
|
版权隐私
|
网站地图
|
排名推广
|
广告服务
|
积分换礼
|
网站留言
|
RSS订阅
|
违规举报
|
皖ICP备20008326号-18
(c)2008-2022 免费发布网 All Rights Reserved