手机版
二维码
购物车
(
0
)
供应
求购
公司
团购
展会
资讯
招商
品牌
人才
知道
专题
图库
视频
下载
商圈
推广
热搜:
采购方式
甲带
滤芯
气动隔膜泵
减速机
减速机型号
带式称重给煤机
履带
链式给煤机
无级变速机
首页
供应
求购
公司
团购
展会
资讯
招商
品牌
人才
知道
专题
图库
视频
下载
商圈
首页
>
资讯
>
电工电气
“531”新政背景下新能源资产如何实现增值
日期:2025-11-03 00:09:00 来源:网络整理 作者:本站编辑
评论:0
“531”新政背景下新能源资产如何实现增值
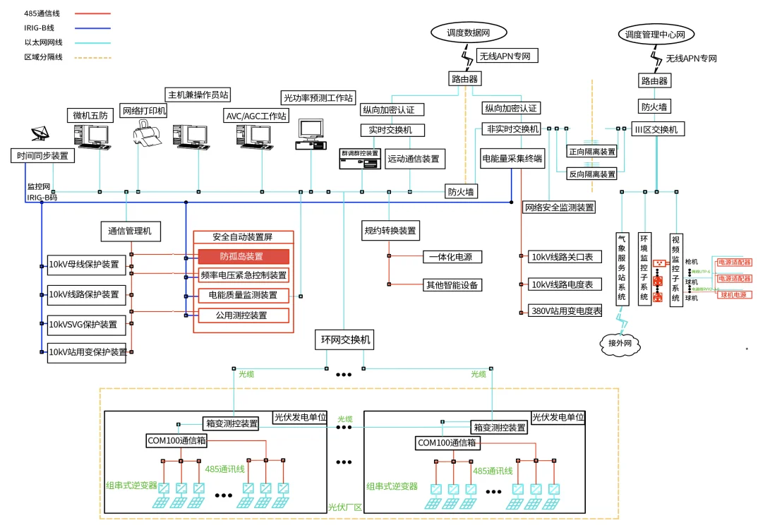
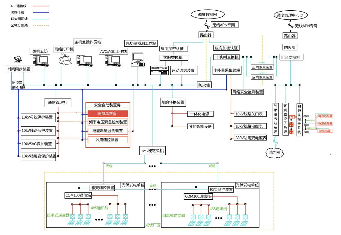
对于未能赶上政策窗口的项目,新政虽提高了自发自用比例要求,但通过科学管理和技术创新,依然可以挖掘新的收益空间。安科瑞的Acrel-1000DP分布式光伏解决方案和AcrelEMS 3.0智慧能源管理平台,为投资者提供了关键支持。
AcrelEMS 3.0平台通过实时监控、智能预测和优化调度,帮助用户提升自发自用比例,实现峰谷套利、降低需量电费,甚至参与虚拟电厂需求响应。此外,平台还整合了碳资产管理和智能运维功能,进一步提升了微电网的经济性和安全性。这种“源网荷储充一体化”模式,不仅符合新政要求,还为投资者开辟了多元化的收益渠道。
#安科瑞
#新能源
打赏
更多
>
同类资讯
• 汽车零部件供货商企业无偿内推
0
条
相关评论
推荐图文
推荐资讯
点击排行
0
1
稳压器
0
2
铜柱式大功率150KVA稳压器
0
3
三相电力稳压器和普通稳压器区别在哪?
0
4
1500卖30KVA稳压器 需要自己来拉
0
5
高低压智能组合式稳压器!SBW大功率稳压器
0
6
工厂大功率稳压器的作用
0
7
大功率交流稳压器的作用
0
8
大功率稳压器有必要买吗?
0
9
80kw稳压器是智商税吗?
网站首页
|
关于我们
|
联系方式
|
使用协议
|
版权隐私
|
网站地图
|
排名推广
|
广告服务
|
积分换礼
|
网站留言
|
RSS订阅
|
违规举报
|
皖ICP备20008326号-18
(c)2008-2022 免费发布网 All Rights Reserved