手机版
二维码
购物车
(
0
)
供应
求购
公司
团购
展会
资讯
招商
品牌
人才
知道
专题
图库
视频
下载
商圈
推广
热搜:
采购方式
甲带
滤芯
气动隔膜泵
带式称重给煤机
减速机型号
减速机
链式给煤机
履带
无级变速机
首页
供应
求购
公司
团购
展会
资讯
招商
品牌
人才
知道
专题
图库
视频
下载
商圈
首页
>
资讯
>
仪器仪表
接pcb单片机等服务
日期:2025-11-02 13:39:03 来源:网络整理 作者:本站编辑
评论:0
接pcb单片机等服务
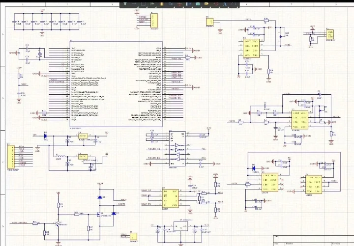
接 原理图设计,PCB代画,原理图代画,项目设计,功能设计,立创EDA,AD(Altium designer),硬件设计,原理图讲解等所有硬件相关的服务。欢迎咨询
#STM32单片机
#单片机
#智能硬件设计
#嵌入式开发
#电路
#自动化
#电气工程
#嵌入式
#电气
#芯片
打赏
更多
>
同类资讯
• 效果器电源就别乱买了,0底噪接
0
条
相关评论
推荐图文
推荐资讯
点击排行
网站首页
|
关于我们
|
联系方式
|
使用协议
|
版权隐私
|
网站地图
|
排名推广
|
广告服务
|
积分换礼
|
网站留言
|
RSS订阅
|
违规举报
|
皖ICP备20008326号-18
(c)2008-2022 免费发布网 All Rights Reserved