













? 施工图纸是建设和施工的基础,拿到一份施工图,首先要能够看得懂图,包括上面各种图例和符号等。给排水施工图中会用到各种标准化的图例符号,来表示不同的设备、管道及配件等信息。
然而,对于造价新人来说,看懂这些复杂的符号往往令人头疼。
这里给大家整理了 ?给排水施工常用图例,希望对大家能有所帮助。
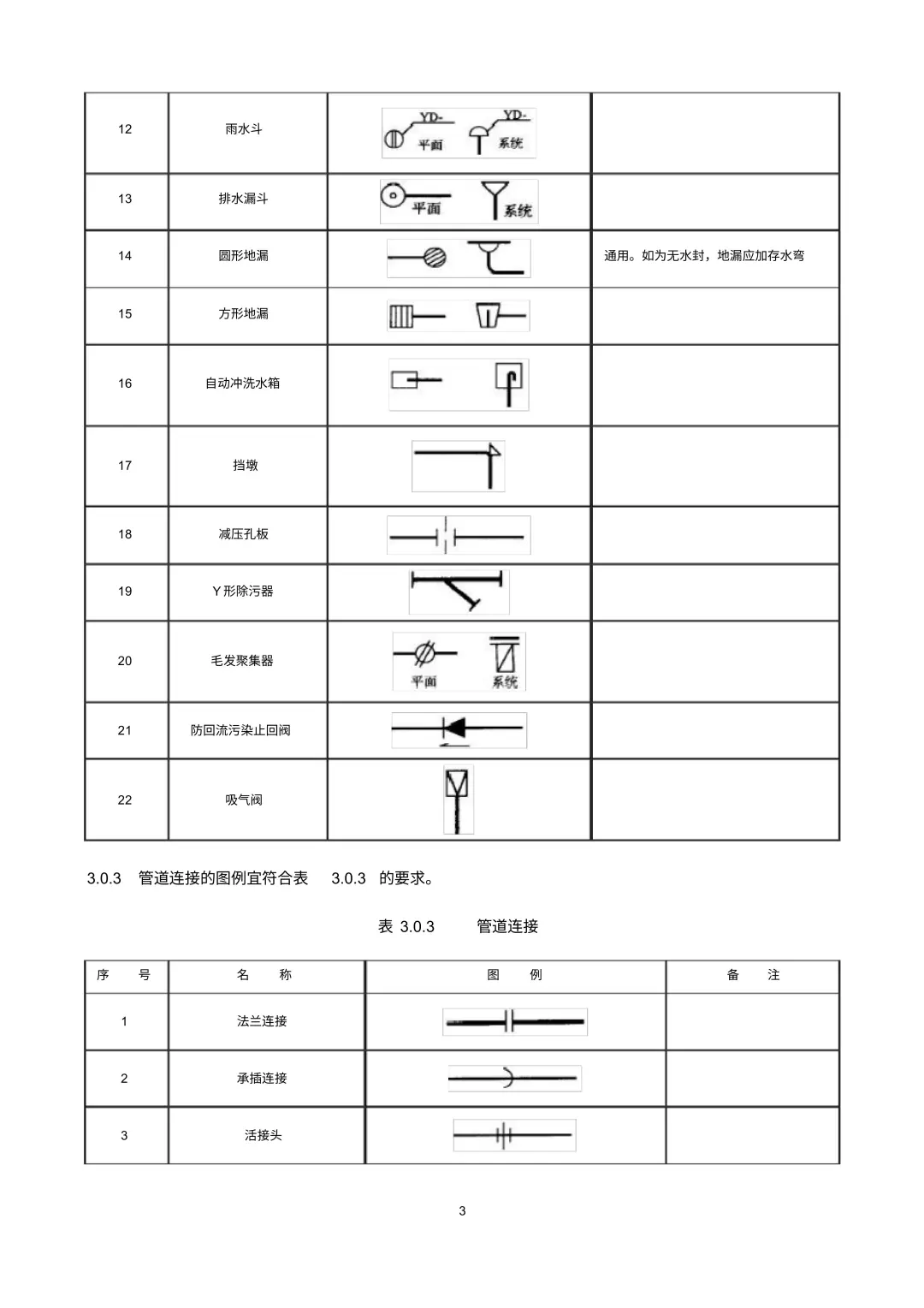
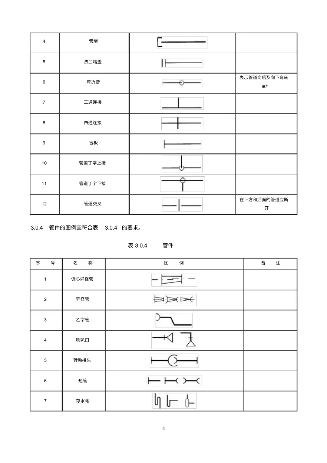
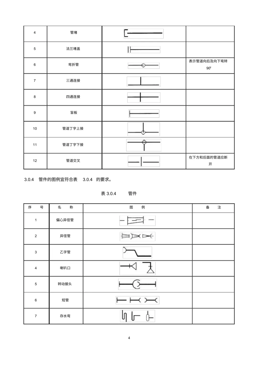
? 常见给排水图例符号分类
管道标识:不同类型的管道如给水、排水、雨水管等都有特定的线条样式或标记方式。
阀门与配件:包括闸阀、止回阀、弯头、三通等在内的各类阀门和管道连接件,在图纸中以简化图形表示。
卫生器具:马桶、洗手盆、淋浴器等卫生设施也有其独特的图例符号。
泵与处理装置:水泵、过滤器、软化水设备等机械组件同样有专门的图示方法。
? 给排水工程图形符号及含义
给水管道:J,如果分高低区通常用首字母表示即高区G,低区D。
排水管道:W,表示污水。也有F,就是废水。
消火栓管道:XH
自动喷淋管道:Z或者ZP
雨水管道:Y
采暖管道:R,一般实线表示供水管,虚线表示回水管。
压力排水:PY
冷凝水管道:N
管道立管:L
?️ 设备型号字母
Q:流量或者风量
H:扬程
N:功率
P:压力
QW:潜污泵
JL:给水管
WL:污水管
YL:雨水管
RJL:热给水
RHL:热回水
#给排水工程 #给排水 #给排水施工 #施工图 #施工图符号 #造价 #工程造价 #造价干货
然而,对于造价新人来说,看懂这些复杂的符号往往令人头疼。
这里给大家整理了 ?给排水施工常用图例,希望对大家能有所帮助。
? 常见给排水图例符号分类
管道标识:不同类型的管道如给水、排水、雨水管等都有特定的线条样式或标记方式。
阀门与配件:包括闸阀、止回阀、弯头、三通等在内的各类阀门和管道连接件,在图纸中以简化图形表示。
卫生器具:马桶、洗手盆、淋浴器等卫生设施也有其独特的图例符号。
泵与处理装置:水泵、过滤器、软化水设备等机械组件同样有专门的图示方法。
? 给排水工程图形符号及含义
给水管道:J,如果分高低区通常用首字母表示即高区G,低区D。
排水管道:W,表示污水。也有F,就是废水。
消火栓管道:XH
自动喷淋管道:Z或者ZP
雨水管道:Y
采暖管道:R,一般实线表示供水管,虚线表示回水管。
压力排水:PY
冷凝水管道:N
管道立管:L
?️ 设备型号字母
Q:流量或者风量
H:扬程
N:功率
P:压力
QW:潜污泵
JL:给水管
WL:污水管
YL:雨水管
RJL:热给水
RHL:热回水
#给排水工程 #给排水 #给排水施工 #施工图 #施工图符号 #造价 #工程造价 #造价干货


