手机版
二维码
购物车
(
0
)
供应
求购
公司
团购
展会
资讯
招商
品牌
人才
知道
专题
图库
视频
下载
商圈
推广
热搜:
采购方式
甲带
滤芯
气动隔膜泵
减速机
减速机型号
带式称重给煤机
履带
无级变速机
链式给煤机
首页
供应
求购
公司
团购
展会
资讯
招商
品牌
人才
知道
专题
图库
视频
下载
商圈
首页
>
资讯
>
家居用品
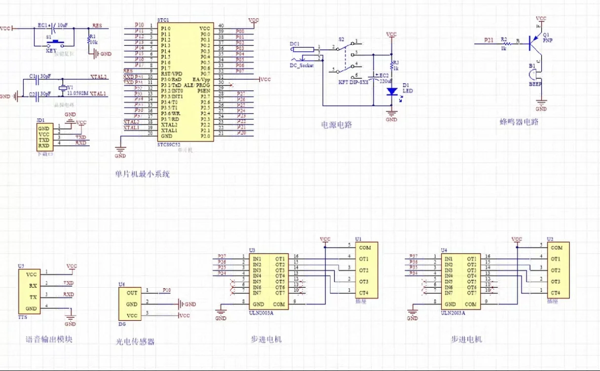
基于单片机的地铁到站检测系统设计
日期:2025-10-31 16:39:17 来源:网络整理 作者:本站编辑
评论:0
基于单片机的地铁到站检测系统设计
硬件构成:STC89C52RC单片机+ISD1820语音模块+步进电机模块+蜂鸣器模块+红外检测模块+电源供电模块。
主要功能:
1、通过红外光电传感器检测地铁是否到站。
2、当地铁到站后,通过ISD1820语音模块播报“地铁已到站”。
3、当地铁到站后,通过两个步进电机模拟地铁车厢门打开,并计时15s,15s后自动关闭。
4、当开门时间快结束时,蜂鸣器报警3次,结束后,车厢门关闭。
#单片机
#电气自动化
#STM32单片机
#网络工程师
#智能硬件设计
#信息与技术
#嵌入式开发
#电气工程及其自动化
#电气
#自动化
打赏
更多
>
同类资讯
• 香港私楼装修|全屋定制完终于不
0
条
相关评论
推荐图文
推荐资讯
点击排行
网站首页
|
关于我们
|
联系方式
|
使用协议
|
版权隐私
|
网站地图
|
排名推广
|
广告服务
|
积分换礼
|
网站留言
|
RSS订阅
|
违规举报
|
皖ICP备20008326号-18
(c)2008-2022 免费发布网 All Rights Reserved