手机版
二维码
购物车
(
0
)
供应
求购
公司
团购
展会
资讯
招商
品牌
人才
知道
专题
图库
视频
下载
商圈
推广
热搜:
采购方式
甲带
滤芯
气动隔膜泵
减速机
带式称重给煤机
减速机型号
履带
链式给煤机
无级变速机
首页
供应
求购
公司
团购
展会
资讯
招商
品牌
人才
知道
专题
图库
视频
下载
商圈
首页
>
资讯
>
电工电气
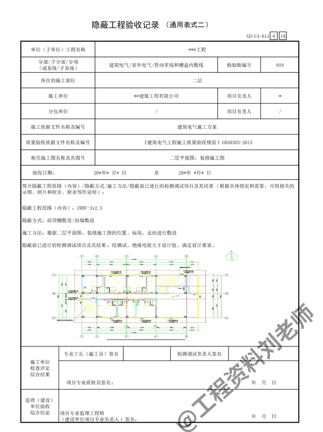
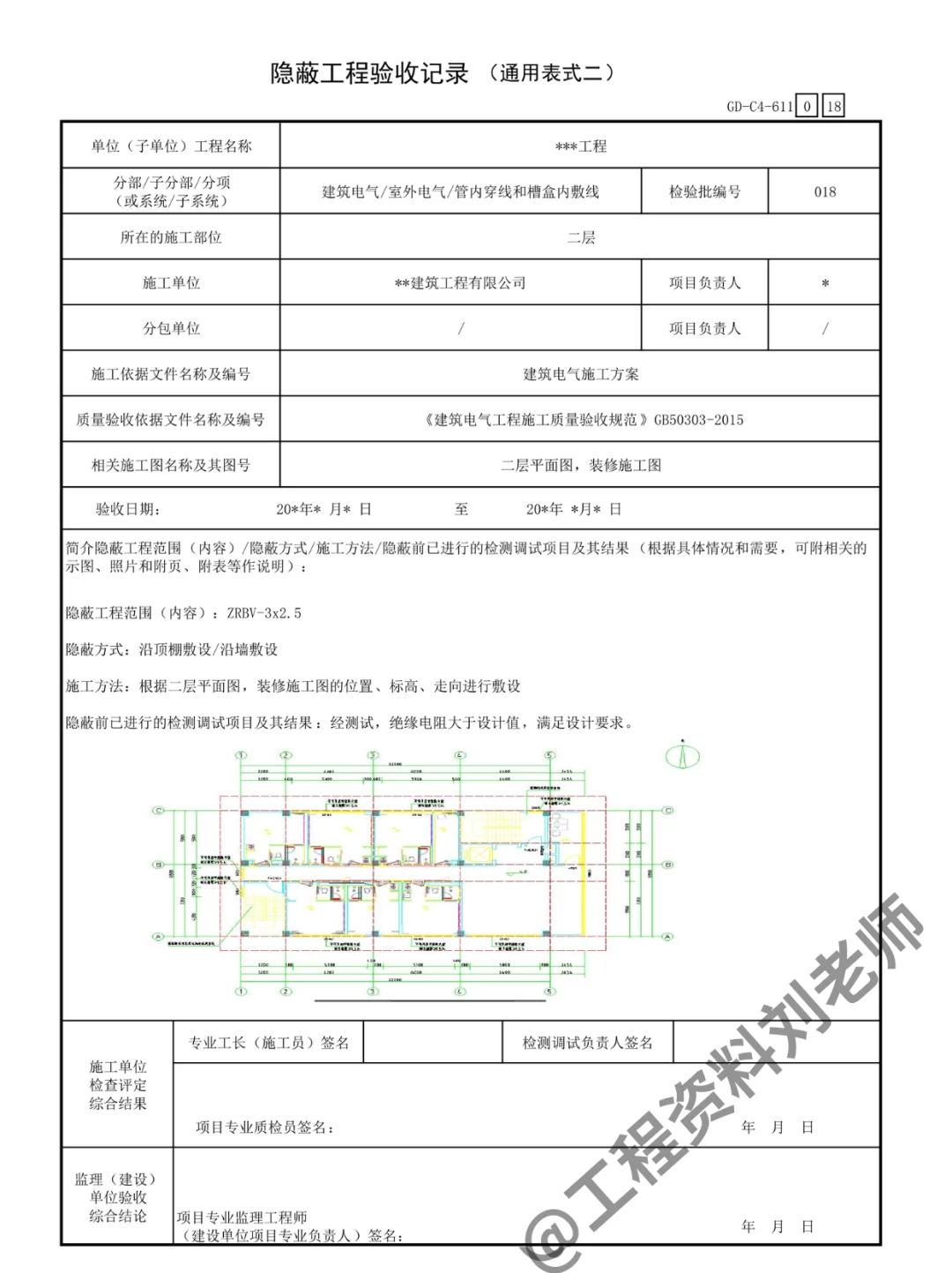
电气资料员全套表格,自学教程+资料模板
日期:2025-10-31 13:29:41 来源:网络整理 作者:本站编辑
评论:0
电气资料员全套表格,自学教程+资料模板
建筑电气各阶段要做资料,,电气资料员做资料流程,电气资料检验批,电气资料怎么做,电气资料员,电气资料做哪些检验批,电气资料员自学教程大全,电气资料检验批的划分,电气资料员全套表格
#资料员培训
#工地资料员
#资料员
#房建资料员
#工程资料员
#建筑资料员
#工程资料
#资料员入门
#电气资料
打赏
更多
>
同类资讯
• 汽车零部件供货商企业无偿内推
0
条
相关评论
推荐图文
推荐资讯
点击排行
0
1
稳压器
0
2
铜柱式大功率150KVA稳压器
0
3
三相电力稳压器和普通稳压器区别在哪?
0
4
1500卖30KVA稳压器 需要自己来拉
0
5
高低压智能组合式稳压器!SBW大功率稳压器
0
6
工厂大功率稳压器的作用
0
7
大功率交流稳压器的作用
0
8
大功率稳压器有必要买吗?
0
9
80kw稳压器是智商税吗?
网站首页
|
关于我们
|
联系方式
|
使用协议
|
版权隐私
|
网站地图
|
排名推广
|
广告服务
|
积分换礼
|
网站留言
|
RSS订阅
|
违规举报
|
皖ICP备20008326号-18
(c)2008-2022 免费发布网 All Rights Reserved