Matlab PSCAD/simulink仿真,电力电子/电力













Matlab PSCAD/simulink仿真,电力电子/电力系统/电气工程
1.matlab PSCAD//simulink仿真,电气专业仿真MATLAB PSCAD 电气工程专业仿真
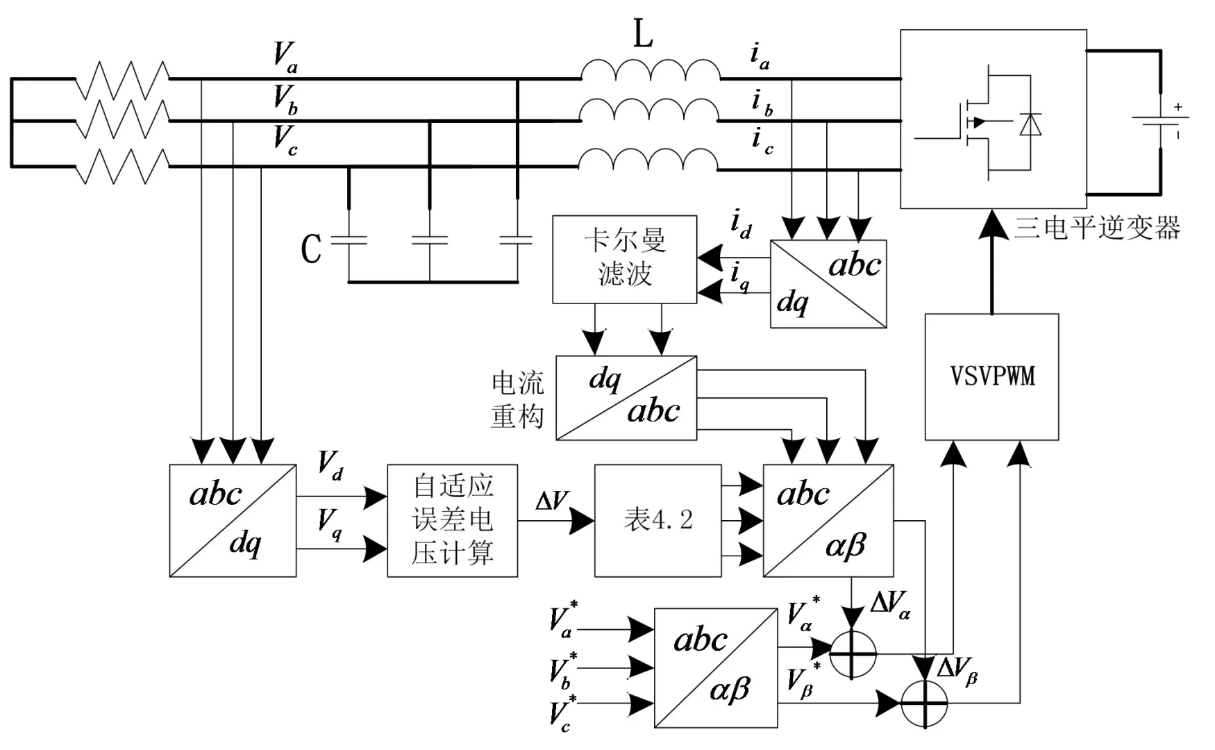
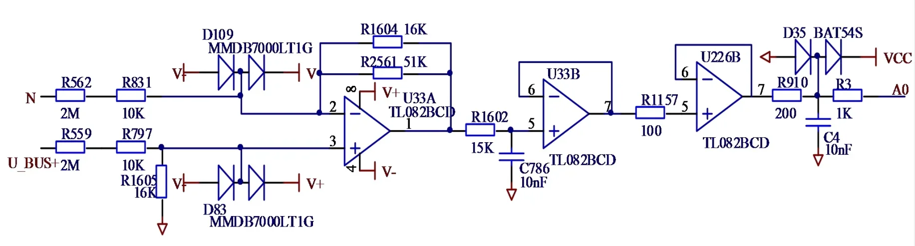
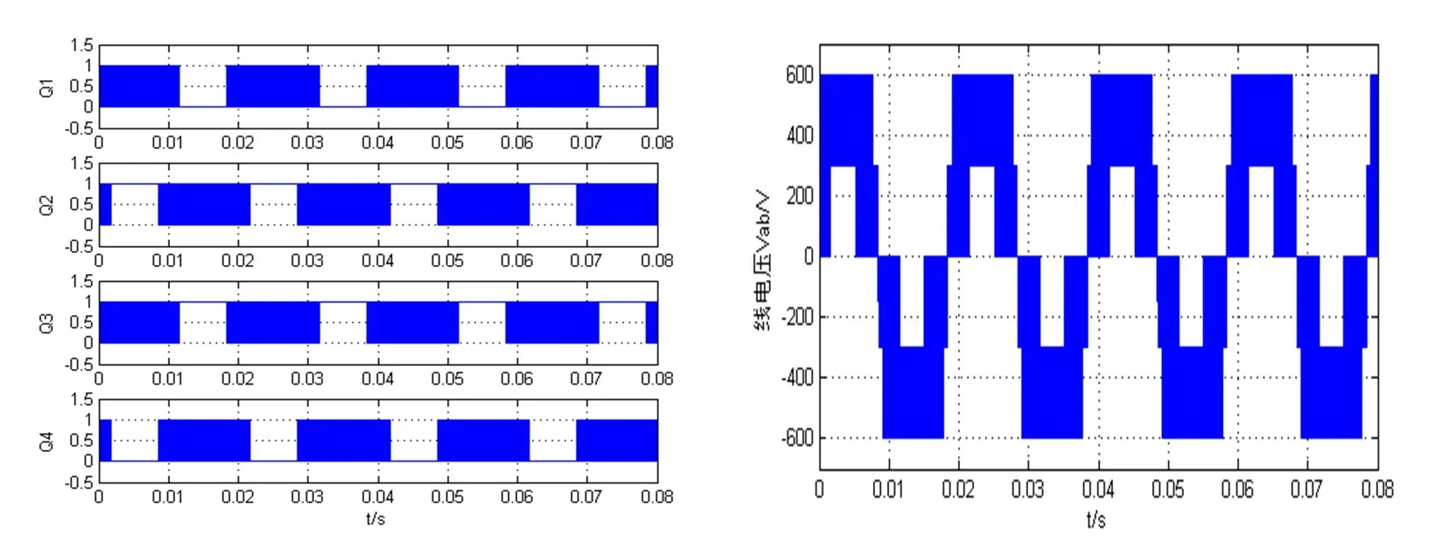
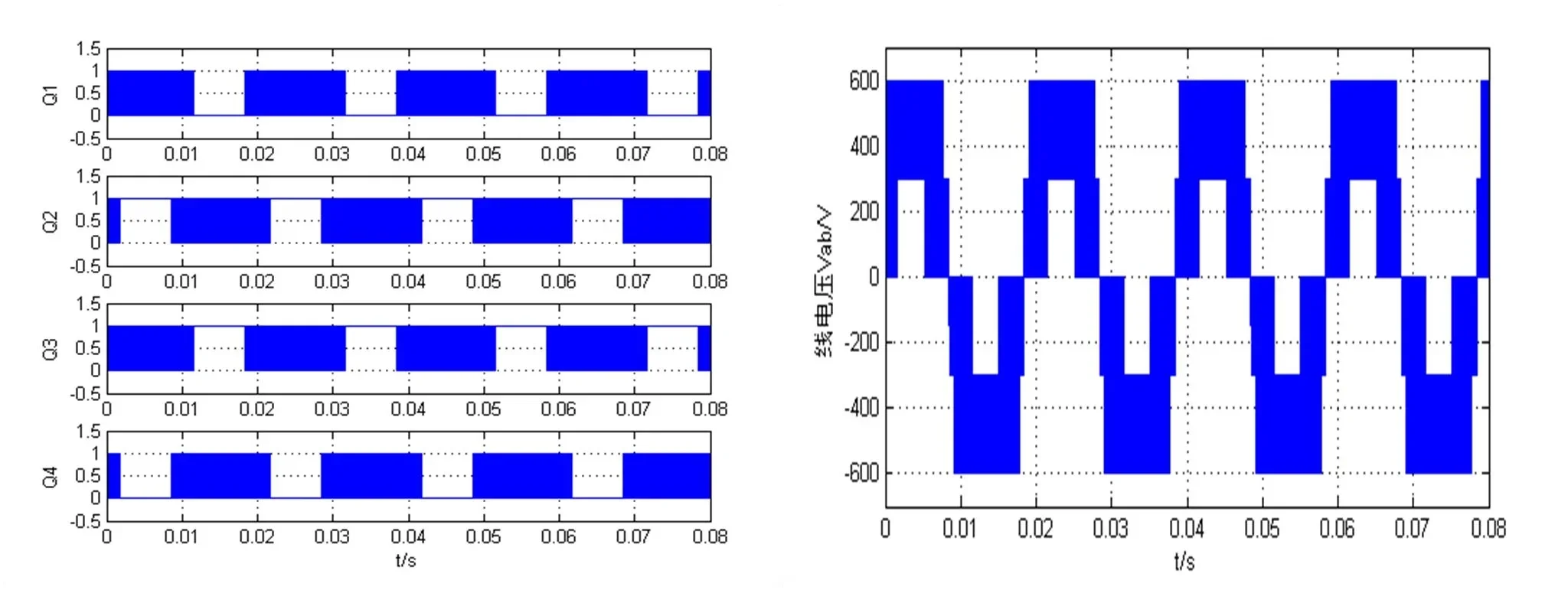
2.电力电子,电气工程,电力系统,无刷直流电机,永磁同步电机,异步电机,感应电机,双馈电机,多相电机,电机控制,电机调制,SVPWM,SHEPWM,无速度传感器控制,MRAS
3.风力发电系统,MPPT,MTPA,弱磁控制,矢量控制,模型预测控制,直接转矩控制,交流调速系统,单相/三相PWM整流器,三电平逆变器,变频器,车网耦合
#代码复现 #电气工程 #电力系统#matlab仿真