手机版
二维码
购物车
(
0
)
供应
求购
公司
团购
展会
资讯
招商
品牌
人才
知道
专题
图库
视频
下载
商圈
推广
热搜:
采购方式
甲带
滤芯
气动隔膜泵
减速机
带式称重给煤机
减速机型号
履带
链式给煤机
无级变速机
首页
供应
求购
公司
团购
展会
资讯
招商
品牌
人才
知道
专题
图库
视频
下载
商圈
首页
>
资讯
>
泵阀轴承
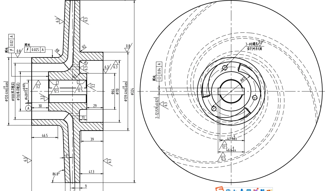
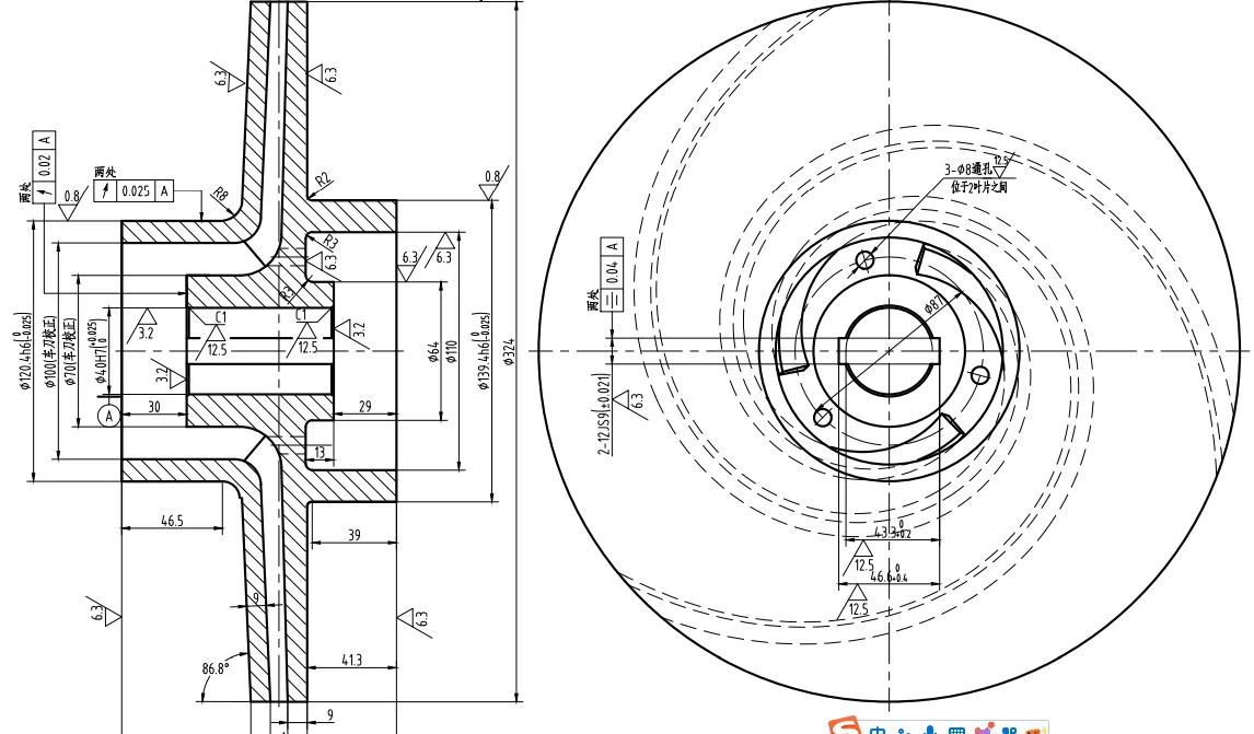
马氏体不锈钢熔盐泵叶轮新品采样后续200吨
日期:2025-10-29 18:11:17 来源:网络整理 作者:本站编辑
评论:0
马氏体不锈钢熔盐泵叶轮新品采样后续200吨
甘肃采购商急寻特种不锈钢精铸厂!熔盐泵首级叶轮样件采购,年需200吨同类铸件,全国实力厂紧急对接
? 采购参数
▸ 产品:熔盐泵首级叶轮
▸ 材质:马氏体不锈钢ZG04Cr13Ni5Mo
▸ 工艺:硅溶胶精密铸造
▸ 单重:10-30kg
▸ 交付:毛坯件
▸ 区域:全国(就近优先)
▸ 批量:1件样件(年需200吨)
? 订单说明
图纸为参考规格,类似件较多
年需求量200吨左右
性价比优先,就近考虑
? 欢迎接单 留言\"特种不锈钢案例+所在地\"
#铸造厂
#厂二代
#铸件订单
#马氏体不锈钢
#铸造
#叶轮
#泵阀
#铸件
#铸件采购
打赏
更多
>
同类资讯
• 养鱼新手怎么选择鱼缸水泵?AI辅
0
条
相关评论
推荐图文
推荐资讯
点击排行
0
1
莫斯科⚙️泵阀展翻译攻略???
0
2
我是做阀门的,谁能帮我把阀门卖到外国去啊
0
3
安徽鑫龙泵阀(工业化工泵专业生产厂家)
0
4
我让deepseek锐评一下当下的阀门行业
0
5
有没有离心泵厂家和泵配件的厂家啊!求
0
6
我为什么一头扎进阀门销售这个赛道?
0
7
液压泵阀
0
8
想进水泵行业?这些岗位前景最好!?
0
9
25泵企要扩大规模,广招研究生
网站首页
|
关于我们
|
联系方式
|
使用协议
|
版权隐私
|
网站地图
|
排名推广
|
广告服务
|
积分换礼
|
网站留言
|
RSS订阅
|
违规举报
|
皖ICP备20008326号-18
(c)2008-2022 免费发布网 All Rights Reserved