


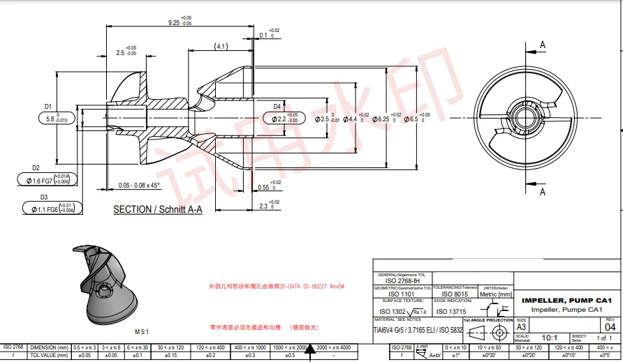
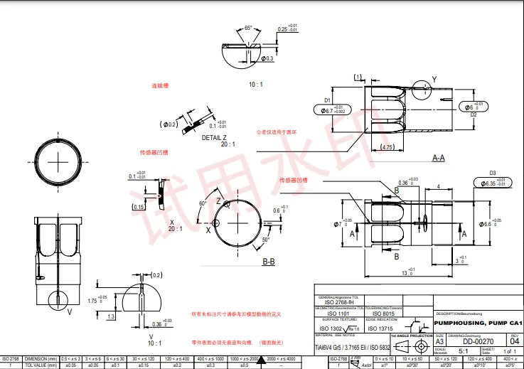
产品名称:泵转子等
工艺:3D打印
材质:钛合金铸件TiAl6V4 Cr5
单重:根据图纸测量(成品精加)
本次采购量:60000件
所属行业:泵阀行业(泵)
付款方式:正常付款,细节双方协商
订单说明:
三个规格每种每月2万件,做6个月,新产品研发原供应商无法满足
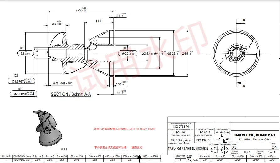
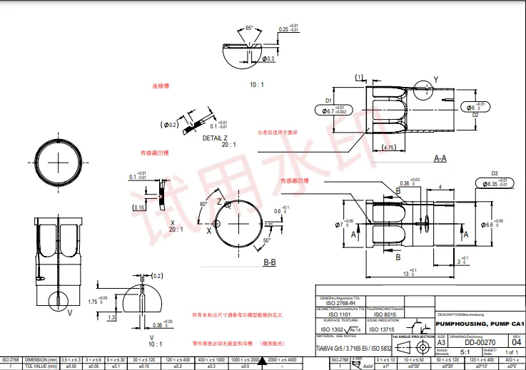
工艺:3D打印
材质:钛合金铸件TiAl6V4 Cr5
单重:根据图纸测量(成品精加)
本次采购量:60000件
所属行业:泵阀行业(泵)
付款方式:正常付款,细节双方协商
订单说明:
三个规格每种每月2万件,做6个月,新产品研发原供应商无法满足


