




电子信息电气工程及其自动化留学生电气
专业电气工程 仿真/建模 电气工程 电子电力课设
本人擅长电气工程及其自动化专业
电路理论模电 数电实验Multisim仿真
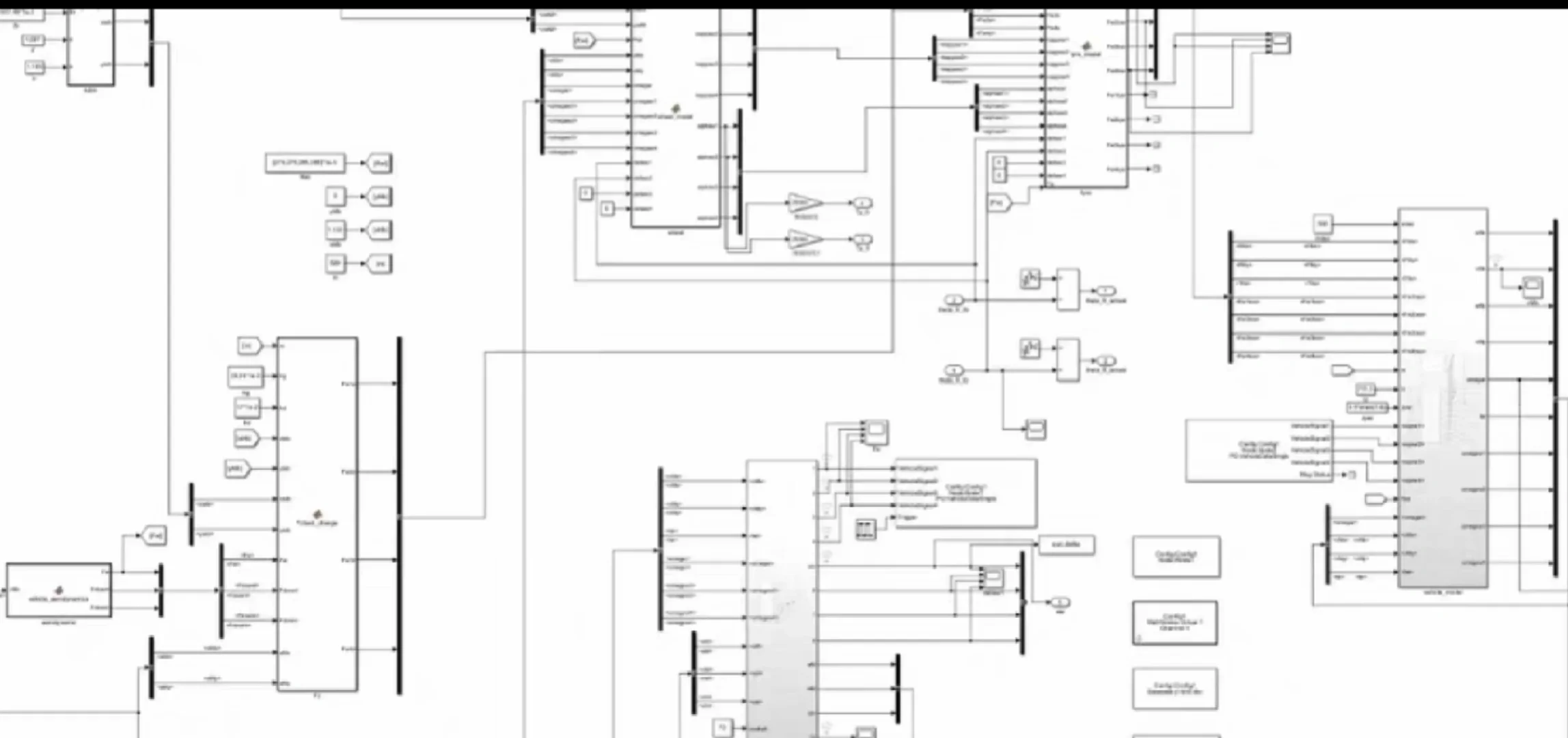
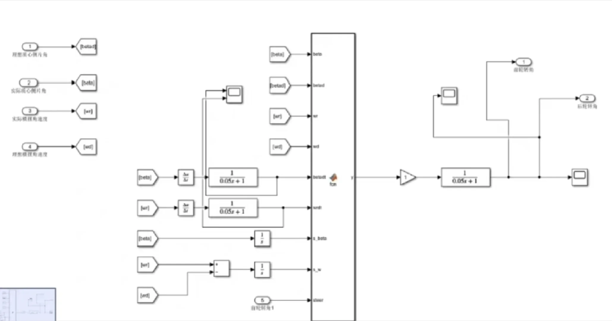
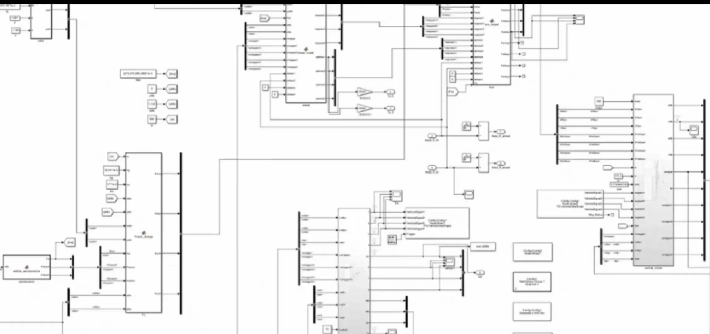
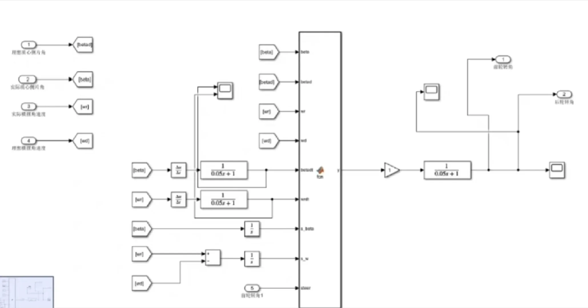
matlab/simulink仿真,电气专业仿真MATLAB 电气工程专业仿真,matlab建模
电力电子电气工程电机控制仿真系统设计开题选题建模
电子信息工程,电气自动化,高质量接活,实力强项,专业做电力电子,电气工程,电力系统!
1.电机控制,直流电机双闭环,无刷直流电机,永磁同步电机,异步电机,感应电机,电机控制,电机调制,SVPWM,无速度传感器控制,MRAS,MPPT,MTPA,弱磁控制,矢量控制,模型预测控制,直接转矩控制,交流调速系统,
2.电力电子,开关电源,单相/三相PWM整流器,单向逆变器,变频器,曲线拟合,三相整流,单向整流,逆变,隔离变换器,反激电路仿真,正激,全桥,半桥,buck电路,boost电路,spwm,交交变频,交流调压,导出数据到Excel等仿真
3.车辆控制,防滑控制,tcs,abs等
4.继电保护,差动保护等
simscape 机械臂运动学动力学仿真轨迹规划动力学方程正逆解导纳控制零力拖动ros机械臂仿真代做,视觉抓取,darknet_ros配置
Matlab机械臂运动学,轨迹规划(多项式,贝塞尔,样条曲线等)机械臂机器人仿真建模辅导|机械臂仿真控制,(GPD)复现
ROS指导,小车导航,ros机器人,设计指导,定位,仿真,自主导航,路径规划,无人车,移动机器人,slam,未知区域探索,避障,lidar, imu, gps树莓派,rrt, mpc轨迹跟踪, pid,机甲大师,robomaster,gazebo,激光雷达,全覆盖路径,cartographer、 gmapping、ros,gazebo仿真,rviz可视化、SLAM建图、自主避障,路径规划,robomaster改装,环境搭建,agv,AGV,竞赛,A*, RRT*,DWA,lidar,imu,标定,slam建图。#电气自动化 #电气工程及其自动化
专业电气工程 仿真/建模 电气工程 电子电力课设
本人擅长电气工程及其自动化专业
电路理论模电 数电实验Multisim仿真
matlab/simulink仿真,电气专业仿真MATLAB 电气工程专业仿真,matlab建模
电力电子电气工程电机控制仿真系统设计开题选题建模
电子信息工程,电气自动化,高质量接活,实力强项,专业做电力电子,电气工程,电力系统!
1.电机控制,直流电机双闭环,无刷直流电机,永磁同步电机,异步电机,感应电机,电机控制,电机调制,SVPWM,无速度传感器控制,MRAS,MPPT,MTPA,弱磁控制,矢量控制,模型预测控制,直接转矩控制,交流调速系统,
2.电力电子,开关电源,单相/三相PWM整流器,单向逆变器,变频器,曲线拟合,三相整流,单向整流,逆变,隔离变换器,反激电路仿真,正激,全桥,半桥,buck电路,boost电路,spwm,交交变频,交流调压,导出数据到Excel等仿真
3.车辆控制,防滑控制,tcs,abs等
4.继电保护,差动保护等
simscape 机械臂运动学动力学仿真轨迹规划动力学方程正逆解导纳控制零力拖动ros机械臂仿真代做,视觉抓取,darknet_ros配置
Matlab机械臂运动学,轨迹规划(多项式,贝塞尔,样条曲线等)机械臂机器人仿真建模辅导|机械臂仿真控制,(GPD)复现
ROS指导,小车导航,ros机器人,设计指导,定位,仿真,自主导航,路径规划,无人车,移动机器人,slam,未知区域探索,避障,lidar, imu, gps树莓派,rrt, mpc轨迹跟踪, pid,机甲大师,robomaster,gazebo,激光雷达,全覆盖路径,cartographer、 gmapping、ros,gazebo仿真,rviz可视化、SLAM建图、自主避障,路径规划,robomaster改装,环境搭建,agv,AGV,竞赛,A*, RRT*,DWA,lidar,imu,标定,slam建图。#电气自动化 #电气工程及其自动化


