



本项目旨在设计一套适用于大型生产线的长行程往复送料装置,实现物料在约6米区间的自动输送与定位。设备采用模块化架构和伺服控制系统,兼顾稳定性与精度,广泛适用于自动装配、焊接、包装等连续工序。
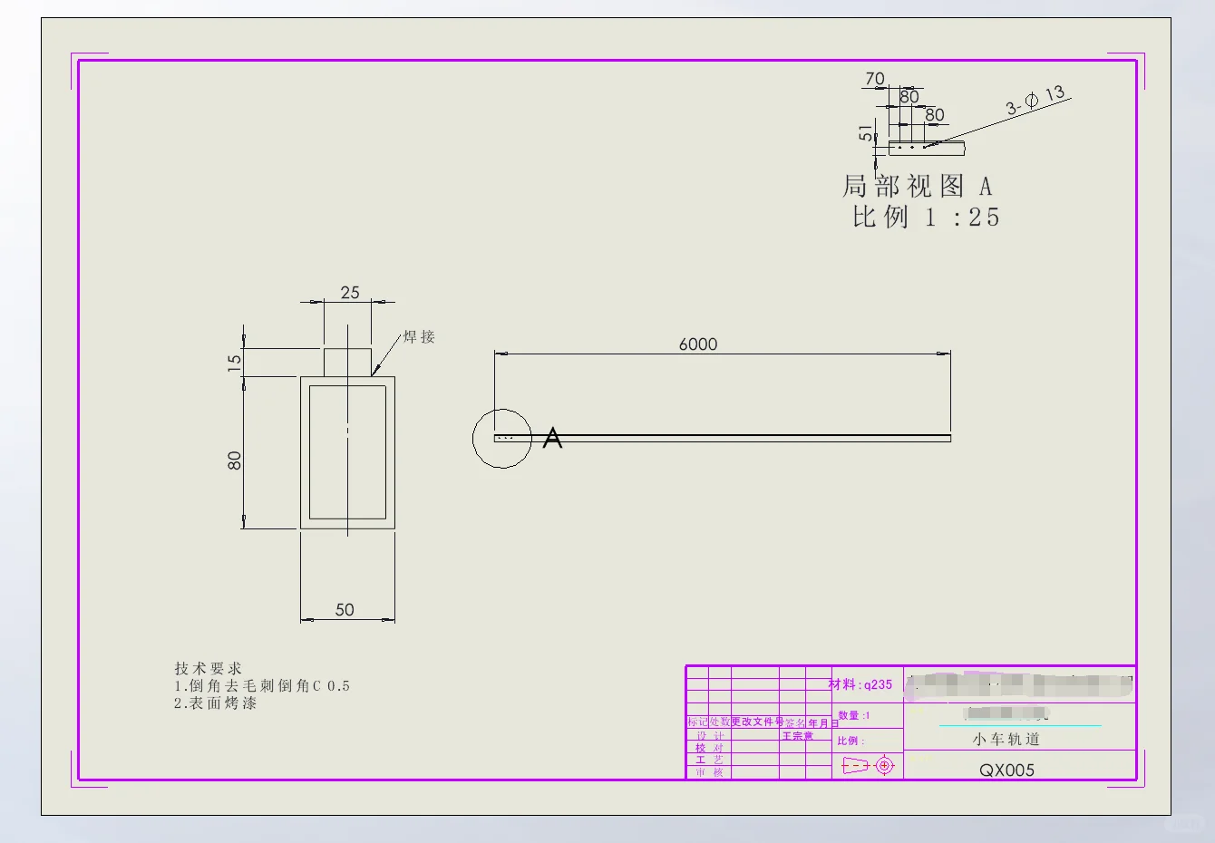
整机由“左右机架组 + 小车总成 + 滑轨导向系统 + 驱动传动机构”组成。左右机架采用Q235焊接框架,确保结构强度与整体刚度;中部滑轨长度6000mm,由矩形管焊接并进行表面烤漆处理,导轨直线度误差≤0.3mm。小车总成采用双导轨同步结构,滑块通过伺服电机带动同步带实现往复运动,行程控制范围0–6700mm,最大运行速度800mm/s,重复定位精度±0.1mm。
动力系统由伺服电机与减速机组合驱动,传动轴两端布置张紧轮机构以减少皮带松弛。控制系统采用PLC逻辑编程,实现变速启动、加减速控制及急停保护。根据动力学计算,送料小车总质量为45kg,摩擦系数μ=0.15,在最大加速度a=0.6m/s²时所需驱动力为F=μmg+ma≈115N,选用750W伺服电机完全满足要求。
在结构设计阶段,应用SolidWorks完成三维建模与二维工程图绘制,包括总装图、部件图及零件图(小车轨道、机架连杆、左右机架等)。通过Motion模块进行动态仿真,验证小车运行平稳性与冲击响应,最大振动位移0.4mm。
设计历时约10周:前2周完成方案设计与建模;第3–5周优化机构参数;第6–8周进行仿真分析与受力验证;第9–10周完成装配与出图整理。
设备特点包括:
①6米超长导轨的高刚性设计;
②模块化装配便于运输与安装;
③伺服驱动+PLC控制实现高精度定位;
④表面烤漆与防护罩设计提升工业美感与安全性。
通过本项目,我系统掌握了大型滑轨机构的受力分析、驱动匹配与装配工艺设计,增强了对机械系统综合设计与自动化控制的理解。
#机械设计 #伺服送料装置 #自动化生产线 #滑轨设计 #SolidWorks建模 #机构仿真 #Q235焊接结构 #往复传动 #机电一体化
整机由“左右机架组 + 小车总成 + 滑轨导向系统 + 驱动传动机构”组成。左右机架采用Q235焊接框架,确保结构强度与整体刚度;中部滑轨长度6000mm,由矩形管焊接并进行表面烤漆处理,导轨直线度误差≤0.3mm。小车总成采用双导轨同步结构,滑块通过伺服电机带动同步带实现往复运动,行程控制范围0–6700mm,最大运行速度800mm/s,重复定位精度±0.1mm。
动力系统由伺服电机与减速机组合驱动,传动轴两端布置张紧轮机构以减少皮带松弛。控制系统采用PLC逻辑编程,实现变速启动、加减速控制及急停保护。根据动力学计算,送料小车总质量为45kg,摩擦系数μ=0.15,在最大加速度a=0.6m/s²时所需驱动力为F=μmg+ma≈115N,选用750W伺服电机完全满足要求。
在结构设计阶段,应用SolidWorks完成三维建模与二维工程图绘制,包括总装图、部件图及零件图(小车轨道、机架连杆、左右机架等)。通过Motion模块进行动态仿真,验证小车运行平稳性与冲击响应,最大振动位移0.4mm。
设计历时约10周:前2周完成方案设计与建模;第3–5周优化机构参数;第6–8周进行仿真分析与受力验证;第9–10周完成装配与出图整理。
设备特点包括:
①6米超长导轨的高刚性设计;
②模块化装配便于运输与安装;
③伺服驱动+PLC控制实现高精度定位;
④表面烤漆与防护罩设计提升工业美感与安全性。
通过本项目,我系统掌握了大型滑轨机构的受力分析、驱动匹配与装配工艺设计,增强了对机械系统综合设计与自动化控制的理解。
#机械设计 #伺服送料装置 #自动化生产线 #滑轨设计 #SolidWorks建模 #机构仿真 #Q235焊接结构 #往复传动 #机电一体化


