手机版
二维码
购物车
(
0
)
供应
求购
公司
团购
展会
资讯
招商
品牌
人才
知道
专题
图库
视频
下载
商圈
推广
热搜:
采购方式
滤芯
甲带
气动隔膜泵
减速机
减速机型号
带式称重给煤机
履带
无级变速机
链式给煤机
首页
供应
求购
公司
团购
展会
资讯
招商
品牌
人才
知道
专题
图库
视频
下载
商圈
首页
>
资讯
>
纺织服装
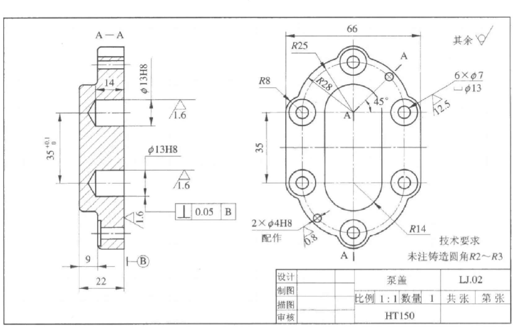
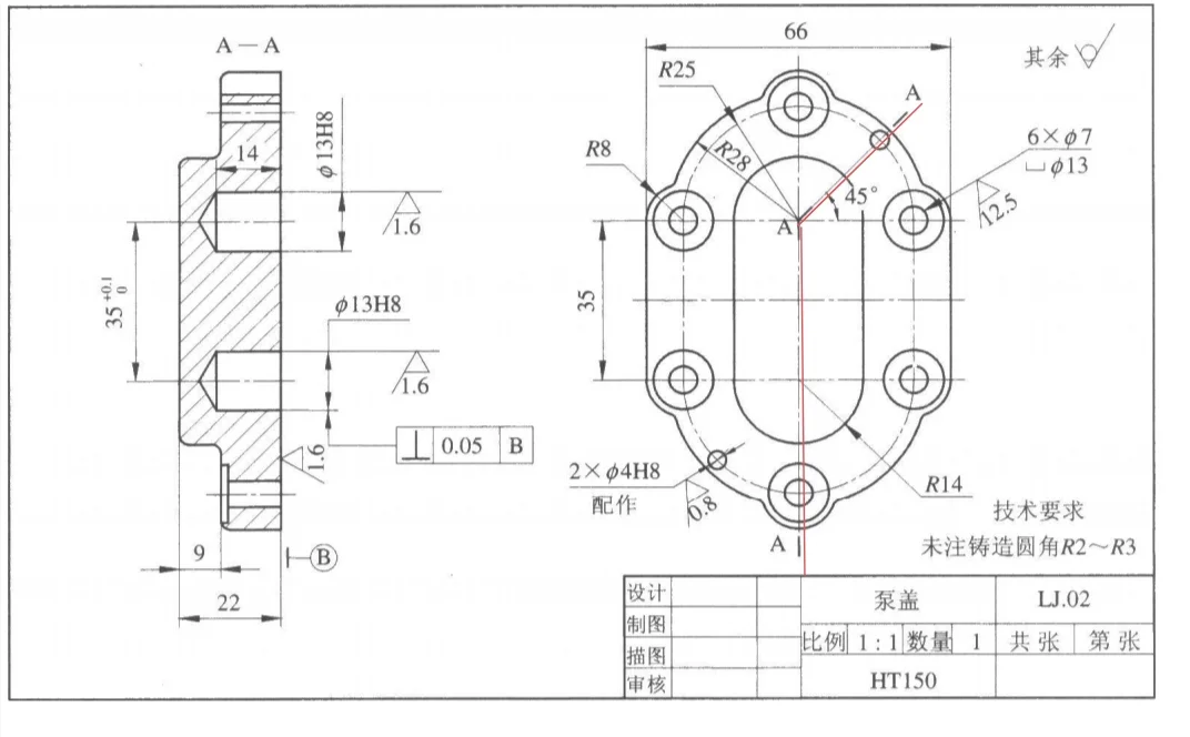
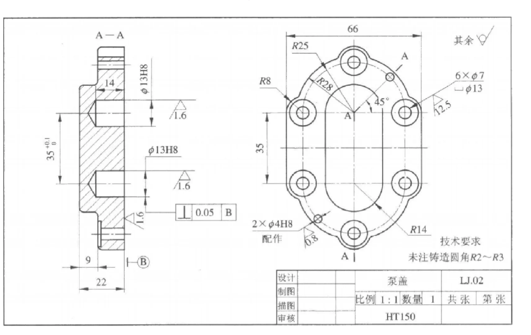
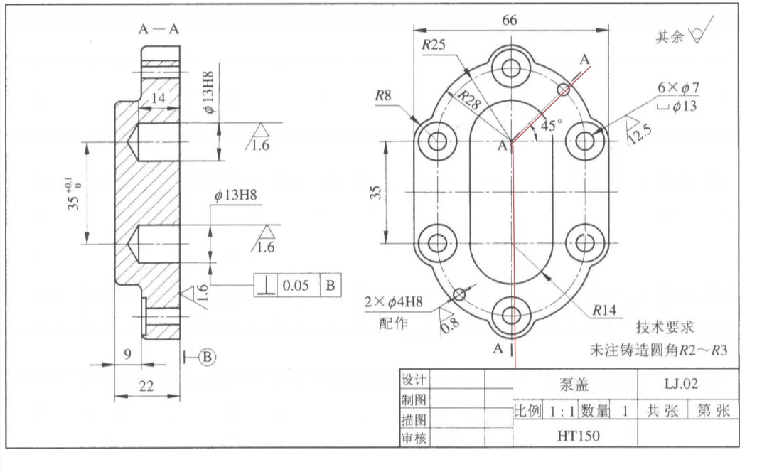
想知道左边那个图是怎么看的呀
日期:2025-10-29 10:36:57 来源:网络整理 作者:本站编辑
评论:0
想知道左边那个图是怎么看的呀
这个侧视图是怎么看的A-A是什么意思呀,是顺着右边的俯视图上的那条线侧视的吗?
#CAD
#cad教程
#工程制图
打赏
更多
>
同类资讯
• ??富贵迷人眼
0
条
相关评论
推荐图文
推荐资讯
点击排行
0
1
褶皱的大作用和多种表现方法—审美提升
0
2
?被这个手工惊艳到了!
0
3
9种压褶基础工艺
0
4
?面料再造肌理鱼尾褶✨
0
5
百褶裙单向褶裥的更多应用?面料改造
0
6
8种常见的压褶工艺,你知道多少?
0
7
Smocking|附详细教程✨
0
8
干货|54种服装工艺分享
0
9
教程|如何做出Smocking肌理效果
网站首页
|
关于我们
|
联系方式
|
使用协议
|
版权隐私
|
网站地图
|
排名推广
|
广告服务
|
积分换礼
|
网站留言
|
RSS订阅
|
违规举报
|
皖ICP备20008326号-18
(c)2008-2022 免费发布网 All Rights Reserved