手机版
二维码
购物车
(
0
)
供应
求购
公司
团购
展会
资讯
招商
品牌
人才
知道
专题
图库
视频
下载
商圈
推广
热搜:
采购方式
甲带
滤芯
气动隔膜泵
减速机
带式称重给煤机
减速机型号
履带
链式给煤机
无级变速机
首页
供应
求购
公司
团购
展会
资讯
招商
品牌
人才
知道
专题
图库
视频
下载
商圈
首页
>
资讯
>
泵阀轴承
安全阀
日期:2025-10-29 05:37:49 来源:网络整理 作者:本站编辑
评论:0
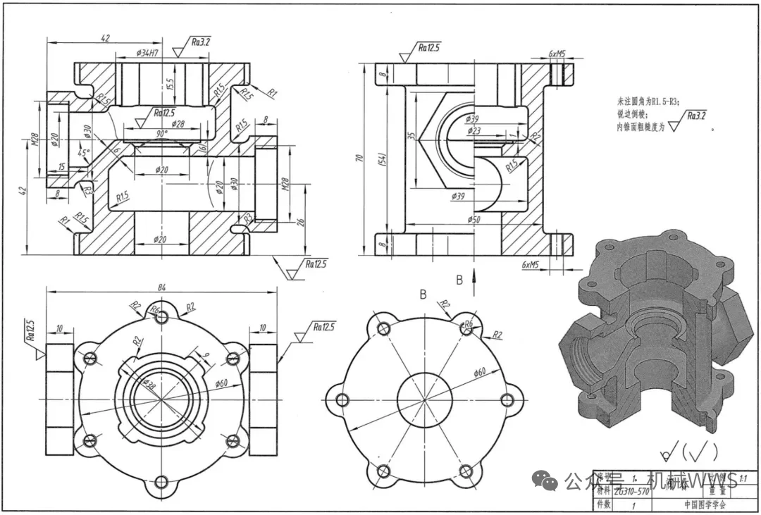
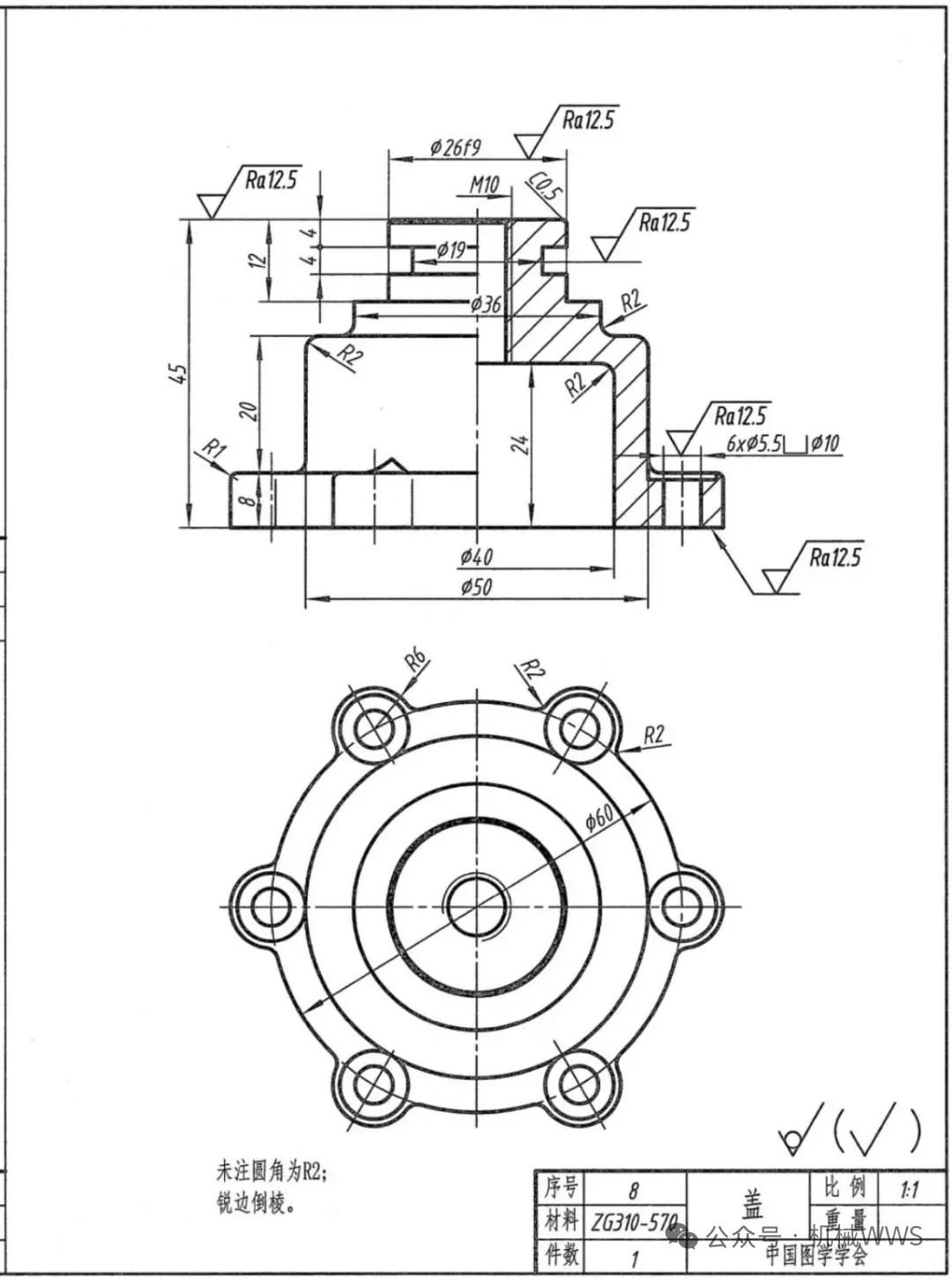
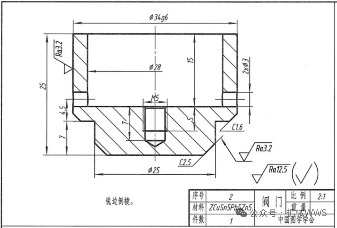
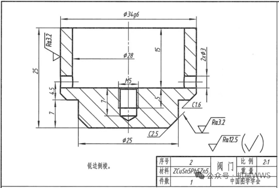
安全阀
#机械WWS
#图纸
#安全阀
#机械装配图纸
打赏
更多
>
同类资讯
• 养鱼新手怎么选择鱼缸水泵?AI辅
0
条
相关评论
推荐图文
推荐资讯
点击排行
0
1
莫斯科⚙️泵阀展翻译攻略???
0
2
我是做阀门的,谁能帮我把阀门卖到外国去啊
0
3
安徽鑫龙泵阀(工业化工泵专业生产厂家)
0
4
我让deepseek锐评一下当下的阀门行业
0
5
有没有离心泵厂家和泵配件的厂家啊!求
0
6
我为什么一头扎进阀门销售这个赛道?
0
7
液压泵阀
0
8
想进水泵行业?这些岗位前景最好!?
0
9
25泵企要扩大规模,广招研究生
网站首页
|
关于我们
|
联系方式
|
使用协议
|
版权隐私
|
网站地图
|
排名推广
|
广告服务
|
积分换礼
|
网站留言
|
RSS订阅
|
违规举报
|
皖ICP备20008326号-18
(c)2008-2022 免费发布网 All Rights Reserved