








关于单级离心泵(KS型)设计我只想说以下几点:
核心思想: 现代泵设计是一个多学科、迭代优化的过程,紧密结合了理论计算、数值模拟和实验验证。其目标是在满足性能、可靠性和成本要求的前提下,实现效率、汽蚀性能和寿命的最优化。
1、设计输入与技术指标确定:
性能参数:
流量 (Q): m³/h 或 L/s
扬程 (H): m
转速 (n): rpm (通常由标准电机转速决定,如 2900/1450 rpm for 50Hz)
效率 (η): 目标值,通常要求高于市场平均水平。
汽蚀余量 (NPSHr): 关键指标,要求尽可能低。
介质特性: 清水、油、腐蚀性液体?温度、密度、粘度、固体含量。
结构与材料:
接口标准: 进出口法兰标准(如 ANSI, DIN, GB)。
安装方式: 卧式还是立式?
密封形式: 机械密封还是填料密封?根据介质和可靠性要求选择。
材料选择: 铸铁、铸钢、不锈钢(304/316)、双相钢等,取决于介质和成本。
可靠性与寿命:设计寿命(通常为20年以上)MTBF(平均无故障时间)维护便利性要求。
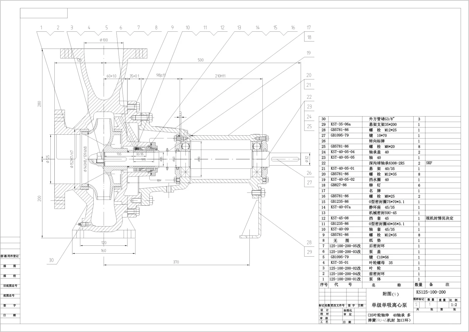
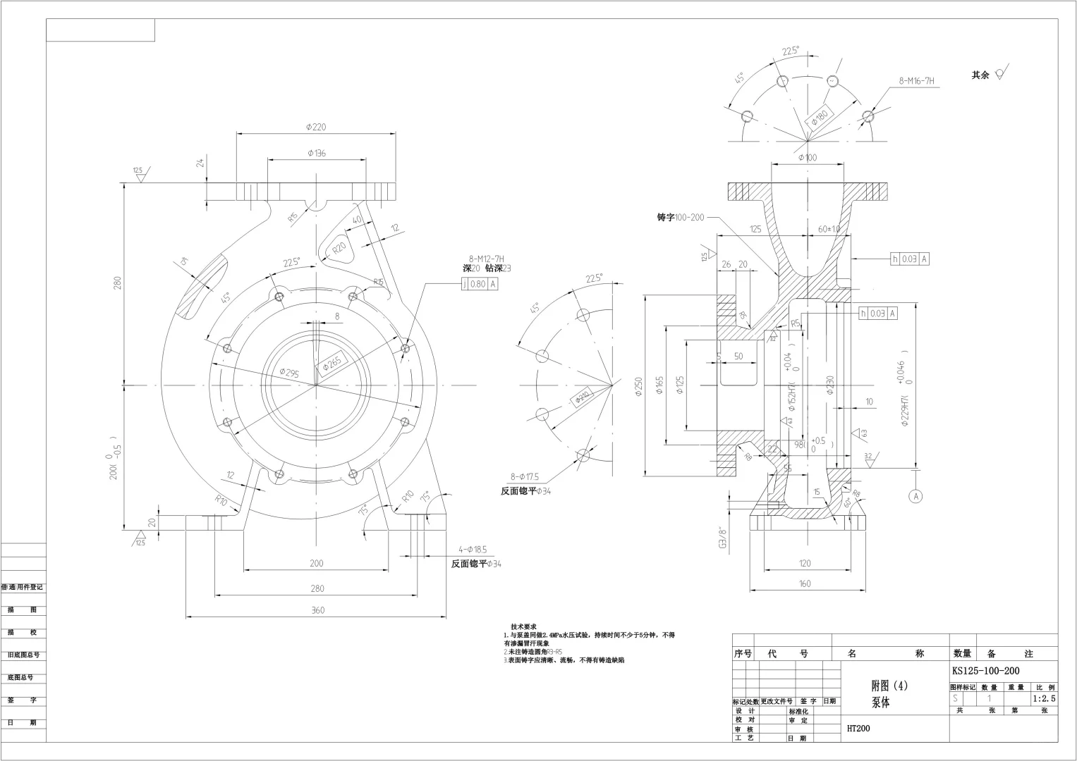
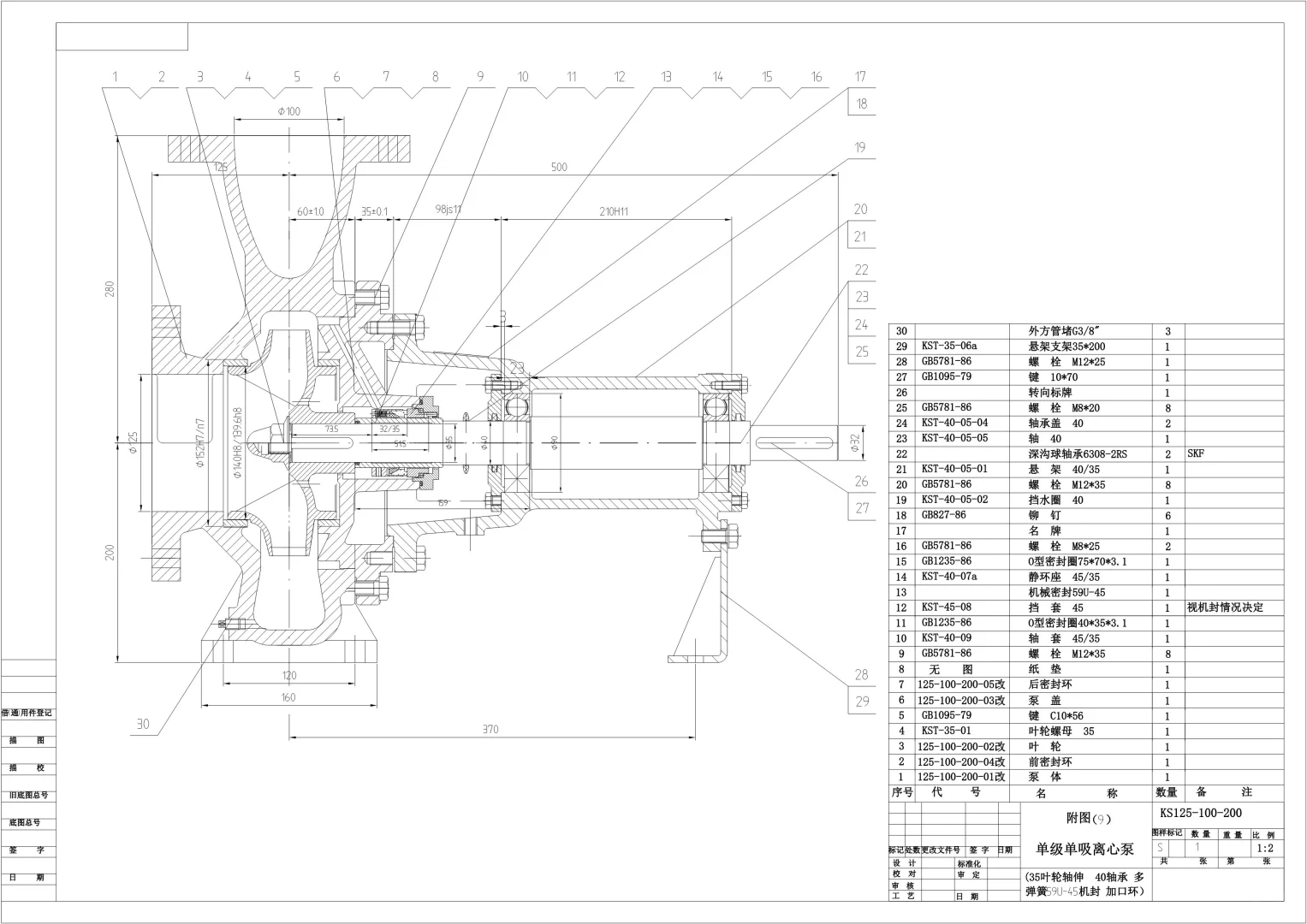
2、水力设计: 这是泵设计的核心。
比转速 (nₛ) 计算:nₛ = 3.65 * n * √Q / H^(3/4)。
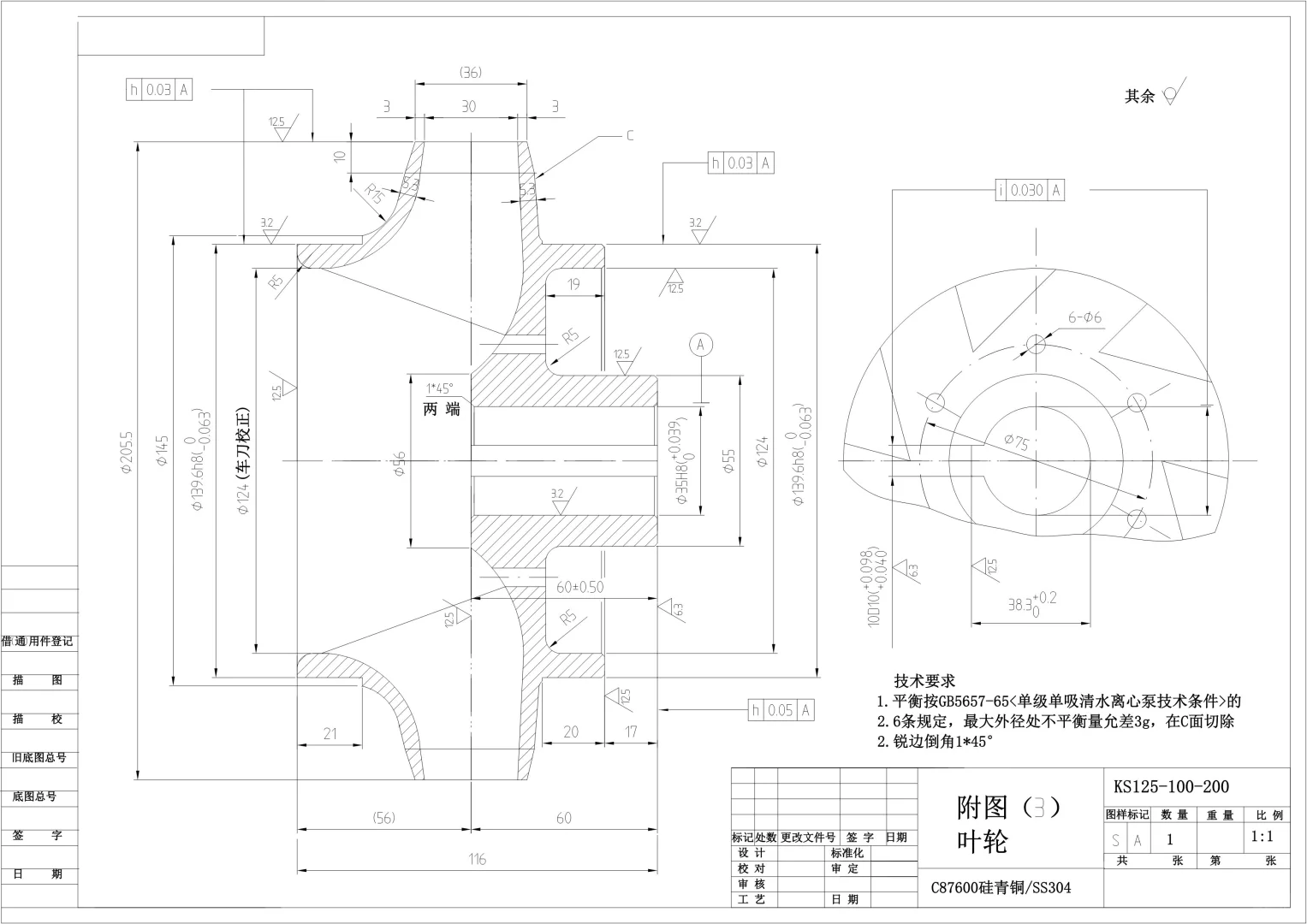
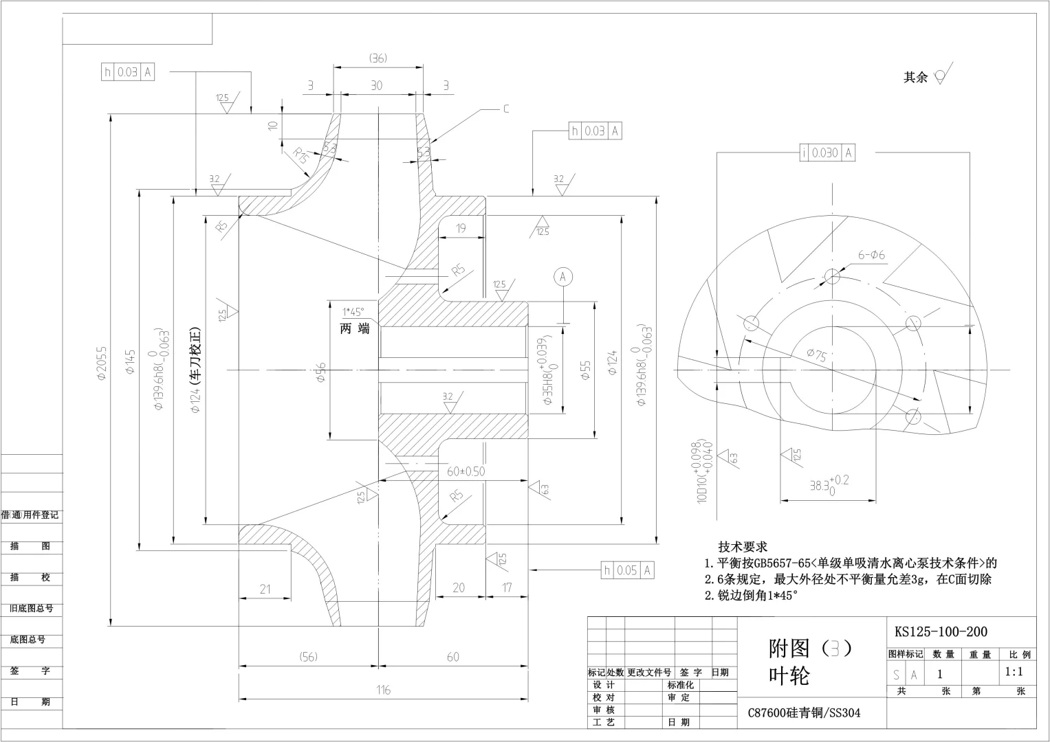
叶轮主要尺寸计算:
进口直径 (D₀): 根据进口流速和汽蚀性能确定。
出口直径 (D₂): 根据扬程和流量,利用速度系数法、理论计算或相似换算法初步确定。
出口宽度 (b₂): 影响流量和效率。
叶片数 (Z): 影响扬程、效率和稳定性。
安放角 (β₁, β₂): 关键参数,直接影响泵的性能曲线形状。
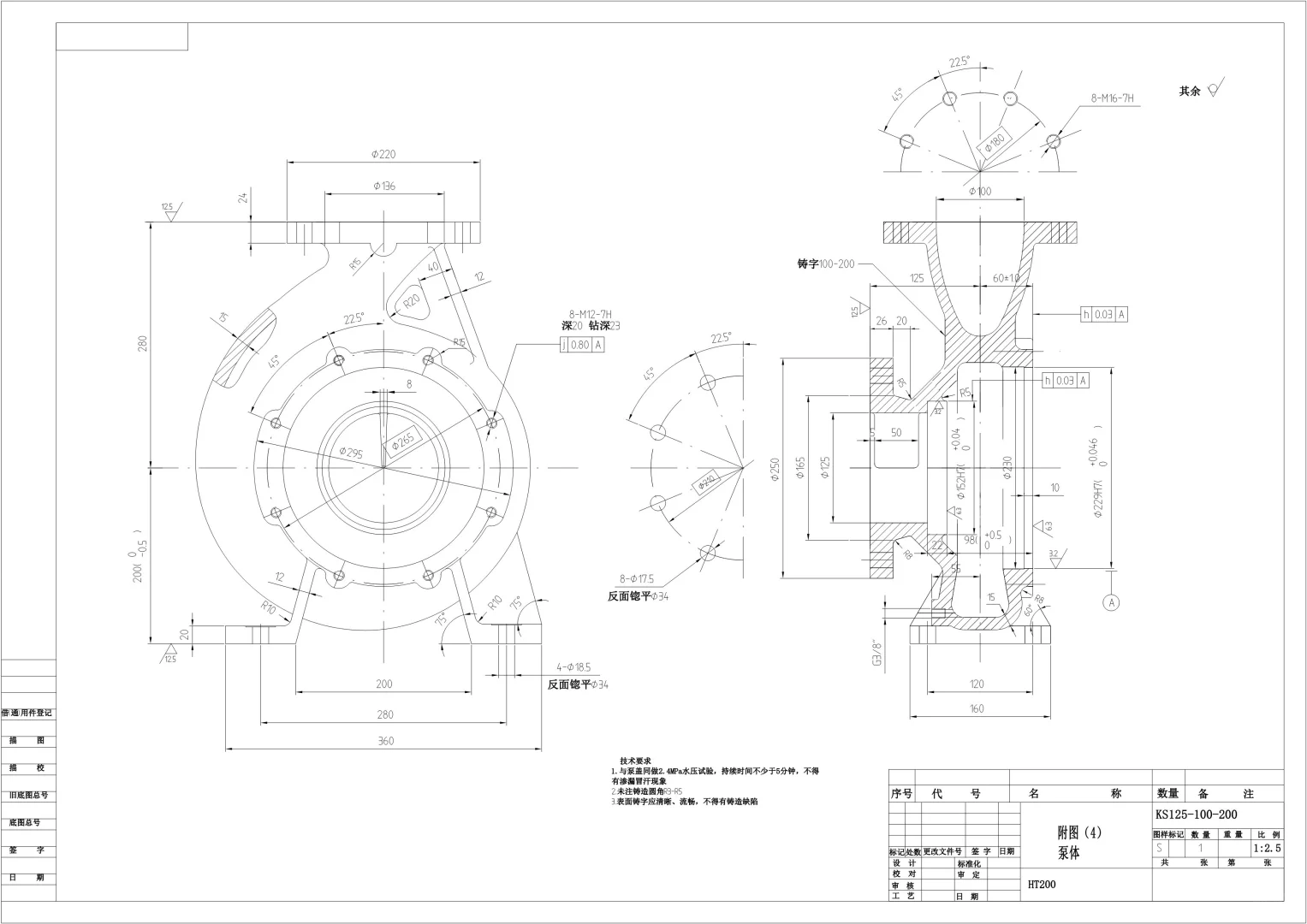
压水室设计:
蜗壳设计: 确定基圆直径、蜗室断面面积和隔舌安放角,确保速度场和压力场均匀,减少水力损失。
导叶设计(如果采用): 多用于多级泵,但在某些高性能单级泵中也有应用。
3、结构设计:
轴与轴承校核:
计算轴的强度和刚度(挠度、临界转速),确保在运行范围内避开临界转速,避免共振。
根据轴向力和径向力选择轴承类型和型号,并进行寿命计算。
轴向力与径向力平衡:
轴向力: 通常通过叶轮上的平衡孔、平衡鼓或背叶片来平衡,推力轴承承担残余轴向力。
径向力: 蜗壳设计本身会产生径向力,需在轴和轴承设计时考虑。
密封系统设计:
机械密封的选型、冲洗方案(API 682 计划)设计。
#机械原理 #离心泵
核心思想: 现代泵设计是一个多学科、迭代优化的过程,紧密结合了理论计算、数值模拟和实验验证。其目标是在满足性能、可靠性和成本要求的前提下,实现效率、汽蚀性能和寿命的最优化。
1、设计输入与技术指标确定:
性能参数:
流量 (Q): m³/h 或 L/s
扬程 (H): m
转速 (n): rpm (通常由标准电机转速决定,如 2900/1450 rpm for 50Hz)
效率 (η): 目标值,通常要求高于市场平均水平。
汽蚀余量 (NPSHr): 关键指标,要求尽可能低。
介质特性: 清水、油、腐蚀性液体?温度、密度、粘度、固体含量。
结构与材料:
接口标准: 进出口法兰标准(如 ANSI, DIN, GB)。
安装方式: 卧式还是立式?
密封形式: 机械密封还是填料密封?根据介质和可靠性要求选择。
材料选择: 铸铁、铸钢、不锈钢(304/316)、双相钢等,取决于介质和成本。
可靠性与寿命:设计寿命(通常为20年以上)MTBF(平均无故障时间)维护便利性要求。
2、水力设计: 这是泵设计的核心。
比转速 (nₛ) 计算:nₛ = 3.65 * n * √Q / H^(3/4)。
叶轮主要尺寸计算:
进口直径 (D₀): 根据进口流速和汽蚀性能确定。
出口直径 (D₂): 根据扬程和流量,利用速度系数法、理论计算或相似换算法初步确定。
出口宽度 (b₂): 影响流量和效率。
叶片数 (Z): 影响扬程、效率和稳定性。
安放角 (β₁, β₂): 关键参数,直接影响泵的性能曲线形状。
压水室设计:
蜗壳设计: 确定基圆直径、蜗室断面面积和隔舌安放角,确保速度场和压力场均匀,减少水力损失。
导叶设计(如果采用): 多用于多级泵,但在某些高性能单级泵中也有应用。
3、结构设计:
轴与轴承校核:
计算轴的强度和刚度(挠度、临界转速),确保在运行范围内避开临界转速,避免共振。
根据轴向力和径向力选择轴承类型和型号,并进行寿命计算。
轴向力与径向力平衡:
轴向力: 通常通过叶轮上的平衡孔、平衡鼓或背叶片来平衡,推力轴承承担残余轴向力。
径向力: 蜗壳设计本身会产生径向力,需在轴和轴承设计时考虑。
密封系统设计:
机械密封的选型、冲洗方案(API 682 计划)设计。
#机械原理 #离心泵


