手机版
二维码
购物车
(
0
)
供应
求购
公司
团购
展会
资讯
招商
品牌
人才
知道
专题
图库
视频
下载
商圈
推广
热搜:
采购方式
甲带
滤芯
气动隔膜泵
带式称重给煤机
减速机型号
链式给煤机
减速机
无级变速机
履带
首页
供应
求购
公司
团购
展会
资讯
招商
品牌
人才
知道
专题
图库
视频
下载
商圈
首页
>
资讯
>
机械设备
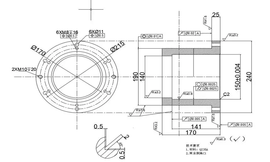
《龙门数控铣床轴承座机械加工工艺研究》
日期:2025-10-28 10:13:46 来源:网络整理 作者:本站编辑
评论:0
《龙门数控铣床轴承座机械加工工艺研究》
零件工艺性分析
毛坯选择与尺寸确定
工艺路线拟定(粗车→精车→钻孔→磨削)
机床与刀具选型(如CK6140数控车床、MP7475磨床等)
切削参数计算(转速、进给、工时等)
论文全文+图纸+工艺卡片
#机械
#数控加工
#工程设计
打赏
更多
>
同类资讯
• 欢迎光临《2026第28届上海电机展
0
条
相关评论
推荐图文
推荐资讯
点击排行
网站首页
|
关于我们
|
联系方式
|
使用协议
|
版权隐私
|
网站地图
|
排名推广
|
广告服务
|
积分换礼
|
网站留言
|
RSS订阅
|
违规举报
|
皖ICP备20008326号-18
(c)2008-2022 免费发布网 All Rights Reserved