手机版
二维码
购物车
(
0
)
供应
求购
公司
团购
展会
资讯
招商
品牌
人才
知道
专题
图库
视频
下载
商圈
推广
热搜:
采购方式
甲带
滤芯
气动隔膜泵
带式称重给煤机
减速机型号
减速机
链式给煤机
履带
无级变速机
首页
供应
求购
公司
团购
展会
资讯
招商
品牌
人才
知道
专题
图库
视频
下载
商圈
首页
>
资讯
>
社会热点
晋能控股一煤矿矿长被依法移送司法机关
日期:2024-05-12 03:05:23 来源:网络整理 作者:本站编辑
评论:0
山西大同晋能控股煤业集团有限公司
马脊梁矿(
2024
)年“
1
·
14
”一般机电
事故调查报告
2024年1月14日22时28分,晋能控股煤业集团有限公司
马脊梁矿(以下简称马脊梁矿)井下石炭系3
#
煤层二盘区8202
综采工作面风顺槽超前支护段发生一起一般机电事故,造成1人遇难、1人重伤,直接经济损失211.7361万元。事故发生后矿方未在规定时间内上报,属迟报。
依据《中华人民共和国安全生产法》《煤矿安全监察条例》《生产安全事故报告和调查处理条例》等法律法规和有
关规定,2024年1月17日,国家矿山安全监察局山西局组织
大同市应急管理局、大同市公安局、大同市总工会等有关部
门,成立马脊梁矿“1·14”一般机电事
故调查组,并邀请大同市监察委员会派员参加,对该起事故展开调查。
事故调查组按照“科学严谨、依法依规、实事求是、注重实效”的原则,通过现场勘查、调查取证、技术认定及综
合分析,查清了事故发生的经过、原因、人员伤亡和直接经济损失等情况,查明了事故迟报经过,认定了事故性质、责任和迟报责任,提出了对事故责任人、迟报责任人和责任单位的处理建议以及防范措施和整改建议。现报告如下:
一、
事故单位基本情况
(一)主体企业基本情况
1.晋能控股集团有限公司
晋能控股集团有限公司是2020年9月29日经省委、省政府批准成立,由原同煤集团、晋煤集团和晋能集团联合重组而成,同步整合潞安化工集团、华阳新材料集团、山西焦煤集团部分煤矿、电厂和装备制造厂,以及转制改企后的中国(太原)煤炭交易中心,于2020年10月30日正式挂牌成立,是山西省属重要骨干企业。晋能控股集团有限公司实行“集团化管控、板块化运营、专业化发展”,设有安全环保部、煤炭产业部等21个总部机构,应急指挥中心、员工培训中心等8个服务共享中心,下设晋能控股煤业集团有限公司、晋能控股煤业集团地煤大同有限公司、山西煤炭运销集团大同有限公司等42户二级子分公司和提级管理单位。
《营业执照》统一社会信用代码为
91140000MA0LAJ3H0K,营业期限为长期。
《安全生产许可证》证号为(晋)
MK安许证字〔2023〕BPCQ026SY1,有效期限自2023年11月23日至2026年11月22日。
2.晋能控股煤业集团有限公司概况
晋能控股煤业集团有限公司(以下简称晋控煤业集团)
2020年12月17日正式挂牌成立,原是晋能控股集团有限公司旗下负责对整合重组后的各类煤矿及其附属资产履行生产运营和安全监管职能的二级子公司。
2022年9月重新调整管理架构后,目前下辖22座煤矿,包括马脊梁矿、塔山、同忻、同发东周窑、马道头、麻家梁、北辛窑、色连、圣厚源、虎龙沟、草垛沟、煤峪口、永定庄、四老沟、忻州窑、白洞、挖金湾、晋华宫、王村、燕子山、四台、云岗矿。
晋能控股煤业公司配备有董事长、总工程师和分管安全、生产、机电的副总经理,以及负责机电、安全等方面工作的副总工程师;设置有机电管理部、总调度室、安全管理部、安全督查大队等负有日常安全管理监督职责的职能部门。
《营业执照》统一社会信用代码91140000602161688N,营业期限为长期。
《安全生产许可证》编号(晋)MK安许证字〔2023〕BYGQ010SB2,有效期限自2022年11月17日至2025年11月06日。
(二)马脊梁矿基本情况
1.矿井概况
马脊梁矿隶属于晋控煤业集团,属大型国有重点煤矿。矿井位于山西省大同市云冈区云燕街道,大同煤田西北部,地跨大同市云冈区及左云县,距大同市区40km,西距左云县城30km。
该矿前身为1949年在接收和改造解放前小煤窑基础上成立的大同矿务局马脊梁矿,许可开采侏罗系煤层,井田面积为32.3337km2。随着侏罗系可采资源的逐渐减少,2008年10月石炭二叠系延深工程开工。2018年10月侏罗系煤层回采已全部结束。
矿井目前许可开采石炭系3#、5#煤层,设计生产能力430万吨/年,石炭系井田面积为9.3875km2。矿井为低瓦斯矿井,
煤层自燃倾向性为自燃煤层,煤尘具有爆炸性,水文地质类型中等。
2.证照情况
《营业执照》统一社会信用代码91140000110521608N,企业类型为有限责任公司分公司(国有控股),营业期限长期,法定代表人姚富强。
《采矿许可证》证号为C1400002020061220150160,有效期限自2022年6月24日至2024年6月24日。石炭二叠系井田面积9.3875km2,扣除井巷工程投影面积1.2727km2,剩余面积21.674km2目前仍属空白资源,尚未批准由马脊梁
矿进行开采,该矿一盘区局部、二盘区全部在该区域,属越界开采。
《安全生产许可证》编号(晋)MK安许证字〔2023〕BYGJ045S,有效期自2023年9月1日至2024年6月24日。
矿长姚富强《安全生产知识和管理能力考核合格证》证号142723197806220617,有效期自2023年8月28日至2026年8月27日。
3.管理机构设置及人员配备情况
矿井现有职工
4738人,其中采掘一线职工1247人,井下辅助职工1808人,地面职工1683人。
安全管理人员375人,特种作业人员642人。
配备有党委书记、矿长、安全副
矿长、机电副矿长(代理生产副矿长)、总工程师、开拓副矿长等
9名领导班子成员,另有负责机电、安全等工作的副总工程师和高级主管8人。
设有综采一队、综采二队、安装
队等
14个一线队组;
皮带队等7个辅助单位;
调度室、机电管理科、安监站等13个职能科室和18个机关单位及3家三产单位。
(三)马脊梁矿主要系统
1.开拓方式及采掘布置
马脊梁矿采用斜井—立井混合开拓方式。矿井现有6个井筒,其中3个斜井为进风斜井、高山主斜井和副斜井,3个立井为副立井、西一回风和回风立井。井下硐室主要布置于3#、5#、8#层,有中央变电所、中央水仓、中央水泵房和永久避难硐室等。
井田设三个水平,主水平设在5#煤层,3#、8#煤层为辅助水平,分别沿井田中部布置盘区胶带、辅运、回风巷。目前主采3#煤层,布置一盘区和二盘区正常开采;5#煤层盘区巷已形成系统,8#煤层尚未开拓。
事故发生前矿井生产情况为:1个安装工作面、1个停采工作面、6个掘进工作面。
越界开采的为安装工作面3#层二盘区8202工作面(事故发生地点)。
界内采掘工作面为停采的3#层一盘区8107采煤工作面和6个掘进工作面,分别为3#层一盘区5109回风顺槽反掘、正掘、3#层一盘区5115回风顺槽、5#层一盘区5103回风顺槽、5#层一盘区2103运输顺槽、5#层一盘区2103运输顺槽和3#层一盘区2115巷撤退掘进工作面。
2.通风系统
通风方式为分区混合式,通风方法为机械抽出式。共有四个进风井(进风斜井、高山主斜井、副斜井、副立井),两个回风井(西一回风、回风立井)。矿井目前总进风量29178m3/min,总回风量29543m3/min。
3.供电系统
地面工业场地分别建有四个35kV变电站供电,分别为马脊梁35kV变电站、万家嘴35kV变电站、集运站35kV变电站和辛庄35kV变电站,四个变电站为地面工业场地和井下生产盘区提供电源。
井下设置有六处变电所为不同用电点供电,3#层盘区变电所、5#层中央变电所采用10KV四回路电源供电,3#层盘区配电点采用10KV两回路电源供电,3#层变电所采用6KV三回路电源供电,东部中央变电所和中部变流室采用6KV双回路电源供电。
4.运输系统
煤流由工作面皮带经3#层盘区皮带、集中皮带运至溜煤眼,通过胶带暗斜井皮带转运至11#煤仓,经外运二部、头部大巷皮带运至1#煤仓,经新高山主斜井皮带运至地面。人员可通过进风斜井和胶带暗斜井安装的架空乘人装置出入井,也可以从副立井乘罐笼直接进入3#、5#煤层,再由无轨胶轮车运送至各采掘工作面巷口。一般设备材料经副斜井、+1136m水平运输大巷、材料暗斜井至3#煤层换装硐室;液压支架等大型设备由副立井运至3#煤层井底车场,再通过无轨胶轮车运送至各采掘作业地点。
5.排水系统
矿井主水仓位于副立井5#煤层井底车场附近的主水泵房,水仓容量2750m3,中央水泵房安装型号为MD420
-92×7(P)型矿用耐磨多级离心式主排水泵(功率1250kW,扬程644m,流量420m3/h),通过沿副立井敷设的2趟DN300管路将井下积水排至地面污水处理厂,经处理后送至地面静压水池。
6.防灭火系统
副立井工业场区安装3套DT
-3000/98型制氮机,制氮能力3000m3/h,配套6台LU355-8型螺杆式空气压缩机,经DN300管路入井,在采面布置两趟DN125钢丝缠绕管注氮;该矿在副立井工业场地内设有灌浆站,安装LHZ-40型制浆机,经DN100管路入井;回采工作面设备列车处安设BZ4/15-G型阻化剂泵,阻化剂为浓度20%的工业氯化镁溶液。配备SG-2003型束管监测系统进行巡回取样分析。
7.安全避险“六大系统”
安全监控系统采用的是重庆梅安森科
技股份有限公司研制的
KJ73X型。
井下人员定位系统型号为KJ150A,共安装井下防爆交换机4台,读卡器96台。
地面通讯系统主交换机为美国AT&T公司生产的5ESS型程控机,装机容量2000门,井下程控交换机,是浙江大华有限公司生产的KTJ220型数字程控调度交换机,容量380门。
压风供水自救装置型号为ZYJG型,压风自救系统的风源由副立井工业广场压风机房压风机提供,供水施救系统的食用水源由地面矿井水处理厂西部静压水库和东部西库静压水库提供。
在3#层副立井车场建有井下永久避难硐室。
8.工业视频监控系统
矿井工业视频监控系统组建于2020年7月,包含了6台流媒体服务器,1台视频存储服务器,14台硬盘录像机和48块6TB硬盘组成的磁盘阵列,及17台井下万兆交换机和88台监控摄像头。视频信号就近接入地面及井下万兆视频工业环网节点传输设备,在调度室可实现对视频信息的显示、存储、监管、处置。
9.事故地点监测监控、人员定位和视频监控系统情况
2023年7月11日国家矿山安全监察局检查后,马脊梁
矿进行停产整顿,随即停止8202采煤工作面安装,8月11日完成该工作面密闭工作。密闭前该矿对8202采煤工作面(事故地点)监测监控设备、人员定位设备、视频监控设备进行了拆除。2024年1月2日工作面启封至事故发生前,未恢复上述系统。
二、事故地点及相关情况
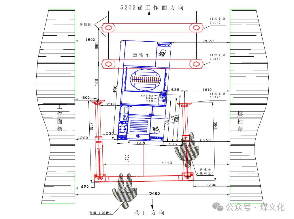
事故发生地点位于石炭系3#层二盘区8202采煤工作面回风顺槽超前支护段13#门式支架处(距切巷37.29m),如图1所示。
图1事故地点及矿界区域示意图
(一)工作面基本情况
8202工作面为越界布置采煤工作面。其东北为3#层二盘区大巷;东南、西南均为实煤区;西北为8113工作面。上覆14-2#层、14-3#层为四老沟矿、雁崖矿采空区及小窑破坏区,与上覆14-3#层的层间距平均240.07m。
工作面倾向长度为243m,运输和回风顺槽长度均为2374m,可采长度2260m,工作面倾角平均2.5°,属近水平煤层。该工作面煤层赋存较稳定,煤层厚度平均6.98m,含1-5层夹矸,以泥岩、高岭岩为主。其运输顺槽设计断面5.4×3.6m,回风顺槽设计断面5.4×3.7m,均沿煤层底板掘进。
(二)工作面安装、密闭及启封等情况
8202工作面于2023年2月13日圈出,5月10日开始由安装队进行安装,6月28日主要设备基本安装完毕。7月11日,国家矿山安全监察局检查后,责令矿井停止安装该工作面、退回界内、停产整顿。8月11日矿井完成该工作面密
闭工作,密闭时运输顺槽超前支护已安装完毕,回风顺槽已安装13架门式支架,剩余未组装的47组门式支架及履带运输车也封闭在内。
2023年9月8日矿井重新取得安全生产许可证后复产。2024年1月2日,马脊梁矿擅自启封该工作面,1月10日矿长姚富强安排综采二队负责8202工作面的文明生产、安装队负责工作面设备安装等相关工作。
(三)工作面门式支架、履带运输车情况
8202工作面回风顺槽超前支护段首次使用门式支架进行支护,支护排距1800mm,共需支设60架,密闭前已支设
了13架。门式支架由大同煤矿集团机电装备公司中央机厂生产,型号MZH2×1200-26.5-42,配套山西天地煤机装备有限公司生产的WCL5Y防爆柴油机履带运输车进行超前段运输。
1.相关特点
单组门式支架具有“头重脚轻”易倾倒的特点。“头重”:顶梁长度3500mm,宽度430mm,顶梁厚270mm,重量1320kg;“脚轻”:立柱长度2020mm,柱径160mm,单根立柱重量600kg,立柱底部托盘直径500mm,且立柱与底部托盘采用球形万向节联接方式。由于顶梁重量大,单组门式支架无稳定状态,若支架间不连接,极易失稳倾倒。
履带运输车升降平台具有熄火后缓慢自降的特点。为了保护自身液压系统及相关零配件,运输车在熄火后,升降平台在重力影响下会缓慢自降。事故调查组经过现场对该车辆进行空载和负载测试,结果显示升降平台在空载状态下每小时下降3.3mm,负载门式支架状态下每小时下降11.2mm。
2.状态还原
事故调查组经过对现场倾倒的13#门式支架及运输车勘察测量(如图2所示)和对涉事人员的调查取证,还原了门式支架与运输车升降平台的状态
图2 8202工作面回风顺槽13#门式支架处
如图3所示,13#门式支架被托起后未完全放进卡槽内,其顶梁底部距升降平台仍有至少282mm距离,与卡槽末端半
圆弧区域重合深度最大处仅为18mm,顶梁已接近脱离状态。
自事故当天20时20分履带运输车熄火,至22时28分事故发生,负载着门式支架的升降平台缓慢自降约22.4mm,顶梁
与旋转台卡槽处于脱离状态。
同时,巷道倾角2.5°,工作面方向高、巷口方向低,由于顶梁重量较大,立柱与托盘采用球形万向节联接方式,在无任何防倒措施的情况下,造成支架失稳倾倒。如图4所示。
图4事故地点伤亡人员及现场设备位置示意图
(四)工作面安装相关规程和措施情况
1.编制及贯彻情况
《安装队各工种操作规程》由安装队技术员赵晓宇于2023年1月10日编制完成,2023年1月16日由矿长姚富强组织相关部门完成规程会审、审批。安装队于5月9日-30日、6月1日-24日组织作业人员对操作规程进行了月度贯彻学习。
《3#层二盘区8202工作面地面及井下设备稳装安全技术组织措施》由安装队技术员袁振于2023年4月12日编制完成,4月13日由矿总工程师李钊组织相关部门完成规程会审、审批。安装队于5月1日-9日对队内作业人员进行了贯彻学习,至6月底安装过程中,结合安装进度进行了专项贯彻。
《3#层二盘区8202工作面5202巷门式支架维护安全技术组织专项措施》由安装队技术员袁振于2024年1月14日编制完成,1月14日由安全副矿长李铖翔组织相关部门完成措施会审、审批。
上述安装相关的规程和措施在2024年1月2日8202采煤
工作面启封密闭后,马脊梁矿均未组织作业人员重新贯彻学习。
2.规程措施中的相关规定
《安装队各工种操作规程》中门式支架操作工安全技术操作规程的第32条:“如果车辆无法移动,无法卸架时,应将门式支架用Φ18×64mm矿用圆环链条将其顶部和巷道顶部相连(至少左右各两根链条)牢固。将车辆熄火,上阻车器并在前后10米外设置明显拦人警示标志。”
运行注意事项第13条:“当车辆在运行过程出现故障时导致不能行驶必须拉好驻车制动装置、并在履带下放置止退器,必须保持车灯常亮,并在车辆前后30米范围设置警戒,及时向调度汇报。”
《3#层二盘区8202工作面5202巷门式支架维护安全技术组织专项措施》第四条第2款第16项规定:“如果车辆无法移动,无法完成卸架时,将门式支架用Φ18×64mm矿用圆环链条将其顶部和巷道顶部锚索或锚杆用可靠连接件(至少左右各两组链条)相连牢固,并使用上述链条将支架与履带车辆抱死,严防支架脱落。将车辆熄火,前后驾驶室内驻车制动手柄至少有一个置于“制动”位置、操作手柄置于中位,关闭气路总开关,上好阻车器并在前后30米外设置明显拦人警示标志。派专人看管,严禁离开施工地点,等待专业维修人员,禁止无关人员靠近。”
三、事故经过、应急处置及报告情况
(一)事故经过
2024年1月14日7时许,马脊梁矿机电副矿长吴晓明口头安排安装队队长王立派人处理8202采煤工作面回风顺槽超前支护段13#门式支架不接顶故障,王立安排书记马利有中班派人处理。
1月14日14时,安装队书记马利有主持班前会,安排副队长赵华(上岗干部)、班长杨永明、员工张旺、靳宝中4人到8202采煤工作面回风顺槽超前支护段处理13#门式支架不接顶故障。
14时42分,赵华、杨永明、张旺、靳宝中4人从进风斜井陆续入井。
16时04分,4人乘坐无轨胶轮车到达3#层盘区辅运巷1600m处(距8202采煤工作面回风顺槽调车硐室约3000m)。
16时20分许,4人到达8202采煤工作面回风顺槽2280m存
放门式支架的调车硐室处(调车硐室距WCL5Y履带运输车约30m,距13#门式支架约50m,距8202切巷87m)。
16时21分许,4人步行到达13#门式支架处,遇到综采二
队盯班安检工马春明。赵华、杨永明、马春明一起进行现场安全检查。随后赵华、杨永明、张旺、靳宝中4人返回履带运输车处检查车况,发现车辆缺柴油、乳化油。赵华安排杨永明、张旺、靳宝中加油,加完油后张旺启动车辆(车辆启动所需气压为0.7Mpa以上,实际启动后气压不足0.7Mpa)。车辆启动后赵华安排杨永明、靳宝中去调车硐室码放配件、收拾杂物,随后张旺将履带运输车开到13#门式支架下,赵华与张旺一起处理门式支架不接顶故障。
张旺操作履带运输车升降手柄,用升降平台卡槽支撑住门式支架顶梁,拆除与12#门式支架间防倒链。赵华将门式
支架乳化液管与车辆液压泵快速插头连接,准备给门式支架供液升架,发现煤壁侧立柱安全阀损坏,不能供液。
20时20分,履带运输车突然熄火。赵华去车场寻找安全阀并更换以后,对车辆进行了检查。
20时54分,赵华到距13#门式支架30m电话处向安装队值班室当班值班干部技术员张登峰汇报,履带运输车无法启动,门式支架未接顶,距巷道顶板20-30mm。
21时00分,张登峰打电话询问车辆故障情况。赵华汇报车辆仍无法启动。张登峰向安装队书记马利有汇报。马利有赶到值班室,安排赵华用压风管给车辆补气。随后赵华、张旺找来充气管给车辆气包补气,补气后车辆依然无法启动。
21时11分,赵华再次向张登峰汇报车辆依然无法启动。张登峰经请示马利有后,告知赵华处理不了就让夜班处理吧。赵华告知张登峰门式支架没有接顶,夜班不要直接降下来。随后赵华、张旺在明知存在安全风险的情况下,未按操作规程规定将门式支架顶梁用圆环链与巷道顶部连接并设
置警戒线、警示标志,仅将车辆打到制动状态就来到调车硐室找到杨永明、靳宝中,然后4人下班出井。
22时09分,赵华、杨永明、张旺、靳宝中从副立井出井。
22时25分许,综采二队当班作业结束,工作面内16人(上
岗干部郝瑞军、生产副队长王杰(小)、班长范志敏以及工人李亮、闫志强、曹飞、吴润兵、张叶军、胡建新、李进文、张军、王杰(大)、徐景旺、韩志峰、魏利元、刘晋)向8202
采煤工作面回风顺槽调车硐室方向行走,准备与夜班人员交接班。其中刘晋、魏利元行走在人群后方。行进过程中,前方行走人员突然听到后方有人喊叫。众人回身查看,发现刘晋被门式支架顶梁中部压住小腿正大声呼救,头部朝顺槽口方向,仰面侧躺,左脸着地;魏利元整个身体被靠煤柱侧门式支架立柱压住,头部朝顺槽口方向,趴在地上,右脸着地。
(二)应急处置情况
事故发生后,综采二队王杰(小)立即安排众人抬门式支架救援,发现抬不动。
随即安排范志敏、王杰(大)、曹飞、徐景旺4人前往8202运输顺槽转载机处取3t手拉葫芦准备救援。
22时30分,王杰(小)跑到距事发点30m电话处,分别向综采二队值班室技术员张天明、矿调度室调度员陈继顺汇报事故情况。
22时50分许,将3t手拉葫芦取回后,现场人员将3t手拉
葫芦吊挂在顶板锚索上,并与门式支架顶梁固定。李亮、闫志强操作3t手拉葫芦起吊。安装手拉葫芦过程中王杰(大)、徐景旺、曹飞3人使用钻杆、塑料网制作简易担架。将门式支架顶梁吊起20cm左右,众人将刘晋救出,王杰(大)、曹飞、李亮、徐景旺4人将刘晋抬上简易支架并抬到调车硐室处无轨胶轮车上,随同陪护出井。刘晋被救出后,其余人员继续操作3t手拉葫芦对魏利元进行救援。
23时28分,将魏利元救出,闫志强、范志敏、韩志峰、张军4人使用包裹门式支架的编织袋将魏利元抬到调车硐室无轨胶轮料车上,由王杰(小)陪同,无轨胶轮料车司机刘健驾驶无轨胶轮料车出井。
23时29分,刘晋被送至副立井井底。
23时32分,刘晋被送至地面。曹飞、李亮、李进文、薛文军4人陪同乘坐救护车,将刘晋送往国药同煤总医院恒安院区。
1月15日1时08分,刘晋被送至医院,经诊断为下肢创伤性切断(左小腿中段以远毁损伤)、(右)踝关节骨折。
0时34分,魏利元被送至副立井井底。
0时50分,魏利元被送至副立井地面,由王杰(小)陪同乘坐江淮商务车将魏利元送往同煤总医院恒安院区。
2时38分,魏利元被送至医院,经医院抢救无效,于4时20分宣布死亡。
(三)事故报告情况
2024年1月14日22时28分,8202工作面回风顺槽综采工作面风顺槽超前支护段发生一起机电事故后,李铖翔在1月14日0时17分,向大同市应急管理局进行汇报。1月14日0时42分,陈继顺向国家矿山安全监察局山西局监察执法二处电话汇报。0时47分,向山西局报告事故。
4时28分,调度室陈继顺、梁飞分别向国家矿山安全监察局山西局、大同市应急管理局汇报人员抢救情况。
事故发生时间为2024年1月14日22时28分。安全副矿长李铖翔接到事故汇报时间为22时41分,向大同市应急管理局电话汇报时间为0时17分,向国家矿山安全监察局山西局监察执法二处电话汇报时间为0时42分。
马脊梁矿未在规定时间内报告事故,属迟报。
(四)应急救援评估
1.应急响应情况:2024年1月14日22时28分事故发生,23时27分矿长姚富强接到事故汇报,用时59分钟;事故发生后,马脊梁矿也未立即通知井下带班领导赶赴现场,反映出该矿在应急响应方面不及时。
2.应急处置情况:救护车辆分工不合理,较重伤者出井后未搭乘救护车送往医院,途中历经近两个小时,造成救援处置不及时。
四、企业安全管理情况及存在的主要问题
(一)马脊梁矿安全管理及存在问题
1.安全管理情况
马脊梁矿于2024年1月3日编制并下发了《马脊梁矿加强2024年安全生产工作的决定》(晋控煤业马党发〔2024〕1号晋控煤业马办字〔2024〕1号)、《马脊梁矿生产安全责任追究办法》(晋控煤业马党发〔2024〕2号晋控煤业马办字〔2024〕2号)、《2024年安全管理制度》(晋控煤业马党发〔2024〕3号晋控煤业马办字〔2024〕3号)、《全员安全生产责任制》(晋控煤业马党发〔2024〕6号晋控煤业马办字〔2024〕6号)。
经查,马脊梁矿每周由矿长组织,安监站牵头,各职能部门参与对全矿开展一次全覆盖的安全隐患排查活动。2023年9月-2024年1月份,共组织进行19次全矿安全隐患大排查,查出一般隐患1639条,无重大隐患。其中由于8202工作面处于密闭状态,2024年1月2日启封前,未检查出安全隐患,没有提出门式支架相关隐患。
2.存在的主要问题
1.超层越界开采。马脊梁矿拒不执行国家矿山安全监察局要求矿井退回许可矿界内的指令,擅自组织启封布置在越界空白区域的工作面。
2.未要求当班落实安全措施。安装队值班技术员、值班书记明知门式支架故障未处理完毕,存在安全风险,未要求当班作业人员严格按照操作规程和安全措施落实防倒措施,致使作业现场的安全风险失管失控。
3.未重新组织规程措施贯彻。
长期密闭的82
02工作面启封后,马脊梁矿未对相关作业人员重新贯彻操作规程和安全措施,安装队在事故当班也未对维护门式支架作业人员进行贯彻学习。
4.未进行有效的风险辨识和隐患排查治理。安排工作的矿领导、安装队干部及班组长未进行作业地点安全风险辨识及强调安全注意事项;矿井隐患排查治理能力不足,对超层越界等重大隐患及安装作业中涉及门式支架安装、使用、维护过程存在的高风险分析排查不到位。
5.未认真组织新设备培训。马脊梁矿对门式支架和履带运输车设备首次在矿井投用重视程度不够,仅邀请厂家人员现场操作培训四个班次,未能确保员工真正掌握规程、措施要求,且未对安装队进行培训。
6.未落实业务保安。
马脊梁矿机电管理部门未能认真履行“管业务必须管安全”,在8202工作面多队组平行作业时,
未安排相关管理人员进行总体协调及现场指挥,未能对设备完好以及规程操作情况做到有效指导监督。
7.未恢复监测监控系统。工作面启封后至事故发生前,
未恢复人员定位、监控系统及视频系统的情况下,盲目组织队组进入工作面进行作业,违反“无监控不作业”的规定。
(二)晋控煤业集团安全管理及存在问题
1.安全管理情况
2024年1月2日,晋控煤业集团下发《晋能控股煤业集团有限公司关于加强2024年安全生产工作的决定》(晋控煤业经发〔2024〕1号)、《晋能控股煤业集团有限公司生产安全责任追究办法(试行)》(晋控煤业经发〔2024〕2号)、《晋能控股煤业集团有限公司2024年安全管理制度》(晋控煤业经发〔2024〕3号文件);2023年6月6日下发《晋能控股煤业集团有限公司机电设备管理办法(试行)》(晋控煤业经发〔2023〕125号)。
经查,晋控煤业集团业务处室挂牌包保每月、业务部门每季度最少对所辖煤矿进行一次检查。2024年1月至事故发生时,对马脊梁进行检查3次,分别是1月8日,综采办公室查出3条问题;1月9日,业务处室挂牌包保(地质测量部)查出4条问题、生产技术部查出7条问题、机电部辅助运输办公室查出23条问题,已全部“三定五落实”整改完毕,无重大安全隐患。检查部门对8202综采工作面启封情况不知情,未到该工作面监督检查。
2.存在的主要
问题
安全检查避重就轻。集团业务处室多次入矿检查均未对
越界工作面封闭情况进行监督,对政府下达的退回矿界指令重视不够,对8202采煤工作面擅自启封情况失察。
五、地方煤矿安全监管部门监管情况及存在的主要问题
(一)大同市应急管理局安全管理情况及存在问题
1.安全管理情况
大同市煤矿安全监管大队每月对包保矿井全覆盖检查,2024年1月至事故发生时,对马脊梁进行检查2次,分别为1月2日查出10条问题,1月10日查出6条问题,已全部
“三定五落实”整改完毕,无重大安全隐患。两次检查均无8202采煤工作面问题。
2.
存在的主要问题
地方监管部门未认真履职。包保马脊梁矿的煤矿安全监管执法人员对所包保煤矿日常检查不细致,在检查中未发现矿井擅自启封矿界外工作面。
六、事故类别、事故造成的人员伤亡和直接经
济损失
事故类别:经调查认定,本起事故类别为一般机电事故。
人员伤亡情况:
经调查,本起事故共造成1人遇难、1人重伤。
直接经济损失:
依据《企业职工伤亡事故经济损失统计标准》(GB6721-1986)和有关规定统计,事故共造成直接经济损失211.7361万元。
七、事故原因和性质
(一)事故原因
1.直接原因
矿井拒不执行监管监察指令,违法越界在8202综采工作
面组织开采,在明知存在风险,且未采取防倒措施,未设置安全警戒情况下,组织人员冒险作业,门式支架失稳倾倒,造成一人遇难,一人重伤事故。
2.间接原因
(1)马脊梁矿违法违规组织生产。拒不执行国家矿山安全监察局要求矿井退回许可矿界内的指令,擅自组织启封布置在越界空白区域的工作面;工作面启封后,在未恢复人员定位、监控系统及视频系统的情况下,盲目组织队组进入工作面进行作业;机电副矿长代理生产副矿长、总工程师长期请假,“五职矿长”配备不全的情况下仍然组织生产。
(2)马脊梁矿安全管理严重缺失。
长期密闭的工作面启封后,既未进行风险辨识、规程措施贯彻,也未对履带运输车等重点设备检查维护,组织的隐患排查和操作培训也流于形式;在多队组高风险平行作业中,未安排现场安全管理和协调指挥人员,盲目进行设备安装相关作业。
(3)马脊梁矿岗位安全责任层层失守。
运输车司机未认真检查车辆气压,盲目操作车辆及升降平台;维护作业人员未认真检查门式支架顶梁是否完全放进升降平台卡槽;值班干部未要求现场人员立即采取相应措施,即默许作业人员离开现场,最终导致门式支架风险失管失控。
(4)马脊梁矿汲取事故教训不到位。马脊梁矿在连续发生2019年“5.14”、2022年“4.13”和2023年“7.14”
等多起一般机电事故后,未深刻汲取事故教训,未采取针对性管控措施,导致同类型事故再次发生。
(5)马脊梁矿上级公司未认真落实主体责任。
晋控煤业集团未认真落实对马脊梁矿的安全管理责任,对该矿日常监督检查力度不大、质量不高、覆盖面不全,未能发现越界开采、安全管理混乱等问题。
(6)地方煤矿安全监管部门未严格落实监管责任。
大同市应急局落实上级关于安全生产的方针政策及规定不到位,安全监管不力,对马脊梁矿检查不严不细,对该矿在越界开采、安全管理混乱方面的问题失察。
(二)事故性质
经调查认定,本起事故是一起生产安全责任事故。
八、事故责任认定与处理建议
事故调查组建议对马脊梁矿矿长移送司法机关依法处理并给予党内严重警告(影响期2年)、撤职处分和行政处罚;对马脊梁矿安装队副队长,移送司法机关依法处理;对马脊梁矿党委书记给予撤销党内职务处分和行政处罚;对马脊梁矿安全副矿长、机电副矿长等2人给予党内严重警告(影响期2年)、撤职处分和行政处罚;对马脊梁矿机电管理部部长、安装队队长、安装队党支部书记等5人给予党纪政务处分;对晋能控股煤业集团有限公司机电副总经理、机电管理部部长等2人给予党纪处分、组织处理或行政处罚;对大同市应急管理局(地方煤矿安全监督管理局)综合行政执法支队队员、煤矿监管“五人小组”组长1人给予组织处理。
针对马脊梁矿超层越界开采的违法行为,移送至大同市规划和自然资源局进行依法处理;马脊梁矿未配备专职生产副矿长,属于重大安全生产隐患,依据《国务院关于预防煤矿生产安全事故的特别规定》第十条第一款之规定,建议对马脊梁矿处罚款人民币壹佰伍拾万元整(*1,500,000
.00);马脊梁矿拒不执行退回矿界指令,不遵守“无监控不作业”
规定,明知存在重大隐患而不排除,仍冒险组织作业,导致发生一起一般责任事故,造成1人遇难、1人重伤,情节特别严重、影响特别恶劣,依据《中华人民共和国安全生产法》第一百一十四条之规定,建议对马脊梁矿处罚款人民币伍佰万元整(*5,000,000.00);马脊梁矿事故发生后迟报,依据《煤矿安全监察条例》第四十六条第(一)项之规定,给予马脊梁矿警告,并处罚款人民币壹拾伍万元整(*150,000.00);马脊梁矿近年来连续发生“5.14”(2019年)、“4.13”(2022年)和“7.14”(2023年)多起一般机
电事故,性质恶劣、情节严重,按照国家矿山安全监察局山西局《煤矿安全生产严重失信主体名单管理办法》,建议将马脊梁矿纳入安全生产严重失信主体名单管理。
九、防范措施与整改建议
为深刻汲取事故教训,举一反三,补齐生产安全短板,完善相关管理措施,有效防范和遏制类似生产安全事故,提出如下措施建议:
(一)加强员工安全思想教育,提高全员安全意识。
马脊梁矿要常态化组织从业人员反复观看、学习《黑色三分钟生死一瞬间》系列视频教材,使干部、员工深刻汲取事故教训,敬畏安全,敬畏生命,树牢“三不伤害”理念,真正“看明白、想明白、干明白”,从思想根基上提升安全意识、责任意识,提高安全素养,有效遏制“三违”行为发生。
(二)深入开展岗位操作规程学习,加强对新设备的安全教育和培训。马脊梁矿要深入开展岗位操作培训,使用新设备时,要让每名员工熟悉掌握新设备的性能、操作规程,以及注意事项,切实提高从业人员的自保互保意识、业务素质、操作技能和风险管控能力,引导从业人员自觉遵守安全生产规章制度和作业规程。
(三)加强业务部门监督管理工作。
马脊梁矿各业务部门管理人员要深入井下现场,对重点环节、变化作业科学指导,如实告知作业场所和工作岗位存在的危险因素、防范措施以及事故应急措施,提高从业人员安全生产责任意识和操作技能,进一步提升员工自保互保意识,使从业人员真正做到“不伤害自己、不伤害他人、不被他人伤害”。
(四)规范现场平行作业管理。马脊梁矿要制定平行作业管理办法,首先要避免或减少安排多队组平行作业,确实需要多队组平行作业时,要安排矿领导跟班带班,落实统一管理管控措施,包括措施制定与培训考试、班前会召开、出入井现场协调、安全互保联保,严禁各自为阵,分散管理。
(五)加强隐患排查治理,消除现场安全风险。
马脊梁矿要立即开展一次全面专项安全风险辨识和隐患排查,重点针对每个环节、每个部位、每个岗位可能导致事故发生的“人的不安全行为、物的不安全状态、管理缺陷和环境因素”进
行专项风险辨识评估,制定针对性管控措施,并严格落实执行。相关业务部门要派人对作业现场进行巡查,基层区队每班开工前必须组织隐患排查,对各级人员查处的隐患必须及时安排人员处理,未处理完成的必须设置安全警戒、安全标识,留设人员进行看守,防止隐患引发事故。
(六)强化“无监控不作业”,持续开展“用视频、反三违、防风险”活动。
马脊梁矿要加大安全投入,在维护好、使用好现有视频监控设备的基础上,不断改造、增补,强化高清智能视频设备安设,实现煤矿所有有人作业场所视频监控全覆盖,构建无监控不作业、作业行为受监督的作业现场可视化监控环境。
(七)进一步增强法治意识、依法依规办矿。马脊梁矿要强化法治意识、规矩意识,严格遵守采矿秩序,杜绝越界开采等违法行为,坚持依法办矿、依法管矿,严格执行事故信息上报规定,及时准确上报事故。
(八)上级公司要切实履行安全管理主体责任。晋能控股集团有限公司、晋控煤业集团要强化各类专项整治的组织领导,严格监督所属煤矿树立安全发展理念,杜绝越界开采等严重违法行为,切实履行对所属企业安全管理的主体责任;要进一步加强对所属煤矿的业务技术指导,提高矿井安全保障能力,严防各类安全生产事故的发生。
(九)切实加强地方政府监管责任的落实。大同市地方煤矿安全监管部门要进一步强化安全监管责任,持续保持打非治违高压态势,严厉打击以越界开采为重点的违法违规行为。要加强执法队伍能力水平建设,按要求开展业务培训,充分发挥监管职能,切实担负起日常安全监管职责,监督煤矿落实安全生产主体责任,督促煤矿有效开展安全风险分级管控和隐患排查治理工作,切实落实管控措施,确保安全生产。
打赏
更多
>
同类资讯
• 上海公司召开3月份生产经营分析
0
条
相关评论
推荐图文
推荐资讯
点击排行
0
1
北京西城区法院发布“重疾险理赔纠纷白皮书”,给我们带来了哪些启发呢?
0
2
《中国草莓产业报告》——从“红颜”到“淡雪”,千亿草莓产业正驶入现代化快车道!
0
3
中国第一本!《绿色科技地产发展战略》 白皮书2.0版正式发布
0
4
中国首部核安全白皮书来了(附全文)
0
5
公司召开2026年度经营分析会
0
6
体制外的“自由求职”市场,就业趋势很明朗
0
7
【行业观察】从“规模化落地元年”进入“商业爆发期”!2025年全球AI Agent行业发展回顾及2026年展望
0
8
【行业观察】刘强东带京东兄弟共同富裕,车企打工人羡慕
0
9
2026中国绿化养护标书制作行业白皮书
网站首页
|
关于我们
|
联系方式
|
使用协议
|
版权隐私
|
网站地图
|
排名推广
|
广告服务
|
积分换礼
|
网站留言
|
RSS订阅
|
违规举报
|
皖ICP备20008326号-18
(c)2008-2022 免费发布网 All Rights Reserved