
要想成为一名合格的电工,看电路图是最基本的技能。
什么是电路图呢?电路图用导线将电源、开关(电键)、用电器、电流表、电压表等连接起来组成电路,再按照统一的符号将它们表示出来,这样绘制出的就叫做电路图。电路图是用符号表示实物图的图示。

电路图是人们为研究、工程规划的需要,用物理电学标准化的符号绘制的一种表示各元器件组成及器件关系的原理布局图。由电路图可以得知组件间的工作原理,为分析性能、安装电子、电器产品提供规划方案。可能设计电路图较麻烦,不过要想学会看懂电路图就很容易了。
其实电路图方面的知识并不是太难,稍加学习,你也能轻松看懂电路图。
作为电工,平时可能会遇到很多我们陌生的电路,这个时候一张电路图就变得非常重要了。
首先需要知道电路图的每个元件的图纸含义,和实际物品相对应。其次需要看懂之间连线的绘制方法,再次就是多看,多做,理解电工线路的走向,规范。
电气图纸一般可分为两大类,一类为电力电气图,它主要是表述电能的传输、分配和转换,如电网电气图、电厂电气控制图等。另一类为电子电气图,它主要表述电子信息的传递、处理;如电视机电气原理图。本文主要谈电力电气图的识读。
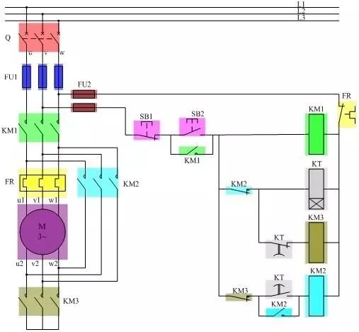
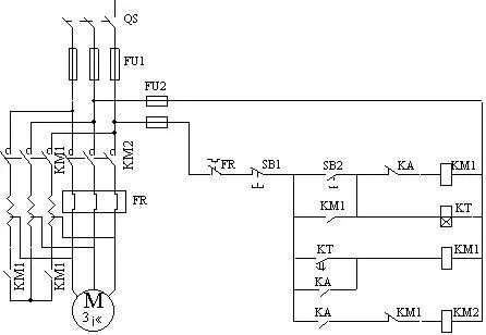
电力电气图分一次回路图、二次回路图。一次回路图表示一次电气设备(主设备)连接顺序。一次电气设备主要包括发电机、变压器、断路器、电动机、电抗器、电力电缆、电力母线、输电线等。
为对一次设备及其电路进行控制、测量、保护而设计安装的各类电气设备,如测量仪表、控制开关、继电器、信号装置、自动装置等称二次设备。表示二次设备之间连接顺序的电气图称二次回路图。


电气图主要有系统原理图、电路原理图、安装接线图。
1.系统原理图(方框图)
用较简单的符号或带有文字的方框,简单明了地表示电路系统的最基本结构和组成,直观表述电路中最基本的构成单元和主要特征及相互间关系。
2.电路原理图
电路原理图又分为集中式、展开式两种。集中式电路图中各元器件等均以整体形式集中画出,说明元件的结构原理和工作原理。识读时需清楚了解图中继电器相关线圈、触点属于什么回路,在什么情况下动作,动作后各相关部分触点发生什么样变化。
展开式电路图在表明各元件、继电器动作原理、动作顺序方面,较集中式电路图有其独特的优点。
展开式电路图按元件的线圈、触点划分为各自独立的交流电流、交流电压、直流信号等回路.凡属于同一元件或继电器的电流、电压线圈及触点采用相同的文字。
展开式电路图中对每个独立回路,交流按U、V、W相序;直流按继电器动作顺序依次排列。识读展开式电路图时,对照每一回路右侧的文字说明,先交流后直流,由上而下,由左至右逐行识读。集中式、展开式电路图互相补充、互相对照来识读更易理解。
3.安装接线图
安装接线图是以电路原理为依据绘制而成,是现场维修中不可缺少的重要资料。安装图中各元件图形、位置及相互间连接关系与元件的实际形状、实际安装位置及实际连接关系相一致。图中连接关系采用相对标号法来表示。


1.学习掌握一定的电子、电工技术基本知识,了解各类电气设备的性能、工作原理,并清楚有关触点动作前后状态的变化关系。
2.对常用常见的典型电路,如过流、欠压、过负荷、控制、信号电路的工作原理和动作顺序有一定的了解。
3.熟悉国家统一规定的电力设备的图形符号、文字符号、数字符号、回路编号规定通则及相关的国标。了解常见常用的外围电气图形符号、文字符号、数字符号、回路编号及国际电工委员会(IEC)规定的通用符号和物理量符号(相关资料附后)。
4.了解绘制二次回路图的基本方法。电气图中一次回路用粗实线,二次回路用细实线画出。一次回路画在图纸左侧,二次回路画在图纸右侧。由上而下先画交流回路,再画直流回路。同一电器中不同部分(如线圈、触点)不画在一起时用同一文字符号标注。对接在不同回路中的相同电器,在相同文字符号后面标注数字来区别。
5.电路中开关、触点位置均在'平常状态'绘制。所谓'平常状态'是指开关、继电器线圈在没有电流通过及无任何外力作用时触点的状态。通常说的动合、动断触点都指开关电器在线圈无电、无外力作用时它们是断开或闭合的,一旦通电或有外力作用时触点状态随之改变。

1.仔细阅读设备说明书、操作手册,了解设备动作方式、顺序,有关设备元件在电路中的作用。
2.对照图纸和图纸说明大体了解电气系统的结构,并结合主标题的内容对整个图纸所表述的电路类型、性质、作用有较明确认识。
3.识读系统原理图要先看图纸说明。结合说明内容看图纸,进而了解整个电路系统的大概状况,组成元件动作顺序及控制方式,为识读详细电路原理图作好必要准备。
4.识读集中式、展开式电路图要本着先看一次电路,再看二次电路,先交流后直流的顺序,由上而下,由左至右逐步顺序渐进的原则,看各个回路,并对各回路设备元件的状况及对主要电路的控制,进行全面分析,从而了解整个电气系统的工作原理。5.识读安装接线图要对照电气原理图,先一次回路,再二次回路顺序识读。识读安装接线图要结合电路原理图详细了解其端子标志意义、回路符号。对一次电路要从电源端顺次识读,了解线路连接和走向.直至用电设备端。对二次回路要从电源一端识读直至电源另一端。接线图中所有相同线号的导线.原则上都可以连接在一起。












感谢您对我们的关注
更多电力知识,请返回公众号点击文章回顾查阅!



