2024年春江苏开放大学电工电子技术第二次作业高分答案

一、2024年春江苏开放大学电工电子技术第二次作业单选题答案
1、为了保证用电安全,选择导线时应()。
A、尽量粗些
B、绝缘等级尽量高些
C、导线额定电流比实际通过电流大些
D、铜线
学生答案:C
2、热继电器作电动机的保护时,适用于()
A、重载起动间断工作时的过载保护
B、轻载起动连续工作时的过载保护
C、频繁起动时的过载保护
D、任何负载和工作制的过载保护
学生答案:D
3、交流接触器线圈电压过低将导致()
A、线圈电流显著增大
B、线圈电流显著减小
C、铁心涡流显著增大
D、铁心涡流显著减小
学生答案:B
4、自动空气开关的热脱扣器用作()。
A、过载保护
B、断路保护
C、短路保护
D、失压保护
学生答案:A
5、描述磁场强弱和方向的基本物理量是()
A、磁感应强度
B、磁通
C、磁导率
D、磁场强度
学生答案:A
6、自耦变压器不能作为安全电源变压器的原因是()
A、公共部分电流太小
B、原副边有电的联系
C、原副边有磁的联系
学生答案:B
7、电压互感器实际上是降压变压器,其原、副方匝数及导线截面情况是()。
A、原方匝数多,导线截面小
B、副方匝数多,导线截面小
C、原方匝数少,导线截面小
D、副方匝数少,导线截面小
学生答案:A
8、变压器从空载到满载,铁芯中的工作主磁通将()
A、增大
B、减小
C、基本不变
学生答案:C
9、按钮常用作接通或断开电路的开关。
A、正确
B、错误
学生答案:A
10、三相异步电动机转速越高,其转差率将()
A、越大
B、越小
C、越稳定
D、不确定
学生答案:B
11、对于理想变压器来说,下列叙述中正确的是()。
A、变压器可以改变各种电源的电压
B、变压器一次绕组的输入功率由二次绕组的输出功率决定
C、变压器不仅能改变电压,还能改变电流和电功率等
D、抽去变压器铁心,互感现象依然存在,变压器仍能正常工作
学生答案:B
12、某三相四线制供电电路中,相电压为220V,则火线与火线之间的电压为()。
A、220V
B、311V
C、380V
学生答案:C
13、三相对称电路是指()。
A、电源对称的电路
B、负载对称的电路
C、电源和负载均对称的电路
学生答案:C
二、2024年春江苏开放大学电工电子技术第二次作业填空题答案
1、异步电动机的调速可以用改变()、()和()三种方法来实现。
学生答案:极对数;电源频率;改变转差率
2、三相异步电动机(鼠笼式)的启动方法有()和()两种。
学生答案:直接;降压
3、接触器主要由()、()和()组成。
学生答案:电磁系统;触点系统;灭弧系统
4、定子用来产生()主要由()、()以及()等组成。
学生答案:旋转磁场;定子铁芯;定子绕组;机座
5、旋转磁场的旋转方向与通入定子绕组中三相电流的()有关。异步电动机的转动方向与()的方向相同。旋转磁场的转速决定于电动()。
学生答案:相序;旋转磁场;定子电流相序
6、变压器的主要组成部分是()和()。
学生答案:铁芯;线圈
7、热继电器由()、()、()三部分组成。
学生答案:双金属片;热元件;触点
8、电动机处于额定工作状态时的功率因数比空载或轻载时的功率因数(),效率比空载或轻载时()。
学生答案:高;高
9、绕线式三相异步电动机在负载不变的情况下,增加转子电路电阻会使其转速()。
学生答案:下降
10、变压器是既能变换()、变换(),又能变换()的电气设备。
学生答案:电压;电流;阻抗
11、热继电器主要用于电动机的()、()、()的保护及其他电气设备发热状态的控制。
学生答案:过载;断相;三相电流不平衡运行
三、2024年春江苏开放大学电工电子技术第二次作业简答题答案
题型:简答题主观题分值8分难度:中等得分:6
1、已知某一变压器,N1=2000,N2=200,U1=220V I2=4A,负载为纯电阻,忽略变压器的漏磁和损耗,求变压器的副边电压U2,原边电流I1和输出功率。(请手写解题过程并拍照上传,每一步得2分)
学生答案:

题型:简答题主观题分值8分难度:一般得分:8
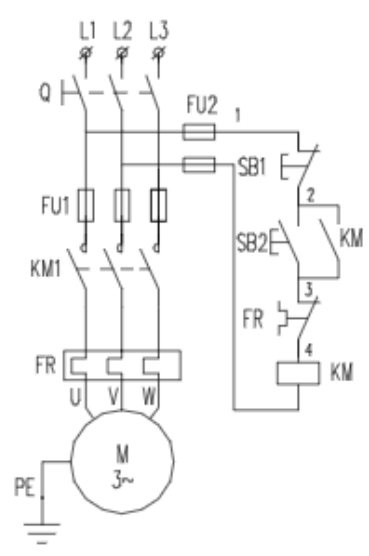
2、根据下图,说明电机连续运转控制电路的特点和工作原理。

学生答案:相比较点动控制电路,在三相电动机M的前端增加了热继电器FR,实现对电动机的过载保护,SB1和SB2分别为停止按钮与启动按钮。
电动机控制如下:合上电源开关QS,启动时,按下启动按钮SB2(2-3),接触器KM线圆(4-5)通电吸合,其主触点闭合,电动机接通三相电源启动。同时,与启动按钮SB2并联的接触器常开辅助触点KM(2-3)闭合,使KM线圈经SB2触点与接触器KM自身常开辅助触点KM(2-3)通电,当松开SB2时,KM线圈仍能通过自身常开辅助触点继续保持通电,从而使电动机获得连续运转。这种依靠接触器自身辅助触点保持线图通电的电路,称为自锁电路,这对常开辅助触点称为自锁触点。电动机需停转时,可按下停止按钮SB1,接触器KM线圈断电释放,KM常开主触点与辅助触点均断开,切断电动机主电路及控制电路,电动机停止运转。




