

近日,山东省政府对中化集团聊城鲁西双氧水新材料科技有限公司“5·1”重大爆炸着火事故调查报告作出批复,对42名相关责任人进行追责问责。山东省人民政府同意事故调查组对有关责任人员的处理建议:因在事故中死亡,3人免予追究刑事责任人员;建议依法追究包括运行三班调度和运行三班值班长等5人在内的刑事责任;对双氧水公司副总经理建议移送司法机关追究刑事责任;建议企业层面给予党纪政务处分人员18人;建议党委政府及部门层面给予党纪政务处分和组织处理人员18人。
事故直接原因:操作人员在抽吸成品罐内70%双氧水表面漂浮的少量工作液至工作液配制釜时,大量抽入了70%双氧水;工作液配制釜内原存有的氧化液、地沟工作液中含有氧化铝粉末、钯催化剂粉末、灰尘等杂质;这些杂质引起高浓度双氧水分解放热,导致釜内温度升高、双氧水分解加速、压力升高,最终引发高浓度双氧水发生剧烈分解爆炸、高浓度双氧水与工作液体系发生剧烈凝聚相爆炸,造成工作液配制釜粉碎性解体。
事故发生前,装置现场有3名操作人员正在进行工作液回收作业,另有事故企业负责人、工艺、设备和维保等9人正在排查浓缩工艺系统70%双氧水产品浓度不达标问题,并对现场安全措施进行检查和办理设备拆解、临时管线使用等检维修作业审批手续,存在多人聚集情况,造成重大人员伤亡。

2023年5月1日上午8时36分许,位于聊城高新技术产业开发区(以下简称聊城高新区)的中化集团鲁西化工集团聊城鲁西双氧水新材料科技有限公司1#双氧水装置发生爆炸着火事故,造成10人死亡、1人受伤,直接经济损失5445.31万元。
经调查认定,中化集团聊城鲁西双氧水新材料科技有限公司“5·1”重大爆炸着火事故是一起因对高浓度双氧水安全风险辨识不清,管控不力,违章操作,现场人员聚集造成的重大生产安全责任事故。
一、事故单位情况
(一)事故相关单位基本情况
1.中国中化集团有限公司(以下简称中化集团)。该公司成立于1981年8月11日,统一社会信用代码:91110000100000411L,类型为有限责任公司(自然人投资或控股的法人独资),注册资本4340421万元,法定代表人李凡荣,注册地址:北京市西城区复兴门内大街28号。经营范围:化肥内贸经营;境外期货业务;对外派遣实施承包境外工程所需劳务人员;危险化学品生产;危险化学品经营等。中化集团是中国中化控股有限责任公司(以下简称中国中化)的全资下属企业。
双氧水公司共有职工180余人,主要负责人梁毅(兼双氧水事业部部长),副总经理杨夫东,安全总监杨丙磊。公司成立了安全管理委员会,下设安全生产办公室,由杨夫东兼任办公室主任,成立了安全科作为专职安全生产管理机构,配备1名安全科长(石吉泉)、3名专职安全生产管理人员(王猛、孙涛、何志群)。经查询,主要负责人及6名安全管理人员均经主管部门安全生产知识和管理能力考核合格。

注:加黑框人员为遇难人员
双氧水公司于2019年8月6日初次取得《安全生产许可证》(编号:(鲁)WH 安许证字〔2019〕150004号),许可范围:144.6万吨/年27.5%双氧水。发生事故的1#双氧水装置始建于2012年,最初设计产能为18万吨/年27.5%双氧水。2020年5月,双氧水公司办理双氧水质量提升改造项目立项,计划改造现有生产双氧水装置提浓工序,生产50%、60%、70%浓度双氧水;2020年10月6日,双氧水公司与技术转让方沧州兰祥信息技术咨询有限公司签订双氧水浓缩技术转让协议;聊城市行政审批服务局分别于2020年12月8日和2021年1月20日颁发了《危险化学品建设项目安全审查意见书》(聊行审危化项目审字(2020)24号)和《危险化学品建设项目安全审查意见书》(聊行审危化项目审字(2021)4号),同意该改造项目通过安全条件审查和安全设施设计审查。
2021年1月21日改造项目开工建设,2021年4月8日完成施工。2021年4月27日正式投料试车,2021年8月29日完成竣工验收,2022年4月6日完成了安全生产许可证变更,许可范围增加了50%、60%、70%浓度双氧水。2022年8月4日双氧水公司办理安全生产许可证延期换证手续,取得《安全生产许可证》,有效期为2022年8月6日至2025年8月5日,许可范围:144.6万吨/年27.5%双氧水(根据不同工况,其中分别最多每年产35%双氧水30万吨、50%双氧水44.8万吨、60%双氧水3万吨、70%双氧水2.2万吨)。
二、事故装置、事故设备和双氧水生产工艺等情况
(一)事故装置基本情况
双氧水公司现有7套双氧水生产装置(1-7#)。本次事故装置系1#双氧水装置,是在2012年建成的18万吨/年27.5%双氧水装置基础上,实施了《双氧水质量提升改造项目》,增加了生产50%、60%、70%三种规格双氧水产品能力。截止2023年4月,共生产70%双氧水12284.5吨。事故发生前,1#双氧水装置(产品为27.5%双氧水)处于运行状态,产品提浓单元(70%双氧水)处于停车状态。
(二)事故设备基本情况
1.工作液配制釜
1#双氧水生产装置工作液配制釜共有A、B、C三台,其中,配制釜A用于配制碱性物料,配置釜B用于配制酸性物料和双氧水,配制釜C用于配制碳酸钾溶液。三台配制釜禁止混用,酸釜只能抽酸性工作液和双氧水,碱釜只能抽碱性物料。发生事故的为配制釜B(以下简称B釜,见图1)。设备规格为φ2200/2500×4205mm,全容积12 m3,液位计测量容积约11.48 m3;内筒介质为工作液,设计压力0.8MPa,工作压力-0.1~0.7MPa,设计温度210℃,工作温度160℃,材质为S32168不锈钢,筒体厚度40mm,封头厚度25/40mm;外夹套介质为过热蒸汽,设计压力1.3MPa,工作压力1.2MPa,设计温度210℃,工作温度200℃,材质为Q345R碳钢,夹套/换热管厚度18/18mm。设备净重量11853kg(不含料液、外接管件及搅拌系统)。
B釜按I类压力容器设计(设计使用年限10年),2013年7月31日投入使用,2014年2月18日取得特种设备使用登记证,2022年4月27日检验结论:压力容器的安全状况等级评定为3级,有效期至2023年7月,符合要求。

图1
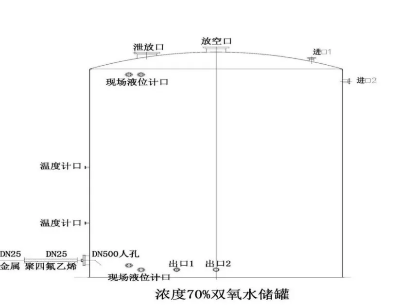
本次事故中用于70%双氧水成品储罐(以下简称浓品A罐,见图2),是抽取工作液的双氧水储罐,位于事故企业中间罐区。该罐区位于事故装置东侧27m处,罐区内共设有12台300m3的储罐,其中,2台储存重芳烃、2台储存工作液、1台储存高浓度双氧水(70%)、3台为浓品配制储罐、2台为稀品配制储罐、2台为事故罐。浓品A罐位于罐区西侧由北向南第3个储罐(见图3),企业设备管理位号V3103A,立式固定顶罐,常压容器,φ6600×8800mm,全容积300m3;罐体材质S31603不锈钢,设备净重量35400kg;罐壁侧面人孔孔径DN500,人孔中心距罐底1000mm。

图2

图3
(三)工作液回收工艺
(四)相关物料理化特性
1.双氧水
过氧化氢(分子式H2O2)水溶液俗称双氧水,为无色透明液体,属于氧化性液体,含量≥60%为类别1,20%≤含量<60%为类别2,8%≤含量<20%为类别3。70%双氧水的密度为1.28克/毫升,27.5%双氧水的密度为1.10克/毫升。双氧水是具有爆炸性的强氧化剂,本身不燃,但与许多无机化合物或杂质接触后会迅速分解而导致爆炸,同时放出大量的热量、氧和水蒸气。有研究表明,双氧水的氧化性随着浓度的升高而增大,反应活性增强、能量密度增高,浓度高于44wt%的双氧水与有机物混合后,可发生凝聚相爆炸。大多数重金属(如铁、铜、银、铅、汞、锌、钴、镍、铬、锰等)及其氧化物和盐类都是双氧水分解活性催化剂,尘土、香烟灰、碳粉、铁锈等也能加速其分解。与许多有机物如糖、淀粉、醇类石油产品等可形成爆炸性混合物,在撞击、受热或电火花作用下能发生爆炸。在有限空间中加热有爆炸危险。在碱性溶液中极易分解,在遇强光,特别是短波射线照射时也能发生分解。双氧水分解反应速度随温度、pH及杂质含量的增加而增加,分解放出的热量进一步促使体系的温度升高和分解速度加快。pH值3.5-4.5的过氧化氢中性溶液最稳定。
2.工作液
重芳烃和磷酸三辛酯为溶剂、2-乙基蒽醌为溶质配成的工作液,用于蒽醌法双氧水的生产。重芳烃成份主要为碳九或碳十馏分,即三甲苯、四甲苯异构体混合物,另外还含有少量二甲苯、萘及胶质物。工作液的理化性质类同于重芳烃,为可燃性液体,当周围环境达到燃烧条件(如火源、助燃剂等)时即可燃烧。其蒸气与氧或空气混合后,可形成爆炸性混合物,达到爆炸极限后,在明火、静电等作用下可发生爆炸、燃烧。
三、事故发生经过
7时34分许,王明琦、刘新凯、辛涛先后离开主控室去1#装置;7时45分许,三人配合重新连好塑料管,期间于7时47分许关闭真空泵;8时16分许又开启真空泵,继续在浓品A罐抽取工作液;8时31分许,辛涛被叫去装置二层配合排查,王明琦、刘新凯继续作业。

图4
2023年5月1日8时39分,鲁西化工集团总经理王延吉接电话报告1#双氧水装置附近出现爆炸着火事故。8时51分,鲁西化工集团副总经理姜吉涛向中化集团电话报告。8时59分,聊城高新技术产业开发区管委会(以下简称聊城高新区管委会)与姜吉涛电话沟通事故情况。10时25分,双氧水公司以电子邮件形式向聊城高新区管委会报告事故造成2人受伤,人员已送医院救治。10时33分,聊城高新区管委会电话报告聊城市应急局。10时42分,聊城市应急局向省应急厅电话报告事故,此后省应急厅持续调度提醒聊城市应急局尽快核实事故伤亡等有关情况。13时02分,聊城市应急局接聊城高新区管委会续报事故造成1人死亡、1人受伤。13时27分,聊城市应急局接聊城高新区管委会续报事故造成2人死亡、2人受伤;13时34分,向省应急厅电话报告。14时11分,聊城市应急局接聊城高新区管委会续报事故造成4人死亡、1人受伤;14时29分,向省应急厅续报。16时20分,聊城市应急局接聊城高新区管委会续报事故造成5人死亡、1人受伤、1人失联;16时28分,向省应急厅续报。21时05分,聊城市应急局接聊城高新区管委会续报事故造成7人死亡、1人受伤、1人失联;21时24分,向省应急厅续报。5月2日12时24分,聊城市应急局接聊城高新区管委会续报事故造成7人死亡、1人受伤、3人失联;12时28分,向省应急厅续报。5月3日7时36分,聊城市应急局接聊城高新区管委会续报事故造成9人死亡、1人受伤、1人失联;8时06分,向省应急厅续报。5月5日14时03分,聊城市应急局接聊城高新区管委会续报事故造成10人死亡、1人受伤;14时11分,向省应急厅续报。
(二)事故现场应急处置情况
事故发生后,企业立即启动应急预案,鲁西化工集团负责人带领相关人员立即赶赴现场查看事故情况,疏散现场人员,并安排人员对事发区域封闭警戒隔离。8时36分许,山东省危险化学品鲁西安全生产应急救援中心在听到爆炸声响后立即组织9部消防车25人赶赴事故现场开展救援,对着火设备和地沟流淌火进行扑救;8时48分,因现场火势较大,向聊城市消防救援支队请求支援。9时04分,消防救援支队20余部车辆和100余名指战员到场参与救援,对现场危险源进行监护,并封堵道路流淌水、排放残液,持续监测收集消防水,进行系统监控。同时,根据现场状况,对双氧水生产装置停车、采取充氮气等保护性措施。5月1日12时20分,经采取有效措施,现场明火被扑灭。聊城市在事故发生后,立即启动聊城市危险化学品生产安全事故应急预案,调集力量和装备,全力救治受伤人员,搜救失联人员,封闭管理事故现场,安排厂区技术人员进行工艺处置,紧急停车、关阀断料。对多元醇装置区和地面流淌火进行压制,对着火罐和邻近罐进行冷却,将多元醇成品罐防火堤内废液使用防爆隔膜泵输转至槽车进行倒运处置,同步清理地面障碍,同时启动聊城市应急医疗救援机制。据统计,此次事故应急救援先后出动消防车58辆、消防救援人员340余名、24台(套)救援设备,调集园区消防泡沫液60余吨,燃油2700余升,调派12辆救护车赶赴现场,出动急救人员36人次,调集医务人员60余人到岗,全力做好救治准备。组织国家级、省级安全专家对事故现场进行勘察10余次,分析事故原因,研判风险隐患并实时针对性调整救援方案。截止5月5日12时30分,完成人员搜救、事故现场地面清理工作。经对事故现场及周边大气环境、积水水质监测,所有大气监测点位均全部达标,事故废水均未外排,事故现场及周边区域水质均达标。
(三)事故应急处置评估
综合评估认为,事故企业专业应急救援队伍与聊城市综合性消防救援队伍,在面临多元醇储罐及周边管廊多处管线泄漏着火和相邻双氧水装置存在较高爆炸风险的状况下,及时扑灭了火势,未发生爆炸、人员伤亡等次生灾害,救援行动科学高效,采取措施有力有效。事故应急处置现场指挥部运行基本顺畅。但事故企业先期应急处置混乱无序、效率低下,企业在有监控刷脸、人员定位卡等多种措施手段的情况下,伤亡人员底数长时间不清不明,确定伤亡人数耗费时间过长,造成事故发生后上报的伤亡人数多次变化,企业内部各部门之间应急处置协同配合有待提高。在事故信息报送上,存在报送不及时、人员伤亡和失联人数持续动态变化掌握不准确的问题。这暴露出事故企业向属地政府及有关部门报送事故信息意识缺乏、制度不健全;同时,也反映出属地政府及有关部门在落实事故信息报送要求上,思想认识有偏差、贯彻执行不到位。
五、事故发生原因
(一)直接原因
操作人员在抽吸成品罐内70%双氧水表面漂浮的少量工作液至工作液配制釜时,大量抽入了70%双氧水;工作液配制釜内原存有的氧化液、地沟工作液中含有氧化铝粉末、钯催化剂粉末、灰尘等杂质;这些杂质引起高浓度双氧水分解放热,导致釜内温度升高、双氧水分解加速、压力升高,最终引发高浓度双氧水发生剧烈分解爆炸、高浓度双氧水与工作液体系发生剧烈凝聚相爆炸,造成工作液配制釜粉碎性解体。
1. 双氧水公司
2.鲁西化工集团化工事业集团
作为对双氧水公司进行安全生产直接管理并承担管理责任的责任主体,履行安全生产直接管理职责不到位。对双氧水公司风险管控、抽油作业、工艺管理等方面存在的突出问题疏于管理;未督促双氧水公司及时排查辨识70%浓度双氧水成品储罐抽油作业活动风险,并制定相应的管控措施;隐患排查不深入不细致,未及时发现双氧水公司抽油作业习惯性违章等事故隐患;对双氧水公司改变事故配制釜设计用途后未履行工艺变更管理手续监督检查不到位。
作为双氧水公司的上级公司,对安全生产工作重视程度不够,未按规定配备安全总监,安全总监由公司常务副总兼任,不符合省有关规定;督促化工事业集团落实对双氧水公司安全生产直接管理责任不力;对下属公司安全生产工作疏于管理,督促双氧水公司落实安全生产规章制度不力,对双氧水公司风险辨识缺失、抽油作业管理混乱、违规开展检维修作业等突出问题监督检查不力;对下属公司工艺改造项目审查把关不严,对双氧水公司70%浓度双氧水生产工艺技术来源未进行认真核实。
作为鲁西化工集团的上级公司,对鲁西化工集团安全管理不到位,未认真督促鲁西化工集团及双氧水公司落实安全生产主体责任。
5.顾官屯镇党委、政府
落实属地安全生产综合监督管理责任不到位。安全生产监管力量薄弱,作为安全生产监管和危化品监管任务较重的乡镇,从事安全监管人员编制数量严重不足,未按规定配备1名副科级安全监管干部;对辖区内企业安全生产监督检查不到位。
6.聊城高新区经济发展部
履行工业行业安全生产主管部门管理职责不到位,指导督促工业行业企业加强安全生产管理和隐患排查治理不力,未有效督促双氧水公司落实企业安全生产主体责任和本质安全工作。
7.聊城高新区发展保障部
履行危险化学品企业安全生产监管职责不到位,未有效督促企业落实检维修作业相关规章制度、操作规程,推进企业开展风险管控和隐患排查工作不力;对压力容器使用安全监察不到位,未发现双氧水公司事故配制釜违规改变设计用途,未发现双氧水公司事故配制釜未按照规定办理特种设备使用登记的违法行为。
8.聊城高新区党工委、管委会
未按规定对辖区内企业安全生产状况进行监督检查,协助聊城市相关部门依法履行安全生产监管职责不力。未根据辖区内危险化学品企业较多、事故风险隐患较大的现状,配备与安全监管任务相适应的监管队伍、装备等力量;未认真督促管委会相关部门和顾官屯镇党委、政府依法履行安全生产相关职责。
9.聊城市行政审批服务局
未严格履行安全生产行政许可审批职责,未认真审查双氧水公司提交的安全条件审查材料,对事故装置工艺来源真实性把关不严。
10.聊城市工业和信息化局
履行工业行业安全生产主管部门管理职责不到位,未有效指导聊城高新区化工行业主管部门认真履行化工行业安全生产管理职责。
11.聊城市应急管理局
履行危险化学品企业安全生产监督管理职责不到位,未有效指导聊城高新区安全生产监督管理部门认真履行安全生产监督管理职责。
12.聊城市委、市政府
未认真贯彻落实国务院安委会安全生产十五条硬措施和省委、省政府“八抓20条”制度措施,未有效督促聊城市相关部门和聊城高新区依法履行安全生产监督管理职责。
六、对有关责任人员和责任单位的处理建议
1.辛涛,双氧水公司运行三班作业人员,违反操作规程进行抽油作业。对事故发生负有责任。鉴于已在事故中死亡,免予追究刑事责任。
2.王明琦,双氧水公司运行三班作业人员,违反操作规程进行抽油作业。对事故发生负有责任。鉴于已在事故中死亡,免予追究刑事责任。
3.梁毅,双氧水公司法定代表人,未严格履行生产经营单位主要负责人安全生产管理职责。对事故发生负有责任。鉴于已在事故中死亡,免予追究刑事责任。
(二)已被司法机关采取措施人员(5人)
1.于明浩,中共党员,双氧水公司运行三班调度。在作业过程中违反有关安全管理的规定,对事故发生负有责任。因涉嫌重大责任事故罪,2023年5月18日被聊城市公安局经济开发区分局刑事拘留,2023年6月21日被聊城市东昌府区检察院批准逮捕。建议依法追究刑事责任。
2.荣禄,群众,双氧水公司运行三班值班长。在作业过程中违反有关安全管理的规定,对事故发生负有责任。因涉嫌重大责任事故罪,2023年5月18日被聊城市公安局经济开发区分局刑事拘留,2023年6月21日被聊城市东昌府区检察院批准逮捕。建议依法追究刑事责任。
3.李荟,中共党员,双氧水公司运行三班DCS操作员。在作业过程中违反有关安全管理的规定,对事故发生负有责任。因涉嫌重大责任事故罪,2023年5月18日被聊城市公安局经济开发区分局刑事拘留,2023年6月21日被聊城市东昌府区检察院批准逮捕。建议依法追究刑事责任。
4.王超,中共党员,双氧水公司项目职能负责人、事发当天带班领导。违反有关安全管理的规定,对事故发生负有责任。因涉嫌重大责任事故罪,2023年5月18日被聊城市公安局经济开发区分局刑事拘留,2023年6月21日被聊城市东昌府区检察院批准逮捕。建议依法追究刑事责任。
5.秦栋,中共党员,双氧水公司运行职能负责人。违反有关安全管理的规定,对事故发生负有责任。因涉嫌重大责任事故罪,2023年5月18日被聊城市公安局经济开发区分局取保候审,2023年6月13日被聊城市公安局经济开发区分局刑事拘留,2023年6月21日被聊城市东昌府区检察院批准逮捕。建议依法追究刑事责任。
以上人员是中共党员的,由相关纪检监察机关加强与司法机关的沟通协调,在具备作出党纪处分条件后,及时作出处理。
(三)建议移送司法机关追究刑事责任人员(1人)
杨夫东,中共党员,双氧水公司副总经理,分管运行、工艺、设备等生产单元。违反有关安全管理的规定,对事故发生负有责任。涉嫌重大责任事故罪,建议依法追究刑事责任。
(四)建议企业层面给予党纪政务处分人员(18人)
1.刘冰,中共党员,双氧水公司工艺职能负责人(技术科科长)。未履行岗位安全生产责任制,未制定完善抽油作业安全操作规程,未认真排查双氧水成品储罐抽油作业活动风险点并制定相应的管控措施。对事故发生负有主要责任。建议按照干部管理权限给予党纪政务处分,建议企业根据内部管理制度给予撤职处理。中国中化拟给予其撤销党内职务、撤职处分,因无党内职务,给予党内严重警告(影响期二年)、撤职处分,降为下一职级非领导职务,扣发年度绩效奖金,取消年度任期全部激励。
2.王彦国,中共党员,时任双氧水公司设备职能负责人(设备科副科长)。对检维修作业方案审核把关不到位,未辨识到事故配制釜抽油作业对现场检维修作业人员可能带来的安全风险;事故配制釜的用途发生改变后,未按规定申请变更特种设备使用登记。对事故发生负有主要责任。建议按照干部管理权限给予党纪政务处分,建议企业根据内部管理制度给予撤职处理。中国中化拟给予其撤销党内职务、撤职处分,因无党内职务,给予党内严重警告(影响期二年)、撤职处分,降为下一职级非领导职务,扣发年度绩效奖金,取消年度任期全部激励。
3.石吉泉,中共党员,双氧水公司安全科科长。对现场作业情况隐患排查不深入,未发现并制止长期存在的违反操作规程从事配制釜抽油作业行为[];对相关职能部门未认真组织培训考试、未如实记录培训情况监督不力。对事故发生负有主要责任。建议按照干部管理权限给予党纪政务处分,建议企业根据内部管理制度给予撤职处理。中国中化拟给予其撤销党内职务、撤职处分,因无党内职务,给予党内严重警告(影响期二年)、撤职处分,降为下一职级非领导职务,扣发年度绩效奖金,取消年度任期全部激励。
4.刘云栋,中共党员,时任双氧水公司电仪职能负责人(电仪车间电仪副主任)。对公司人员定位卡佩戴情况监督检查不到位,未及时发现维保单元检维修作业人员不按规定佩戴人员定位卡进入作业区域的违规行为[]。对爆炸发生后抢险救援不能及时确认伤亡人员的位置和数量负有主要责任。建议按照干部管理权限给予党纪政务处分,建议企业根据内部管理制度给予撤职处理。中国中化拟给予其撤销党内职务、撤职处分,因无党内职务,给予党内严重警告(影响期二年)、撤职处分,降为下一职级非领导职务,扣发年度绩效奖金,取消年度任期全部激励。
5.王和生,中共党员,双氧水公司分管电仪职能负责人(分管电仪职能副处长),2020年双氧水质量提升项目建设负责人。在双氧水质量提升项目办理相关安全生产许可手续阶段,提供的70%浓度双氧水工艺安全可靠性论证和连续运行证明材料不真实,违规取得项目安全审查和安全生产许可。对事故发生负有主要责任。建议按照干部管理权限给予党纪政务处分,建议企业根据内部管理制度给予撤职处理。中国中化拟给予其撤销党内职务、撤职处分,因无党内职务,给予党内严重警告(影响期二年)、撤职处分,降为下一职级非领导职务,扣发年度绩效奖金,取消年度任期全部激励。
6.杨丙磊,双氧水公司安全总监,双氧水公司党支部纪委委员、宣传委员。履行安全总监职责不力[],对运行职能作业人员违章作业未有效监督纠正[];督促工艺、安全、设备等职能部门履行安全生产职责不到位[]。对事故发生负有主要责任。建议按照干部管理权限给予党纪政务处分,建议企业根据内部管理制度给予撤职处理。中国中化拟给予其撤销党内职务、撤职处分,降为下一职级非领导职务,扣发年度绩效奖金,取消年度任期全部激励。
7.刘丙敏,鲁西化工集团化工事业集团运行安全管理部部长,鲁西集团化工机关第三党支部书记。未按照岗位职责要求[]对双氧水公司1#浓品工段停车期间进行安全检查;未能及时阻止和纠正双氧水公司运行职能从业人员习惯性违反操作规程进行抽油作业的行为[]。对事故发生负有主要责任。建议按照干部管理权限给予党纪政务处分,建议企业根据内部管理制度给予撤职处理。中国中化拟给予其撤销党内职务、撤职处分,降为下一职级非领导职务,扣发年度绩效奖金,取消年度任期全部激励。
8.张承锋,中共党员,鲁西化工集团化工事业集团工艺安全管理部部长。对双氧水公司未建立完善配制釜抽油作业安全操作规程监督检查不到位[],未督促双氧水公司及时排查辨识抽油作业活动风险点。对事故发生负有主要责任。建议按照干部管理权限给予党纪政务处分,建议企业根据内部管理制度给予撤职处理。中国中化拟给予其撤销党内职务、撤职处分,因无党内职务,给予党内严重警告(影响期二年)、撤职处分,降为下一职级非领导职务,扣发年度绩效奖金,取消年度任期全部激励。
9.李道岭,中共党员,鲁西化工集团化工事业集团设备安全管理部部长。对双氧水公司设备职能业务指导不够[],未督促双氧水公司加强节假日期间检维修作业管理,从严控制作业人员数量。对事故发生负有主要责任。建议按照干部管理权限给予党纪政务处分,建议企业根据内部管理制度给予撤职处理。中国中化拟给予其撤销党内职务、撤职处分,因无党内职务,给予党内严重警告(影响期二年)、撤职处分,降为下一职级非领导职务,扣发年度绩效奖金,取消年度任期全部激励。
10.李书海,中共党员,鲁西化工集团化工事业集团安全监督管理部部长。履行制止和纠正违章指挥、违反操作规程工作职责不到位[];未组织督促双氧水公司针对配制釜等危险性较大的生产设施编制相应的应急预案[]。对事故发生负有主要责任。建议按照干部管理权限给予党纪政务处分,建议企业根据内部管理制度给予撤职处理。中国中化拟给予其撤销党内职务、撤职处分,因无党内职务,给予党内严重警告(影响期二年)、撤职处分,降为下一职级非领导职务,扣发年度绩效奖金,取消年度任期全部激励。
11.路正攀,时任鲁西化工集团化工事业集团党委委员,鲁西化工集团化工事业集团总经理助理兼鲁西聚碳酸酯有限公司党总支部书记、副总经理(主持工作)。分管工艺安全管理部。疏于管理,对分管的工艺安全管理部未严格履行工艺安全管理、未认真组织开展作业活动风险点排查失察。对事故发生负有主要责任。建议按照干部管理权限给予党纪政务处分,建议企业根据内部管理制度给予撤职处理。中国中化拟给予其撤销党内职务、撤职处分,降为下一职级非领导职务,扣发年度绩效奖金,取消年度任期全部激励。
12.金同营,鲁西化工集团化工事业集团党委委员,鲁西化工集团化工事业集团副总经理,分管安全监督管理部。疏于管理,督促化工事业集团相关职能部门和双氧水公司履行安全生产职责不力;履行制止和纠正违章指挥、违反操作规程岗位职责不到位。对事故发生负有主要责任。建议按照干部管理权限给予党纪政务处分,建议企业根据内部管理制度给予撤职处理。中国中化拟给予其撤销党内职务、撤职处分,降为下一职级非领导职务,扣发年度绩效奖金,取消年度任期全部激励。
13.解传玮,中共党员,时任鲁西化工集团健康安全环保部副部长(主持工作)。督促化工事业集团和双氧水公司履行安全生产责任不到位,对下属单位安全生产规章制度和操作规程执行情况监督检查不到位。对事故发生负有主要责任。建议按照干部管理权限给予党纪政务处分,建议企业根据内部管理制度给予撤职处理。中国中化拟给予其撤销党内职务、撤职处分,因无党内职务,给予党内严重警告(影响期二年)、撤职处分,降为下一职级非领导职务,扣发年度绩效奖金,取消年度任期全部激励。
14.邓绍云,鲁西化工集团副总经理、鲁西化工集团化工事业集团党委书记兼总经理,负责化工事业集团全面工作,并分管化工事业集团运行安全管理部。作为对双氧水公司进行安全生产直接管理并承担管理责任的化工事业集团主要负责人,履行安全生产第一责任人职责不到位。对化工事业集团各职能部门和双氧水公司未严格落实安全生产管理责任失察失管。对事故发生负有主要责任。建议按照干部管理权限给予党纪政务处分,建议企业根据内部管理制度给予撤职处理。中国中化拟给予其撤销党内职务、撤职处分,降为下一职级非领导职务,扣发年度绩效奖金,取消年度任期全部激励。
15.杨本华,鲁西集团党委委员,鲁西化工集团高级副总经理、总工程师兼总工办主任。分管鲁西化工集团技术管理工作。对双氧水公司2020年双氧水质量提升改造项目可行性审查把关不严,未对70%浓度双氧水工艺来源和技术可靠性进行认真审核。对事故发生负有主要责任。建议按照干部管理权限给予党纪政务处分,建议企业根据内部管理制度给予撤职处理。中国中化拟给予其撤销党内职务、撤职处分,降为下一职级非领导职务,扣发年度绩效奖金,取消年度任期全部激励。
16.姜吉涛,中共党员,鲁西化工集团副总经理,协助安全总监分管安全生产工作,分管健康安全环保部。对健康安全环保部和化工事业集团未落实安全生产工作职责失察,对双氧水公司安全生产监督检查不深入、不细致。对事故发生负有重要责任。建议按照干部管理权限给予党纪政务处分,建议企业根据内部管理制度进行处理。中国中化拟给予其党内严重警告、记大过处分,年度绩效等级为C或以下,扣发年度绩效奖金40%。
17.张金林,时任鲁西集团党委副书记、安全总监,鲁西化工集团常务副总经理。未按照安全总监职责要求[]专项分管安全生产工作,协助主要负责人履行安全生产管理职责不到位。对事故发生负有重要责任。建议按照干部管理权限给予党纪政务处分,建议企业根据内部管理制度进行处理。中国中化拟给予其党内严重警告、降级处分,免去鲁西集团安全总监职务,年度绩效等级为C或以下,扣发年度绩效奖金60%。
18.王延吉,时任鲁西集团党委书记、鲁西化工集团总经理。未认真履行主要负责人安全生产管理职责,未按规定[]确定符合条件的安全总监。疏于管理,对鲁西化工集团分管负责人及下属单位主要负责人未正确履行安全生产管理职责失察。对事故发生负有重要责任。建议按照干部管理权限给予党纪政务处分,建议企业根据内部管理制度进行处理。中国中化拟给予其党内严重警告、记大过处分,年度绩效等级为C或以下,扣发年度绩效奖金40%。
(五)建议党委政府及部门层面给予党纪政务处分和组织处理人员(18人)
1.谢添,中共党员,聊城高新区顾官屯镇党委副书记、镇长,主持顾官屯镇政府全面工作。履行属地安全生产综合监督管理责任不到位,组织对辖区内企业安全生产监督检查不到位。对事故发生负有主要领导责任,建议给予其政务记过处分。
2.陈玮,中共党员,聊城高新区顾官屯镇党委书记,主持顾官屯镇党委全面工作。履行属地安全生产综合监督管理责任不到位,未强化安全生产监管力量建设。对事故发生负有主要领导责任,建议给予其党内警告处分。
3.田源,中共党员,聊城高新区经济发展部副部长、三级主管,负责工业和信息化工作,分管工业和信息化办公室。未认真履行工业行业安全生产主管部门工作职责,对双氧水公司安全生产工作指导督促不到位。对事故发生负有主要领导责任,建议给予其党内严重警告、政务降级处分。
4.申志军,中共党员,聊城高新区发展保障部二级主管、聊城化工产业园安全生产监督管理办公室主任,主持安全生产全面工作,负责危险化学品和烟花爆竹安全生产监督管理工作。履行危险化学品企业安全生产监管职责不到位,未有效督促双氧水公司落实检维修作业相关规章制度、操作规程。对事故发生负有主要领导责任,建议给予其党内严重警告、政务降级处分。
5.崔琰,中共党员,聊城高新区经济发展部部长、二级主管,主持经济发展部全面工作。未认真履行工业行业安全生产主管部门工作职责,对双氧水公司安全生产工作指导督促不到位。对事故发生负有主要领导责任,建议给予其党内严重警告、政务记大过处分。
6.杨继文,中共党员,聊城高新区发展保障部部长、二级主管,主持发展保障部全面工作。督促安全生产监督管理办公室履行危险化学品企业安全生产监管职责不到位,督促质量技术监督办公室履行压力容器使用安全监察职责不到位。对事故发生负有主要领导责任,建议给予其党内严重警告、政务记大过处分。
7.邵良臣,中共党员,聊城高新区管委会二级专员,分管市场监管工作。督促发展保障部履行压力容器安全监察职责不到位。对事故发生负有主要领导责任,建议给予其党内警告、政务记过处分。
8.朱炜,中共党员,聊城高新区党工委副书记、管委会副主任,分管工业和信息化工作。督促经济发展部履行工业企业安全生产管理职责不力。对事故发生负有主要领导责任,建议给予其党内警告、政务记过处分。
9.赫占廷,中共党员,聊城高新区管委会副主任,事故发生时分管应急管理工作。督促发展保障部履行安全生产监管职责不力。对事故发生负有主要领导责任,建议给予其党内警告处分。
10.崔宪奎,中共党员,聊城高新区党工委书记、管委会主任,主持聊城高新区党工委、管委会全面工作。履行高新区党工委、管委会安全生产第一责任人职责不到位,督促高新区管委会分管领导和顾官屯镇党委、政府履行安全生产监管职责不力。对事故发生负有重要领导责任,建议给予其党内警告处分。
11.田西坡,中共党员,聊城市行政审批服务局党组成员、副局长、二级调研员,分管安全生产审批科。对未严格履行安全生产许可审批职责失察,未认真审查双氧水公司提交的安全条件审查材料,对事故装置工艺来源真实性把关不严。对事故发生负有主要领导责任,建议给予其党内警告处分。
12.闫友亮,中共党员,聊城市行政审批服务局党组副书记、局长,主持聊城市行政审批服务局全面工作。对聊城市行政审批服务局安全生产许可审批工作领导不力,未认真审查双氧水公司提交的安全条件审查材料,对事故装置工艺来源真实性把关不严。对事故发生负有重要领导责任,建议给予其政务警告处分。
13.黄性利,中共党员,聊城市工业和信息化局党组成员,聊城市工业行业服务中心党委书记、主任,分管聊城市工业和信息化局化工产业科。对未严格履行化工行业安全生产管理职责失察,对聊城高新区经济发展部化工行业安全生产管理工作指导不力。对事故发生负有主要领导责任,建议给予其党内警告处分。
14.解志超,中共党员,聊城市工业和信息化局党组书记、局长,主持聊城市工业和信息化局全面工作。对聊城市工业和信息化局履行化工行业安全生产管理职责领导不力,对聊城高新区经济发展部化工行业安全生产管理工作指导不力。对事故发生负有重要领导责任,建议给予其政务警告处分。
15.翟荣忠,中共党员,聊城市应急管理局党委委员、副局长,分管危险化学品安全监督管理科。对履行危险化学品安全生产监管职责领导不力,对聊城高新区发展保障部危险化学品安全生产监管工作指导不力。对事故发生负有主要领导责任,建议给予其党内警告处分。
16.赵松俭,中共党员,聊城市应急管理局党委书记、局长,主持聊城市应急管理局全面工作。对聊城市应急管理局履行危险化学品安全生产监管职责领导不力,对聊城高新区发展保障部危险化学品安全生产监管工作指导不力。对事故发生负有重要领导责任,建议给予其政务警告处分。
17.王刚,中共党员,聊城市政府党组成员、副市长,分管工业和信息化工作。督促聊城市工业和信息化局履行化工行业安全生产管理职责不力。对事故发生负有重要领导责任,建议对其诫勉。
18.刘文强,中共党员,聊城市委常委、常务副市长,分管安全生产工作。督促聊城市应急管理局履行安全生产监管职责不力。对事故发生负有重要领导责任,建议对其批评教育、责令其作出深刻检查。
(六)行政处罚建议
1.双氧水公司。建议按照《中华人民共和国安全生产法》第一百一十四条第一款第三项的规定[],由聊城市应急局对双氧水公司处200万元以上1000万元以下的罚款。按照《生产安全事故报告和调查处理条例》第四十条第一款的规定,依法吊销双氧水公司70%浓度双氧水质量提升改造项目的有关安全生产许可证。
2.鲁西化工集团。建议按照《中华人民共和国安全生产法》第一百一十四条第一款第三项的规定,由聊城市应急局对鲁西化工集团处200万元以上1000万元以下的罚款。该集团未按规定设置安全总监,建议按照《山东省安全生产条例》第七十五条第二项的规定,由聊城市应急局对鲁西化工集团处3万元以上10万元以下的罚款。
3.范宗哲,双氧水公司工艺职能工艺员。违反公司安全管理规定[]组织安排抽油作业。对事故发生负有直接责任。建议按照《山东省安全生产条例》第七十六条第二款的规定[],由聊城市应急局对其处5万元以上20万元以下的罚款。
4.葛令伟,双氧水公司运行二班调度。违反公司安全管理规定[],未按要求交接抽油作业工作任务和注意事项并如实填写交接班记录表。对事故发生负有直接责任。建议按照《山东省安全生产条例》第七十六条第二款的规定[],由聊城市应急局对其处5万元以上20万元以下的罚款。
5.刘新凯,双氧水公司运行三班现场操作员。违反公司操作规程[],未排空、冲洗工作液配制釜就开展抽油作业,对事故发生负有直接责任。建议按照《山东省安全生产条例》第七十六条第二款的规定[],由聊城市应急局对其处5万元以上20万元以下的罚款。
(七)其他处理建议
责成鲁西化工集团向中化集团和聊城市委、市政府作出深刻书面检查。责成聊城高新区党工委、管委会向聊城市委、市政府作出深刻书面检查。责成聊城市委、市政府向省委、省政府作出深刻书面检查。
七、事故主要教训
(一)安全发展理念树立不牢。聊城市委、市政府未认真贯彻落实国务院安委会安全生产十五条硬措施和省委、省政府“八抓20条”创新措施,对相关部门和聊城高新区安全生产工作落实情况监督指导不到位,在抓安全生产日常监督、教育培训方面存在明显短板。聊城高新区安全监管执法力量建设较为滞后,未针对鲁西化工园区规模大、企业类型多、事故风险隐患较大的现状,配备与安全监管任务相适应的监管执法力量,现有力量与监管任务不成正比,且专业性有待加强。鲁西化工集团作为中化集团子公司,没有切实扛稳国有企业政治责任,对安全生产工作的重要性认识不够,未按规定配备安全总监,对下属公司安全生产工作疏于管理,对双氧水公司习惯性违章作业、应急管理和安全培训不到位等突出问题监督检查不力。
(二)安全生产源头把控失守。双氧水公司作为全国少数几家70%浓度双氧水生产企业之一,在引进该生产工艺时,未对工艺安全可靠性进行充分论证,未对安全风险进行充分辨识,导致高浓度双氧水生产工艺不够成熟稳定,风险管控不到位,操作规程不详细、不具体。聊城市行政审批部门对危险化学品技术改造项目源头把控不够严格,未认真审查双氧水公司提交的安全条件审查材料,对工艺来源真实性把关不严,导致事故项目违规取得建设项目安全审查和安全生产许可。
(三)从业人员培训教育不到位。双氧水公司未认真组织全体从业人员开展安全教育培训,部分安全教育培训记录未如实记录,一些安全培训考试走过场,考核结果不能真实反映从业人员的安全知识掌握情况。高危作业岗位师傅带徒弟制度落实不到位,事故装置DCS操作人员实习期不满2个月就独立上岗作业,不熟悉事故应急处置措施,出现险情后未采取有效的应急处置措施。该公司在有多种技术手段查验人员的情况下,报告的伤亡人数多次变化,事发后1天多才核准伤亡人数,造成不良影响。聊城市工信局、应急局及聊城高新区管委会相关部门对企业安全教育培训监督指导不到位,未有效督促企业通过开展班前会、开工第一课、事故警示等活动进一步提升员工遵章守纪意识和岗位安全实操能力。
(四)隐患排查治理不够深入。鲁西化工集团及下属事业部、双氧水公司没有牢固树立隐患就是事故的理念,开展隐患排查不深入、不彻底,长期以来未发现双氧水公司擅自变更事故配置釜用途、习惯性违章抽油作业等事故隐患。双氧水公司夜间带班人员、运行值班长均未按要求开展夜间巡查检查,不掌握现场作业情况,均未有效制止现场作业人员违反操作规程从事配制釜抽油作业行为。聊城市政府相关部门在执法检查、督导督查过程中,工作不够深入细致,质量水平不高。同时,聊城市安全生产领域监管执法方式较为单一,缺少运用大数据智能化监控企业违法行为的手段,一定程度上放任了企业习惯性违章行为长期存在。
(一)强化落实化工企业安全生产主体责任。各企业特别是危险化学品企业要深刻汲取事故教训,严格对照《山东省生产经营单位安全生产主体责任规定》《山东省生产经营单位全员安全生产责任清单》,进一步修订完善并严格落实本单位全员安全生产岗位责任清单,全面消除责任盲区和管理漏洞。要建立健全企业内部考核奖惩机制,督促从业人员严格履行安全生产岗位责任,严格遵守规章制度和操作规程,坚决杜绝“灯下黑”。国有化工及危化品企业要带头落实安全生产主体责任,把握好发展与安全、创新与安全的关系,科学设置内部安全管理机构,确保安全职责分工明确、落实精准、不留空挡。
(二)强化企业安全风险辨识管控。各危险化学品企业要组织全员对整个厂区的安全风险进行辨识,对风险点进行逐个评估,深入研究制定严格的管控措施,并根据岗位安全职责,将风险和措施两个清单逐级、逐项分解到企业主要负责人、其他负责人和各部门(单位)、车间、班组及每个岗位。同时,逐个岗位进行针对性的教育培训,并抓好落实,确保风险辨识全面、深入、彻底,管控措施得力有效。特别要重视各类临时作业、非常规作业的风险管控,要从方案编制、人员培训教育、作业风险分析、安全技术交底、作业票审批、现场作业监护等各个环节全过程加强安全管控,确保作业安全。要严把新上项目、技改项目审查关,全面科学系统评估风险,从源头上控制产生系统风险。
(三)强化企业反“三违”行为主体地位。各危险化学品企业要严格按照《山东省危险化学品企业反“三违”行动指南(试行)》要求,建立健全“三违”行为清单,制定并严格落实管控措施,定期开展检查、考核与评估,推进“三违”行为常态化治理。严禁非操作人员进入危险化学品生产装置、储存设施等高危场所,因安全环保检查、检维修等特殊原因需进入生产区域的,要严格控制进入现场人数。对涉及易燃易爆、剧毒物料的运行装置进行检维修作业时,作业风险区域原则上不超过6人。要用好人员自动定位等信息化系统,强化现场作业人员管控,及时预警处理。落实事故信息报告主体责任、提高紧急信息报送能力。要利用机械化、自动化技术,以机械化生产替换人工作业,以自动化控制减少人为操作,消除人员在危险环境中暴露和人为误操作带来的安全风险。
(四)深入推进重大事故隐患排查整治和化工行业整治提升专项行动。各级各有关部门和企业在全面贯彻落实《全国重大事故隐患专项排查整治2023行动总体方案》和我省实施方案的基础上,突出排查整治高危行业特别是危险化学品企业事故隐患排查整治。制定详细的检查表,明确检查点位、标准依据和惩罚措施,对危险化学品企业重点场所、重点部位、重点人员、关键环节进行清单化检查。对查处的重大事故隐患要实行挂牌督办,并坚决责令停产停业或者停止使用相关设施、设备,对排查发现的隐患问题要盯住不放,坚决督促整改到位。为深刻吸取事故教训,有效防范化解危险化学品领域重大安全风险,在全省范围内部署开展为期两年的化工行业安全生产整治提升专项行动,抽调精干力量,成立工作专班,聚焦风险防控、排查整治、监管执法、源头治理、责任落实五个方面开展各类整治活动,从根本上解决我省危险化学品领域存在的问题短板,全面提升化工行业全生命周期本质安全水平。
(五)持续加强安全监管执法检查。各有关部门要认真履行“三管三必须”规定,敢于动真碰硬,防止监管执法“宽松软虚”,切实加强对危险化学品企业安全监管执法检查,突出对领导带班制度、危险作业报告制度、检维修作业制度落实情况和高风险危险化学品建设项目的事中事后监督检查,要深入企业生产作业一线,聚焦临时管线作业、检维修作业等事故易发环节和风险高、不放心的重点企业,提高执法检查精准性,确保查细、查深、查透,严防走形式、走过场。要强化严惩重罚,对发现的违法违规行为特别是“三违”行为,要坚决立案查处,依规依纪依法严肃追究相关责任者的责任。
扫码查看下载

(来源:山东省应急管理厅,如有侵权请联系删除)



