△
爱上电苑 从电光火时开始
W e c h a t : d q x y d g h s
科技星光
助力梦想
电工电子培训第七弹
让我们一同学习
功率放大电路和直流稳压电源的应用
培训时间:4月13日 8:30-12:20
培训地点:工一A210
授课老师:袁志辉老师

课堂内容
一. 双电源互补对称功率放大电路的分析
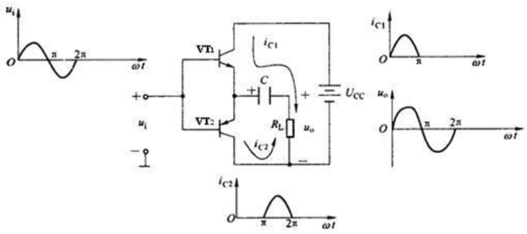
1.OCL乙类互补对称功率放大电路
(1)电路组成

(2)图解分析
(a)VT1管输出特性(b)VT2管输出特性

(c)互补电路的合成曲线

二.OCL甲乙类互补对称功率放大电路
1.交越失真
在讨论乙类互补对称电路时,忽略了三极管的死区电压,而实际上由于没有直流偏置,当输入信号ui 低于死区电压(硅管约为0.5V,锗管约为0.2V)时,VT1和VT2都截止,ic1和ic2基本为零,负载上无电流通过,出现一段死区,这种现象称为交越失真,如图所示。

2.甲乙类互补对称电路
为减小和克服交越失真,通常在两基极间串接二极管(或电阻),以便在静态时供给VT1和VT2一定的正偏压,使两管在静态时都处于微导通状态,如图所示。

三.OTL功率放大电路的分析及其应用
1.电路的基本原理

2.复合管
复合管是把两个或两个以上三极管适当连接起来成为一个管子,复合管又称为达林顿管,常用复合管的形式如图所示
(a)NPN+NPN=NPN (b)PNP+PNP=PNP
(c)NPN+PNP=NPN (d)PNP+NPN=PNF

四.常用集成功率放大电路的应用
1. LM386集成功率放大电路
LM386是目前应用较广的一种小功率通用型集成功放电路,其特点是电源电压范围宽(4V~16V)、功耗低(常温下是660mW)、频带宽(300kHz)。此外,电路的外接元件少,应用时不必加散热片,广泛应用于收音机、对讲机、双电源转换、方波和正弦波发生器等。
2. TDA2616/Q集成功率放大电路
3. “傻瓜”型集成功率放大电路
4. TDA2030A音频功率放大电路
一.稳压电路的分析
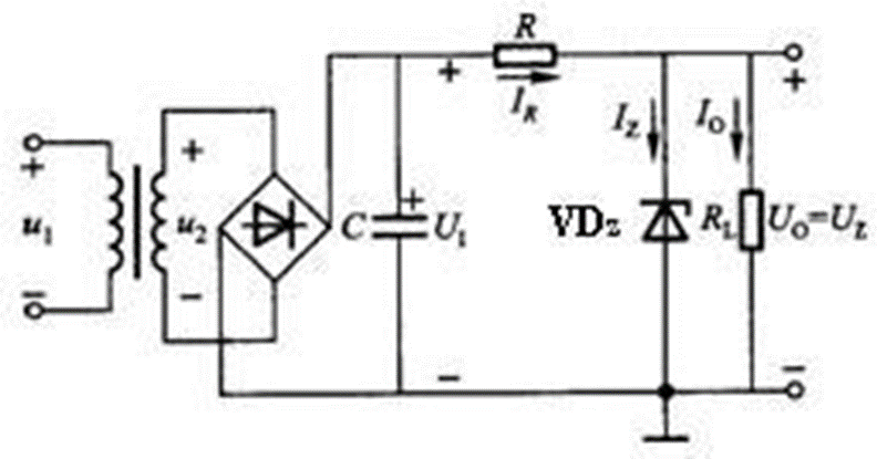
1.直流稳压电源的组成
直流稳压电源一般由电源变压器、整流电路、滤波电路、稳压电路等四部分组成,其框图如图所示。

2.硅稳压管稳压电路
图示由硅稳压管组成的稳压电路,R起限流作用。由于负载RL与用作调整元件的稳压管DZ并联,故又称并联型稳压电路。硅稳压管稳压电路所使用的元器件少,线路简单,但稳压性能差,输出电压受稳压管稳压值限制,而且不能任意调节,输出功率小,一般适用于电压固定、负载电流较小的场合,常用作基准电压源。

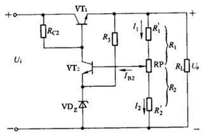
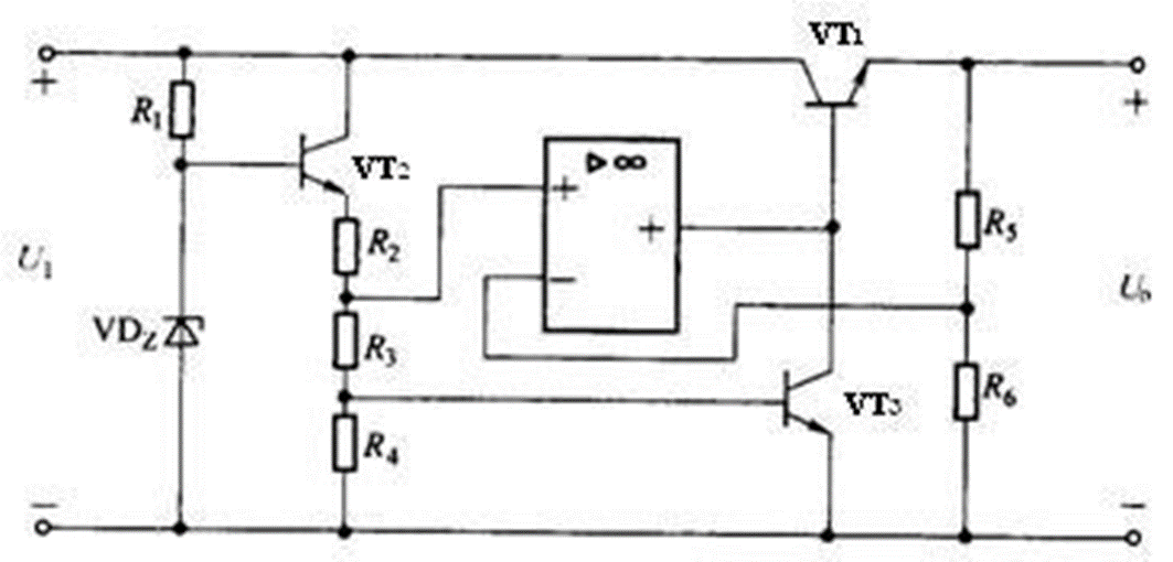
3.串联型稳压电路
(1)组成

(2)稳压原理
当负载RL不变,输入电压Ui减小时,输出电压Uo有下降趋势,通过取样电阻的分压使比较放大管的基极电位UB2下降,而比较放大管的发射极电压不变(UE2 = UZ),因此UBE2也下降,于是比较放大管导通能力减弱,UC2升高,调整管导通能力增强,管压降UCE1下降,使输出电压Uo上升,保证了Uo基本不变。当输入电压增大时,稳压过程与上述过程相反。
当输入电压Ui不变,负载RL增大时,引起输出电压Uo有增长趋势,通过取样电阻的分压使比较放大管的基极电位UB2上升,因此UBE2也上升,于是比较放大管导通能力增强,UC2下降,调整管导通能力减弱,管压降UCE1上升,使输出电压Uo下降,保证了Uo基本不变。当负载RL减小时,稳压过程相反。由此看出,稳压的过程实质上是通过负反馈使输出电压维持稳定的过程。
二.稳压电路的保护措施
1. 限流型保护电路限流型保护电路

2. 过热保护电路

实际的集成稳压电路中,往往把过流保护和过热保护电路都集成在芯片中,因此出现故障时,两种保护电路是相互关联的。
三.三端式集成稳压器的应用
1. 三端固定式集成稳压器的应用
(1)输出固定电压的稳压电路—单组电源的稳压电路
(2)提高输出电压的稳压电路

(3)提高输出电流的稳压电路

(4)具有正、负电压输出的稳压电路

2. 三端可调输出式集成稳压器
(1)概述
三端可调输出式集成稳压器是指输出电压可调节的稳压器。按输出电压分为正电压稳压器W317系列(有Wll7、W217、W317)和负电压稳压器W337系列(W137、W237、W337)两大类。按输出电流的大小,每个系列又分为L型、M型等。
(2)基本应用电路

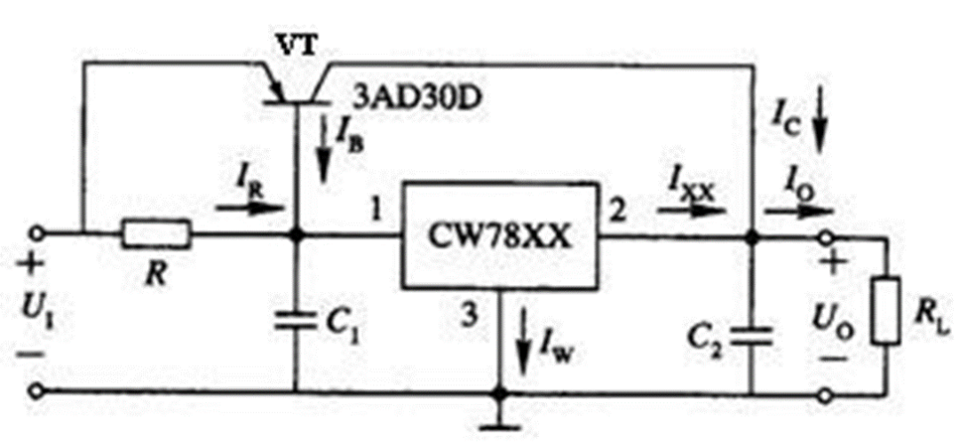
3. 低压差三端集成稳压器
MC33269系列三端集成稳压器是低压差、中电流、正电压输出的集成稳压器,有固定电压输出(3.3V、5.0V、12V)及可调电压输出四种不同型号,最大输出电流可达800mA。在输出电流为500 mA时,MC33269三端稳压集成电路的压差为1V,它的内部有过热保护和输出短路保护。
(a)固定输出电压电路 (b)可调输出电压电路

4,三端式集成稳压器的使用注意事项
(1)三端集成稳压器的输入、输出和接地端绝不能接错,不然容易烧坏。
(2)一般三端集成稳压器的最小输入、输出电压差约为2V,否则不能输出稳定的电压。一般应使电压差保持在4~5V,即经变压器变压、二极管整流、电容器滤波后的电压应比稳压值高一些。
(3)在实际应用中,应在三端集成稳压电路上安装足够大的散热器(当然小功率的条件下不用)。当稳压器温度过高时,稳压性能将变差,甚至损坏。
(4)当制作中需要一个能输出1.5A以上电流的稳压电源时,通常采用多块三端稳压电路并联起来,使其最大输出电流为N个1.5A。但应用时需注意,并联使用的集成稳压电路应采用同一厂家、同一批号的产品,以保证参数的一致性。另外,在输出电流上留有一定的余量,以避免个别集成稳压电路失效时导致其他电路的连锁烧毁。
功率放大
直流稳压
伴随着思维的碰撞
同学们又学到了不少知识
学海无涯
望君不惧困难,勇往直前!
• end •
编辑|宁彬
来源|电气学院分团委学生会科技部
责编|雷芷欣 刘心怡
审核|田孟萍
终审|周巍
投稿邮箱 | eiesu@qq.com
“电光火时”微信编辑团队荣誉出品
好看的人都点了好看??


