
为提高检验检测报告的规范,提升检验检测报告质量,降低检验检测机构法律风险,在国家市场监督管理总局认可与检验检测监管司的指导下,中国认证认可协会经广泛调研、组织行业专家深入研讨,先期制定食品、建筑材料、轻工以及纺织服装四个行业检验检测报告(样式)模板,现公开发布,供全社会各类检验检测机构、实验室及相关单位参考及使用,相关事项公告如下:
一、工作意义
检验检测报告是检验检测机构依据标准、技术规范等对样品实施检验、检测得出的检验数据、结果后出具的证明文件,是检验检测机构的主要“产品”,也是检验检测生产性服务业支撑国家社会经济高质量发展的关键产出。检验检测结果的科学性、准确性、公正性和规范性,对于经济社会的发展、百姓的日常生活的影响越来越大。目前,尽管相关国家标准、行业标准对于检验检测报告格式提出了一定要求,但通用性的规范要求尚难以满足不同行业领域的治理要求。从监管部门调查掌握的数据来看,近年来因检验检测报告格式不规范、不严谨引发的法律纠纷仍呈逐年上升趋势,主要包括标准依据列载不规范、不充分,样品描述信息不规范,报告编号等更正信息不严谨、复核救济措施说明不完整等,极易引发争议,严重影响检验检测机构及其检验检测报告的公信力和权威性。规范检验检测报告,进一步促进和提高检验检测工作质量,助力产业优化升级,对积极引导国家政策、规范行业发展和维护良好的市场秩序具有重大的意义。
二、发布声明
(一)本次发布的检验检测报告(样式)模板为食品、建筑材料、轻工以及纺织服装四个行业;
(二)本次发布的检验检测报告(样式)模板供各类检验检测机构、实验室及相关单位免费使用,中国认证认可协会不收取任何费用,亦未委托任何单位开展任何与之相关的收费活动;
(三)本次发布的检验检测报告(样式)模板供各类检验检测机构、实验室及相关单位自愿采信使用或修改使用,中国认证认可协会不对与之相关的任何法律纠纷负责;
(四)中国认证认可协会欢迎各相关单位对本次发布的检验检测报告(样式)模板提出修改意见,持续完善检验检测报告(样式)模板。
附件:



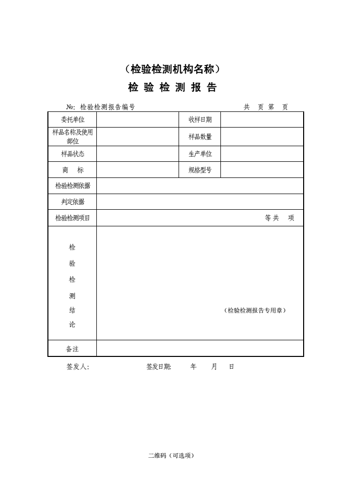
▼2.建筑材料行业检验检测报告(样式)模版





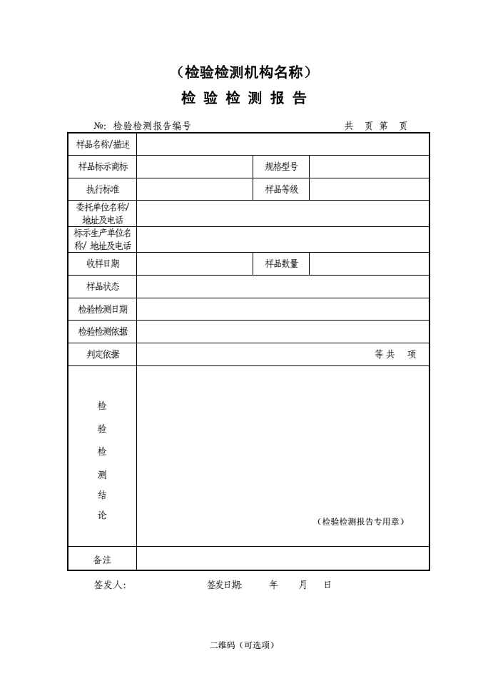
▼3.轻工行业检验检测报告(样式)模版





▼4.纺织服装行业检验检测报告(样式)模版





声明:本文所用视频、图片、文字部分来源于互联网,版权属原作者所有。如涉及到版权问题,请及时和我们联系,核实后协商处理或删除。

