点动控制的详细解说
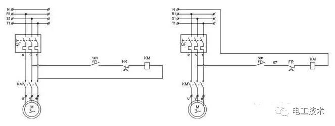
1) 点动控制的电气原理图:

对电气原理图的详解:N零线,R1、S1、T1为三相进线电源,QF为空气开关,SB1为自复位按钮,FR为热继电器的常闭点(此处为DZ108-20空开的常开触点),KM为接触器,3M~为三相异步电动机。
备注:电气原理图左面接触器线圈电压为AC380V,右图线圈电压为AC220V.
2) 点动控制的实物连线图:

下面对点动控制的实物连线图进行详解:
首先将DZ108-20空开的绿色按钮按下,此时按下自复位按钮SB1,控制回路电流导通,接触器吸合,从而三相异步电动机运转。当松开自复位按钮SB1时,控制回路电流断开,接触器随即断开,三相异步电动机停止运转。如果三相异步电动机超负荷运转导致电流过载,空开就会自动断开,此时,红色按钮进去,绿色按钮弹出来,控制回路断开,同时三相电随即断开,电动机停止运转,起到过载保护功能,此时,空开常闭点闭合,跳闸报警指示灯报警,通知用户此回路出线问题。
备注:此实物连接图中选用的空开为DZ108-20型,接触器为CJX2-1210,线圈电压为AC380V,选接触器时线圈电压千万不要选错,切记切记,报警灯线圈电压为AC220V.



