手机版
二维码
购物车
(
0
)
供应
求购
公司
团购
展会
资讯
招商
品牌
人才
知道
专题
图库
视频
下载
商圈
推广
热搜:
采购方式
甲带
滤芯
气动隔膜泵
减速机
减速机型号
带式称重给煤机
履带
无级变速机
链式给煤机
首页
供应
求购
公司
团购
展会
资讯
招商
品牌
人才
知道
专题
图库
视频
下载
商圈
首页
>
资讯
>
电工电气
能看明白这3个电路图,起码你有中级电工水平和能力!
日期:2024-02-22 12:29:53 来源:网络整理 作者:本站编辑
评论:0
能看明白这3个电路图,起码你有中级电工水平和能力!
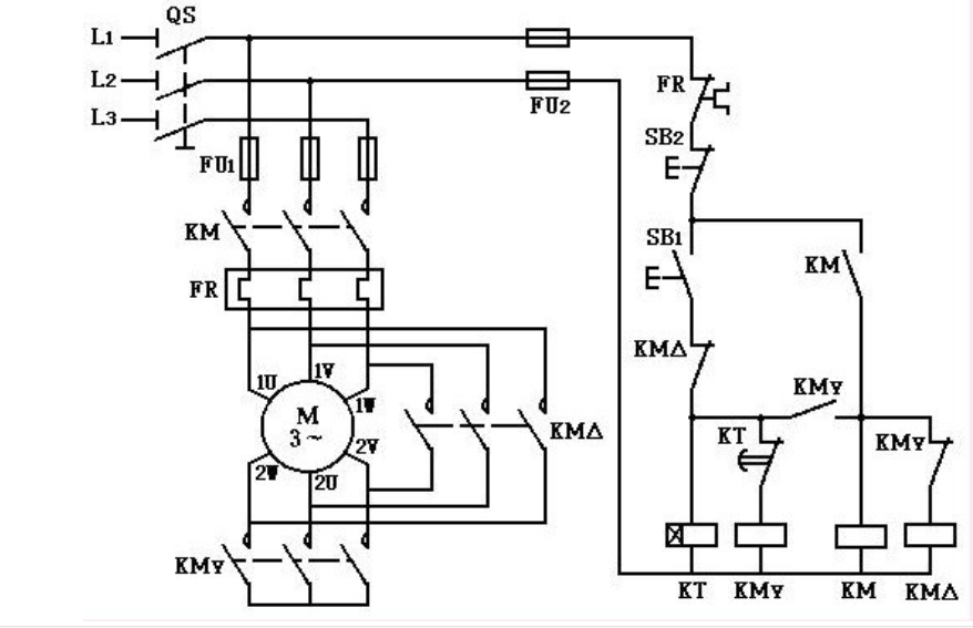
一:时间继电器控制星三角降压启动电路图
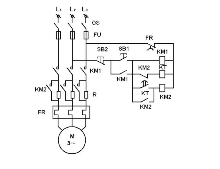
二:时间继电器控制自耦变压器降压启动电路图
三:串电阻降压启动自动控制电路图
打赏
更多
>
同类资讯
• 大跨距梯形电缆桥架 平整光滑 用
0
条
相关评论
推荐图文
推荐资讯
点击排行
0
1
大跨距梯形电缆桥架 平整光滑 用心选材
网站首页
|
关于我们
|
联系方式
|
使用协议
|
版权隐私
|
网站地图
|
排名推广
|
广告服务
|
积分换礼
|
网站留言
|
RSS订阅
|
违规举报
|
皖ICP备20008326号-18
(c)2008-2022 免费发布网 All Rights Reserved