手机版
二维码
购物车
(
0
)
供应
求购
公司
团购
展会
资讯
招商
品牌
人才
知道
专题
图库
视频
下载
商圈
推广
热搜:
采购方式
滤芯
甲带
气动隔膜泵
减速机
减速机型号
带式称重给煤机
履带
无级变速机
链式给煤机
首页
供应
求购
公司
团购
展会
资讯
招商
品牌
人才
知道
专题
图库
视频
下载
商圈
首页
>
资讯
>
机械设备
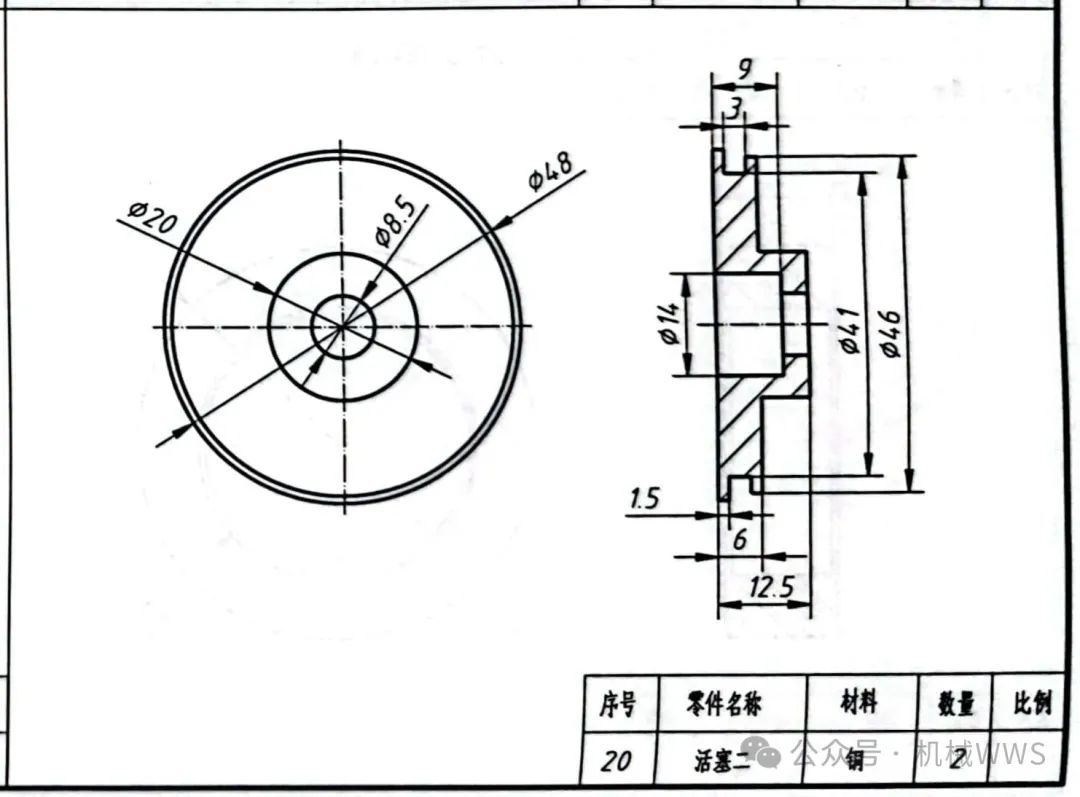
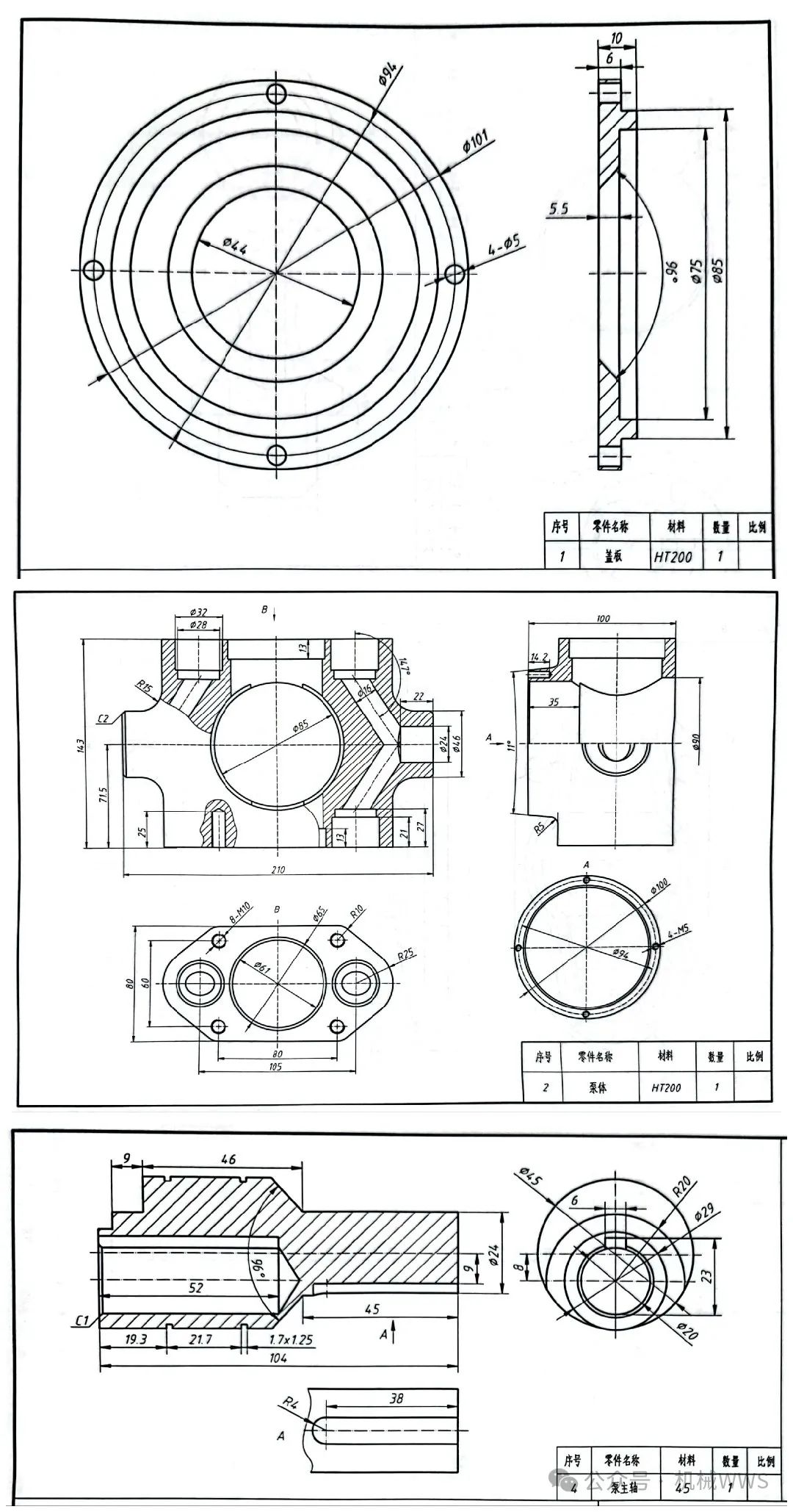
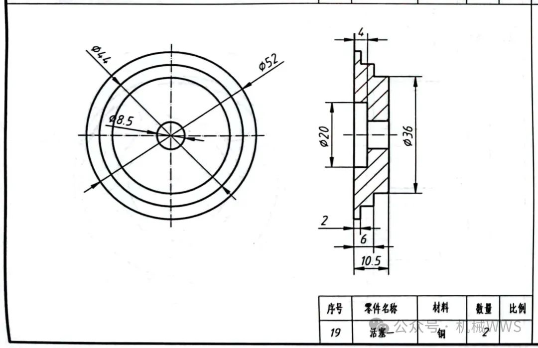
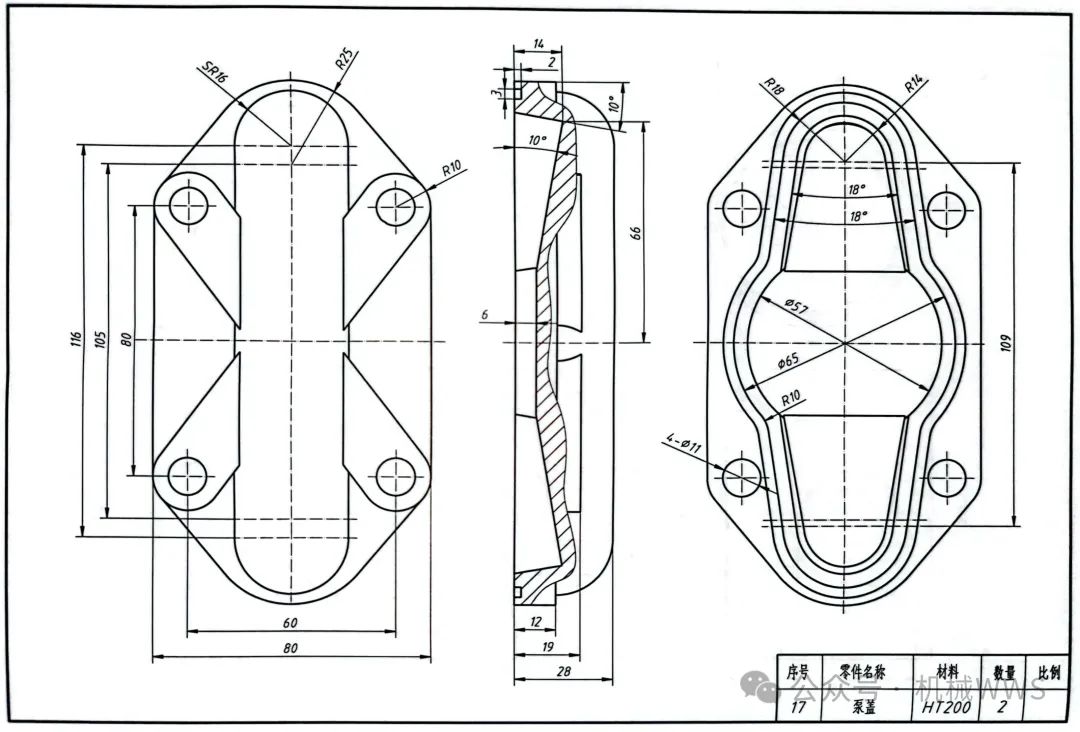
机械装配图纸:“活塞式输油泵”
日期:2024-02-21 11:24:15 来源:网络整理 作者:本站编辑
评论:0
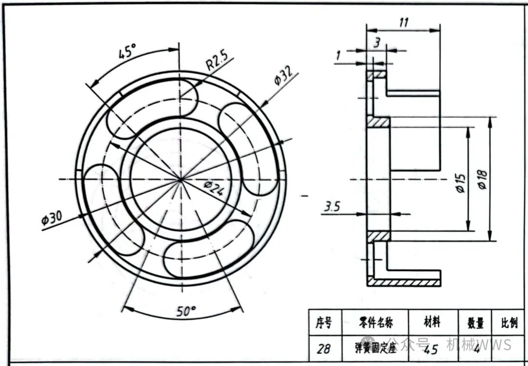
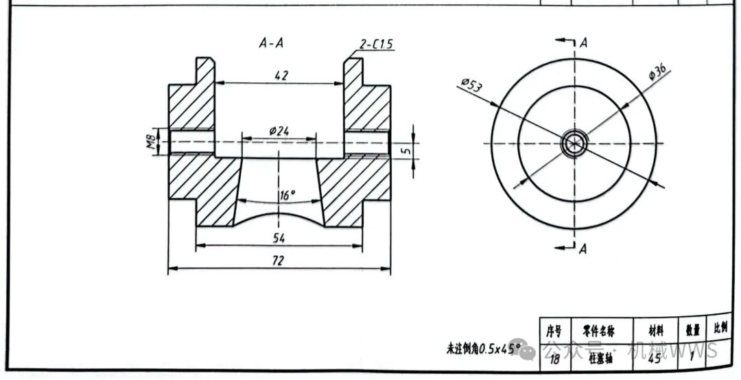
活塞式输油泵
工作过程:柴油从A口进入管道,两边各有两个单向阀,并且方向相反。转动泵主轴(4)时可带动两边活舌塞的左右移动,以左管道为原理介绍,活塞向右移动时,管道内出现负压,这时一个单向阀阀打开,柴油被吸入管道内,活塞向左移动时,将柴油压缩后另一个单向阀被打开,管道内的柴油被排出。当左管道进柴油时,右管道排出柴油,这种工作方式连续运动后就形成了连续供共油。
装配图
零件图
打赏
更多
>
同类资讯
• 出售海天注塑机1600吨伺服机
0
条
相关评论
推荐图文
推荐资讯
点击排行
18
1
求自动化设备供应商
14
2
烟台机械类小公司招人咋那么难
12
3
半导体设备零部件供应商系列:石英部件
10
4
是做齿轮链轮⚙️的厂子嘛~
9
5
没有进项票的二手工程机械如何合规出口?
8
6
喷涂工艺
7
7
不用预热焊接耐磨板专用焊丝 JD825耐磨钢焊丝
7
8
电镀生产线,这里也太酷了吧!?
6
9
实验室教学设备采购必入清单!
网站首页
|
关于我们
|
联系方式
|
使用协议
|
版权隐私
|
网站地图
|
排名推广
|
广告服务
|
积分换礼
|
网站留言
|
RSS订阅
|
违规举报
|
皖ICP备20008326号-18
(c)2008-2022 免费发布网 All Rights Reserved