答:用绝缘棒拉合隔离开关(刀闸)或经传动机构拉合隔离开关(刀闸)和断路器(开关),均应戴绝缘手套,雨天操作室外高压设备时,绝缘棒应有防雨罩,还应穿绝缘靴,接地网电阻不符合要求的,晴天也应穿绝缘靴,雷电时,禁止进行倒闸操作。装卸高压可熔保险器,应戴护目镜和绝缘手套,必要时使用绝缘夹钳,并站在绝缘垫或站在绝缘台上。
①电源电压太高,这时电动机铁芯磁通过饱和,使空载电流过大;78、异步电动机三相空载电流严重不平衡有哪些原因?②在同样的输出功率下,直流电动机比交流电动机重量轻,效率高。80、普通单相三相插头的保护接地插脚为什么要比其他的脚稍长?答:目的是当三相插头插入三极插座时,接地插脚先于其他两脚插入插座,拨出时则相反,这个长脚始终起着保护接地的作用。
答:保护工作人员在工作地点防止突然来电的可靠安全措施,同时设备断开部分的剩余电荷,亦可因接地而放尽。
答:验电时,必须用电压等级合适且合格的验电器,在设备进出线两侧各相分别验电,验电前应先在有电设备上确证验电器良好,验电时,必须戴绝缘手套,无合适验电器时,可使用绝缘棒,根据棒端有无火花和放电辟啪声来判断有无电压。

答:①通畅气道;②口对口(鼻)、人工呼吸;③胸外按压(人工循环)答:将有关设备的电源切断,然后进行救火,对带电设备使用干灭火器,不得使用泡沫灭火器,对注油设备应使用泡沫灭火器或干燥的砂子等灭火。
自感现象:线圈中由于自身电流的变化而产生感应电动势的现象。
互感现象:由于一个线圈的电流变化而导致另一个线圈产生感应电动势的现象
答:在交流电通过导体时,导体截面上各处电流分布不均匀,导体中心处密度最小,越靠近导体的表面密度越大,这种趋向于沿导体表面的电流分布现象称为集肤效应。
答:自动灭磁装置是在发电机主开关和励磁开关跳闸后,用来消灭发电机磁场和励磁机磁场的自动装置,目的是在发电机断开后尽快去掉发电机电压,减轻故障的后果。
答:套管表面脏污容易发生闪络现象,因为空气的耐压强度不如套管,当电压达到一定数值时,若套管的表面有脏污,在它的表面先发生放电现象,由弱到强这种现象的闪络,发生闪络的最低电压称为闪络电压,若套管的表面还潮湿时,闪络电压更低。
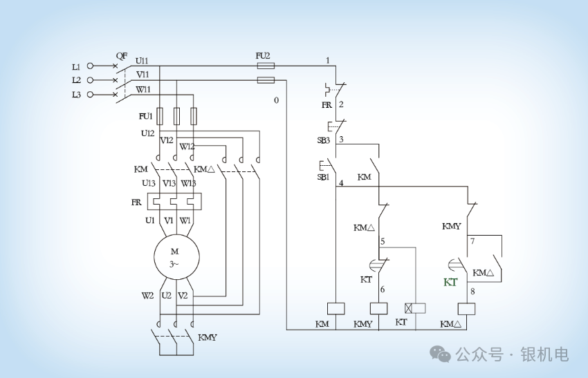
答:Y-Δ,自耦降压,串联电抗器(定子绕组中),软启动,变频启动。

答:PT实际上就是一种降压变压器,由于它的一次线圈匝数多,二次线圈匝数少,且二次负载阻抗大,通过的电流很小,因此,PT的工作状态相当于变压器的空载情况。
答;交流电流过电感元件时,电感元件对交流电电流的限制能力叫感抗;交流电流过电容元件时,电容元件对交流电的限制能力叫容抗;感抗和容抗的差值叫电抗;在具有电阻、电感和电容串联的电路里,对交流电所起的总的阻碍作用,称阻抗。
93、在直流电路中,电感的感抗和电容的容抗各是多少?答;在直流电路中。电流的频率等于0,所以:感抗为0,相当于短路,容抗为无穷大,相当于开路。
在P、L和L的串联电路中,出现电路的端电压和电路总电流同相位的现象,此时交流电源仅供给电路中电阻损耗的能量,不再与电感和电容器发生能量交换,我们称这为串联谐振。
特点:一、电路的阻抗最小,电流最大;二、电感和电容上可能产生很高的谐振过电压。
答:输电线路有电阻和电感,线路输送功率时不仅有有功功率的损耗,还会产生电压降。在长距离、大容量送电线路上,一部分感抗被容抗所抵消,就可以减少电压降,提高电压质量。
①变压器长期渗油或大量漏油;②变压器放油后,没有及时补油;答:变压器油面过低会使轻瓦斯保护动作,变压器散热能力下降,严重缺油时,铁芯和线圈暴露在空气中,并可能造成绝缘击穿。
答:使油和空气的接触面积减少,从而减少了油受潮和氧化的可能性。装设油枕后,还能装设气体瓦斯继电器,用来保护变压器内部故障。
答:为了防止变压器在运行或试验时,由于静电感应而在铁芯或其它金属构件上产生悬浮电位,造成对地放电。
只能允许一点接地,是因为如果有两点或两点以上接地,则两点之间可能形成闭合回路,当主磁通穿过此闭合回路时,就会在其中产生循环电流,造成局部过热。

①安装使用不合理。如机械负荷超过规定、电压等级不符合,和未按污秽等级选择等;内容来源于互联网等公开渠道,转载内容版权归原作者或机构所有,如有侵权,请联络删除,本公众号不承担侵权责任