推广 热搜: 采购方式  甲带  滤芯  气动隔膜泵  带式称重给煤机  减速机型号  链式给煤机  减速机  无级变速机  履带 

电工识图基础知识,一看就懂!

   日期:2024-02-14 04:44:43     来源:网络整理    作者:本站编辑    评论:0    

限时领取| 16套电气行业工具包

(点,免费领资料↑↑)



新手电工:不会识图,对电工意味着什么?


老电工:识图是基础,告别土电工! 识图是进阶,提升自己的必学知识!

为何一直强调识图的重要性呢?很简单真的重要。拿电气成套行业为例,一般有 一次安装、二次接线、成套报价、售后维修、电气设计等岗位,基本所有岗位都需要有识图基础,就是需要你能看懂图纸,按图操作。哪怕是二次接线,有些地区也是看原理图接线!

总结为一句话:只有掌握了识图技巧及如何识图?才能往更高层次的方向发展,如电气设计

很多人会说,我只想做“物业电工,那以上当没说,如果想提升自己,我们一起来看看该如何学识图?


精品好文:

家里零线断了为啥会烧电器?

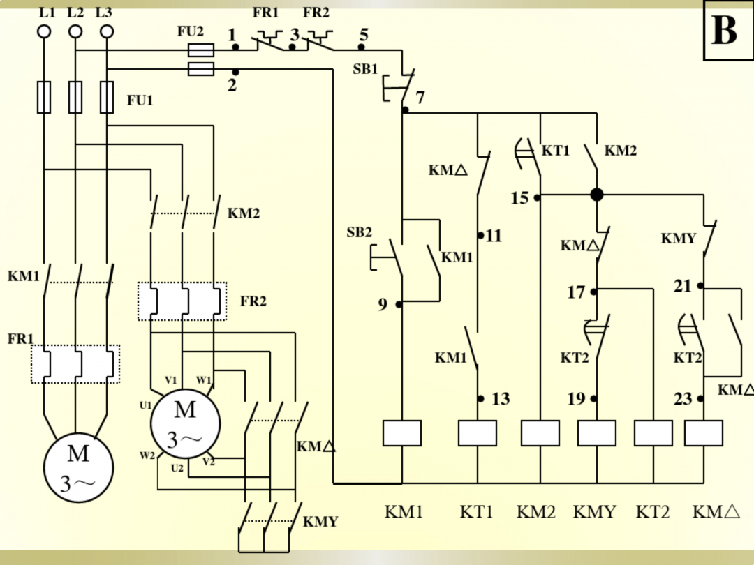
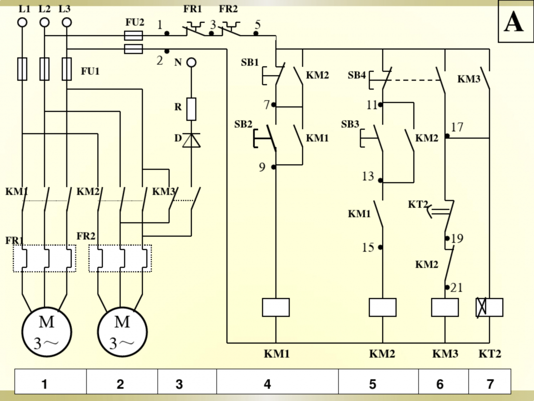
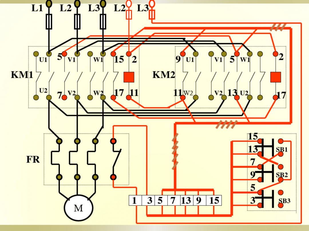
四个电气原理图判断你是不是一个合格电工

50种常用经典电路图,别再抱怨电气设计太难了!

为什很多电工不愿意装漏电保护器?看完你就懂了!

2死1伤!又是带压堵漏!

好看点一下

 
打赏
 
更多>同类资讯
0相关评论

推荐图文
推荐资讯
点击排行
网站首页  |  关于我们  |  联系方式  |  使用协议  |  版权隐私  |  网站地图  |  排名推广  |  广告服务  |  积分换礼  |  网站留言  |  RSS订阅  |  违规举报  |  皖ICP备20008326号-18
Powered By DESTOON