手机版
二维码
购物车
(
0
)
供应
求购
公司
团购
展会
资讯
招商
品牌
人才
知道
专题
图库
视频
下载
商圈
推广
热搜:
采购方式
滤芯
甲带
气动隔膜泵
减速机
减速机型号
带式称重给煤机
履带
无级变速机
链式给煤机
首页
供应
求购
公司
团购
展会
资讯
招商
品牌
人才
知道
专题
图库
视频
下载
商圈
首页
>
资讯
>
机械设备
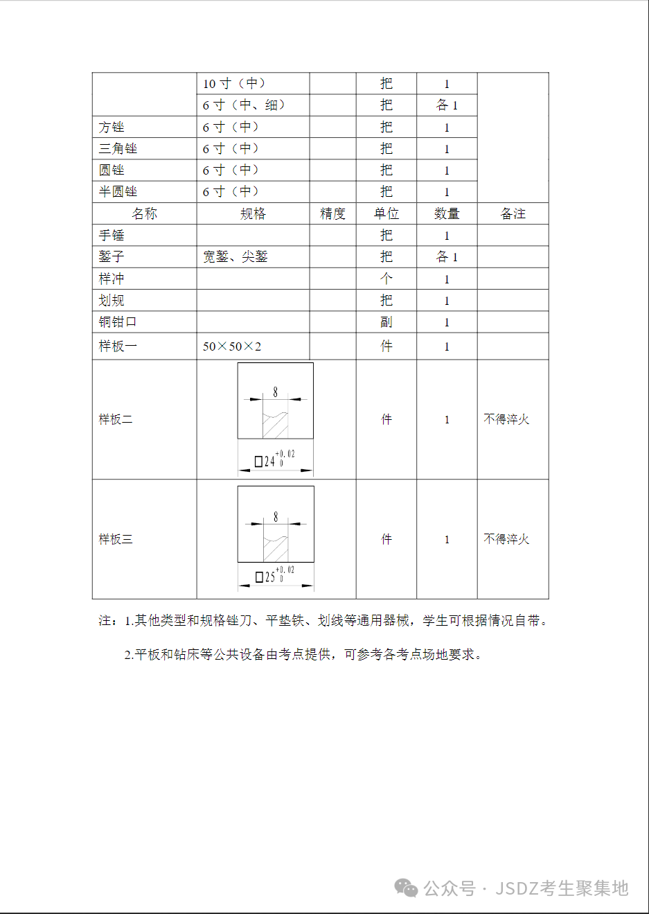
中职职教高考|2024年江苏职教高考机械类(钳工、电工)专业技能考试工量刀具清单
日期:2024-02-13 04:17:49 来源:网络整理 作者:本站编辑 浏览:
119
评论:0
江苏职教高考专业理论、专业技能网课试听:
中职职教高考|专业理论、专业技能网课试听(春节报名优惠中)
打赏
更多
>
同类资讯
• 应急计划,体系人收藏
• 建筑挂靠项目
• 三一重工基本面分析报告
• 中国矿山机械设备
• 求问:汽车零部件制造行业
• 厂家,经销商
• 有没有工程机械销售外贸业务员
• 叉车师傅们看过来
• ?机械设备推广秘籍,百度有招!
• 有没有靠谱的批发商呀?
0
条
相关评论
推荐图文
推荐资讯
点击排行
10
1
是做齿轮链轮⚙️的厂子嘛~
6
2
不用预热焊接耐磨板专用焊丝 JD825耐磨钢焊丝
6
3
实验室教学设备采购必入清单!
5
4
有做医疗设备的工厂吗
4
5
苏州电子厂8000+一个月,包吃包住,可内荐
4
6
震惊!工厂实拍揭秘!
4
7
研发质量生产销售工艺采购谁是地位天花板
4
8
铸件采购,铸造厂联系我!
4
9
机械外贸怎么找客户
网站首页
|
关于我们
|
联系方式
|
使用协议
|
版权隐私
|
网站地图
|
排名推广
|
广告服务
|
积分换礼
|
网站留言
|
RSS订阅
|
违规举报
|
皖ICP备20008326号-18
(c)2008-2022 免费发布网 All Rights Reserved