
由于三相电是有三根火线的,因此我们在接负载时要如何对中性线和零线上的电流进行正确的计算呢?
三相负载平衡 众所周知,三相电源是咱们日常生活中最常见的电源。无论是何线制,三相的电源都是一直处于平衡状态的,并且三相线任意两相之间的夹角都是120度的电源。

此外,值得注意的是,三相电源在平衡状态下的时候,电流本身就是矢量。因此,当三相平衡的时候,零线和中性线上的矢量和就是0。

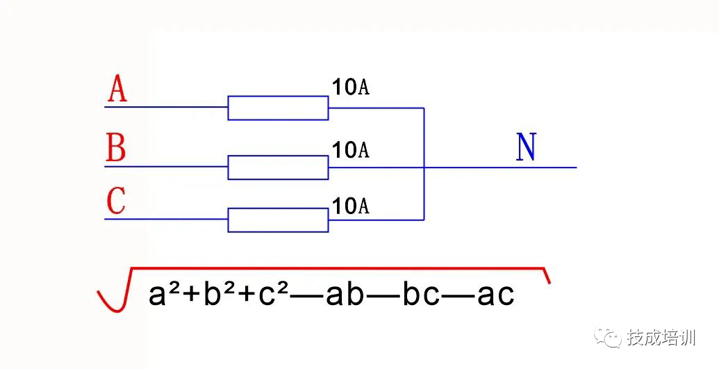
三相平衡时,零线与中性线电流的计算公式为:
√a²+b²+c²—ab—bc—ac

三相负载不平衡 当三相处于不平衡负载状态的时候,零线和中性线上的电流就和第一种情况不一样了,并不是0。但是它的计算方法依旧是采用上述我们所说的公式,即:√a²+b²+c²—ab—bc—ac。

因此,我们不难得知:零线和中性线上的电流并不是一成不变的,而是由它所采用电源所处的状态而定的。你们学会了吗?
由于三相电是有三根火线的,因此我们在接负载时要如何对中性线和零线上的电流进行正确的计算呢?
众所周知,三相电源是咱们日常生活中最常见的电源。无论是何线制,三相的电源都是一直处于平衡状态的,并且三相线任意两相之间的夹角都是120度的电源。

此外,值得注意的是,三相电源在平衡状态下的时候,电流本身就是矢量。因此,当三相平衡的时候,零线和中性线上的矢量和就是0。

三相平衡时,零线与中性线电流的计算公式为:
√a²+b²+c²—ab—bc—ac

当三相处于不平衡负载状态的时候,零线和中性线上的电流就和第一种情况不一样了,并不是0。但是它的计算方法依旧是采用上述我们所说的公式,即:√a²+b²+c²—ab—bc—ac。

因此,我们不难得知:零线和中性线上的电流并不是一成不变的,而是由它所采用电源所处的状态而定的。你们学会了吗?
赞是一种友谊 | 分享传递智慧
这里是书香半岛,谢谢你的阅读!
好东西不仅要收藏,更不能忘记分享朋友圈!
免责声明:本文来源于网络,版权归原作者所有。如涉及作品版权问题,请与我们联系,我们将根据您提供的版权证明材料确认版权并于接到证明的一周内予以删除或做相关处理!
长按二维码可识别关注



