点击下方名片 ▏关注荣威测试
今天来继续介绍一些钣金设计的些许原则,在认真去看过之后会发现自己在设计过程中能够运用时会减少很多不必要的设计修改,也会让别人觉得这个工程师技术名不副实,因此,努力学习,总结归纳经验,提升自己才是真正的硬道理;
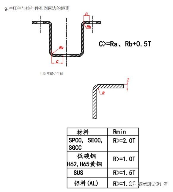
1.钣金件的折弯需要考虑:
折弯高度,孔边距,沙拉孔等设计,具体可以参考下图设计;
折弯高度:
确保折弯半径适中:在钣金折弯过程中,应选择合适的折弯半径,以避免在折弯处产生过大的应力集中或折弯角度误差;
孔边距:
孔边距指的是钣金件上孔的位置与边缘的距离。合理的孔边距不仅能提高加工精度,还有助于提升产品的机械性能;


2.钣金设计基本原则:
包括确保安全性和可靠性、追求简化和优化、提高材料利用率、考虑工艺性和加工性、实现标准化和模块化,以及注重美观性和功能性。遵循这些原则有助于提高设计效率、降低制造成本,并提升产品的整体品质;









以上就是一些钣金设计过程中经常遇到的设计问题,需要认真去掌握,同时需要与钣金工艺人员多沟通,多了解加工工具,展开问题方面的技术,做到设计中也理解工艺;
注意事项总结:
钣金设计是一项技术性很强的工作,涉及到许多复杂的要求和细节。对于钣金件的厚度,常见的规格有0.5、1、1.5、2、2.5、3、4、5等,但实际上,厚度大于6mm的很少见,因为这样的厚度很难进行折弯;
在钣金件的折弯方面,有很多技术要求。除了折弯高度之外,孔边距和孔中心距等也是需要考虑的重要因素。这些因素都会影响到钣金件的机械性能和加工制造的可行性。因此,在进行钣金设计时,需要充分了解各种工艺要求和规范,以确保设计出的钣金件能够满足实际应用的需求;
此外,冲压件的设计也有很多技术要求。设计人员可以通过多看一些实际的产品和参考相关的技术资料来提高自己的设计水平。如果遇到难以解决的问题,可以与钣金加工和设计人员进行沟通,甚至去现场观察加工过程,以更好地了解各种工艺要求和细节;
最后,设计人员需要不断地学习和总结,以提升自己的设计水平。只有不断地学习和实践,才能更好地掌握钣金设计的技能,设计出更加优秀的产品;
图片来源于网络,如有侵权请联系删除!

*点击关注公众号后给作者留言即可获得以下福利资源:
1.Solidworks/CAD的软件安装包;
2.非标机械设计选型计算表格;
3.非标机械书籍:机械设计手册&非标机械设计手册等书籍;
4.机械工程师面试题;
5.非标机械设计选型计算资料;
6.机械模型图纸:线体&自动折盒机&点胶机等部分模型图纸;
........................................


