手机版
二维码
购物车
(
0
)
供应
求购
公司
团购
展会
资讯
招商
品牌
人才
知道
专题
图库
视频
下载
商圈
推广
热搜:
采购方式
滤芯
甲带
减速机
气动隔膜泵
减速机型号
带式称重给煤机
履带
无级变速机
链式给煤机
首页
供应
求购
公司
团购
展会
资讯
招商
品牌
人才
知道
专题
图库
视频
下载
商圈
首页
>
资讯
>
电工电气
电气原理动图
日期:2024-02-02 21:25:06 来源:网络整理 作者:本站编辑
评论:0
低压电器部分
1
按钮开关
2
闸刀开关
3
行程开关
4
交流接触器
5
热继电器
6
时间继电器
7
速度继电器
电动机及控制线路
1
异步电动机
2
直流电动机
3
步进电动机
4
永磁电机
5
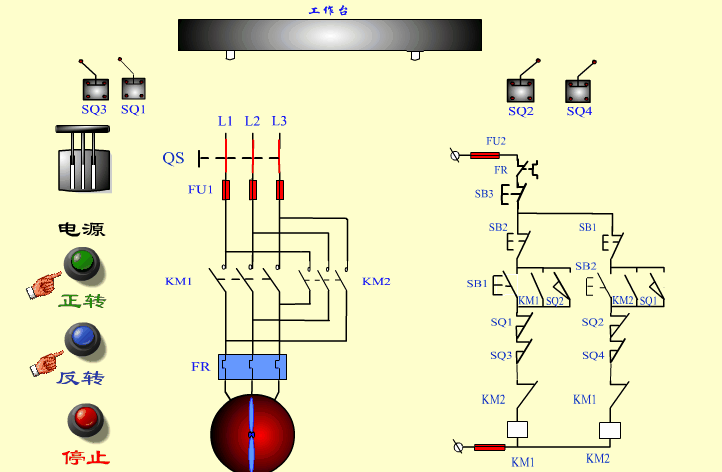
正反转控制
6
自动往返控制
7
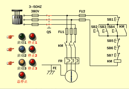
顺序控制
8
多点控制
9
星三角启动
传感及控制原理
1
布料张力测量
2
MQN型气敏电阻
3
气泡式水平仪
4
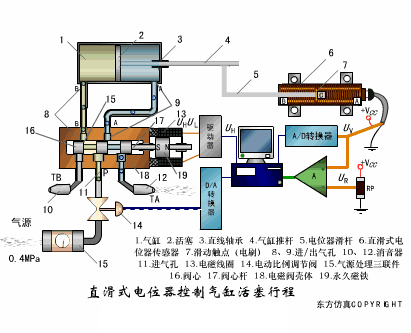
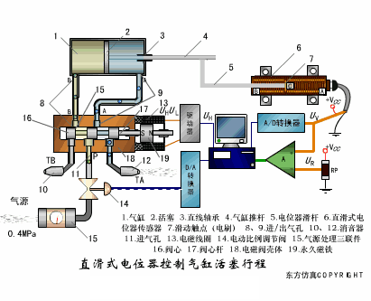
直滑式电位器控制气缸活塞行程
5
电容加速度传感器
100个PLC和传感器的工作原理动
PLC控制系统,Programmable Logic Controller,可编程逻辑控制器,专为工业生产设计的一种数字运算操作的电子装置,它采用一类可编程的存储器,用于其内部存储程序,执行逻辑运算,顺序控制,定时,计数与算术操作等面向用户的指令,并通过数字或模拟式输入/输出控制各种类型的机械或生产过程,是工业控制的核心部分。
自二十世纪六十年代美国推出可编程
逻辑控制器
(Programmable Logic Controller,PLC)取代传统继电器控制装置以来,PLC得到了快速发展,在世界各地得到了广泛应用。同时,PLC的功能也不断完善。随着计算机技术、信号处理技术、控制技术网络技术的不断发展和用户需求的不断提高,PLC在开关量处理的基础上增加了模拟量处理和运动控制等功能。今天的PLC不再局限于逻辑控制,在运动控制、过程控制等领域也发挥着十分重要的作用。来学习一下这些动图吧!
PLC
顺序控制
PLC正反转控制
按钮开关
冲孔加工
断电延时型
时间继电器
多点控制
滚轮式行程开关
交通信号灯
机械手
交流接触器
热继电器
三相闸刀
时间继电器
手动控制
速度继电器
星三角启动
异步电动机转动原理
自动往返控制
传感器工作原理动图
图片上传失败,请稍后重试
重试
打赏
更多
>
同类资讯
• 智邦ERP,电气企业项目到生产交付
0
条
相关评论
推荐图文
推荐资讯
点击排行
0
1
稳压器
0
2
铜柱式大功率150KVA稳压器
0
3
三相电力稳压器和普通稳压器区别在哪?
0
4
1500卖30KVA稳压器 需要自己来拉
0
5
高低压智能组合式稳压器!SBW大功率稳压器
0
6
工厂大功率稳压器的作用
0
7
大功率交流稳压器的作用
0
8
大功率稳压器有必要买吗?
0
9
80kw稳压器是智商税吗?
网站首页
|
关于我们
|
联系方式
|
使用协议
|
版权隐私
|
网站地图
|
排名推广
|
广告服务
|
积分换礼
|
网站留言
|
RSS订阅
|
违规举报
|
皖ICP备20008326号-18
(c)2008-2022 免费发布网 All Rights Reserved