新型电力系统即在满足安全的前提下,最大化的消纳绿色清洁能源的电力系统,因此是为低碳服务,为实现碳达峰碳中和目标服务。而新型电力系统应用的开关柜,也是要具有低碳环保的特质,坚持绿色低碳生态设计理念贯穿在开关设备开发的各个环节中,实现开关设备全生命周期的低碳环保。

穿心式电流互感器、低功率传感器在中压开关柜中使用已超过四十年,伊顿公司的TVAC断路器及开关柜就采用电流传感器作为微机保护装置的电流输入,施耐德断路器开关柜也配有低能量穿心式电流互感器,可以安装在触头盒上。

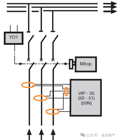
低压框架断路器即采用罗氏线圈作为电流测量,配合电流互感器提供脱扣装置电源,使低压断路器具有自脱扣功能。
美标空气绝缘开关柜主流采用的电流互感器也是穿心式电流互感器,采用工程塑料压制,单二次绕组或多二次绕组形式,体积小,重量轻,安装在断路器室触头盒前部,方便更换。

而国内现在主流中压开关柜仍然坚持采用环氧树脂浇铸型互感器,体积、重量很大,使用大量不易拆解、绿色处理的环氧树脂,发热量大等等,都不符合绿色低碳发展的方向要求,虽然国内企业已经将互感器做得很便宜,客户也普遍接受,但不等于这个方案就是好的。
电流传感器如罗氏线圈,通过采用无铁芯线圈,没有磁饱和,测量电流范围广,1-3150A全范围一个传感器都可以使用,增容扩展无需更换。
输出豪伏级电压信号可以直接供微机保护使用,无需能量变换,一般在微机保护中,需要一个模块将1A或5A的输入电流转变为毫安级电流供计算处理,同样对于电压互感器也是一样,需要变压模块将100/57.7V变为豪伏级电压使用。采用罗氏线圈电流传感器,电容分压电压传感器即可无需上述模块转换,输出信号直接供保护装置使用。

体积小,重量轻,安装方便,如电流传感器直接安装在触头盒上,或安装在极柱上。一体化设计,户外柱上断路器已广泛使用。

材料省,生产过程中能耗低,采用工程塑料压制,可拆解,报废阶段无需碳排放处理,材料可循环重复使用。
小型化传感器、互感器同样可以满足计量标准0.2S/0.5S的要求,提供高精度计量,容量虽小但完全可以满足商用计量要求。


配备小型化、环保型智能电压电流量测装置是开关设备发展的必然趋势。通过技术研发、产品创新,一体化集成,需要克服困难,改变开关设备粗发的发展,科学化、精细化研发生产开关设备。
~END~



