加工生产COB橱柜灯、COB衣柜灯、COB书柜健康照明灯、道自天合COB酒柜灯、道自天合COB浴柜灯、道自天合COB阳台柜灯、道自天合COB餐边柜灯、COB鞋柜灯、COB玄关柜灯
这是一款嵌入式安装的LED灯,采用隐藏式窄边设计,几乎可以完全安装于预开槽里,非常适合柜子的侧边的安装
极窄风格设计,使发光线更加精致适用于橱柜柜底、柜内、柜沿、高柜、衣
柜、酒柜、装饰柜、展柜等
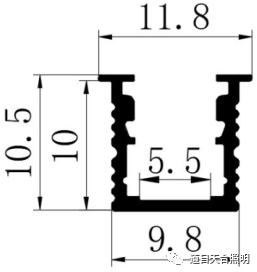
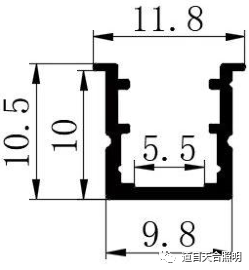
DH033 12*10线条灯


道自天合品牌LED橱柜灯简介
道自天合LED橱柜灯是基于照明、装饰用途开发的一系列产品。它是通过精密数控车床制造出来的精美氧化铝合金灯具,白光是运用于家居、商业照明健康的理想新光源,具有一定代替传统的功能,而彩色系是室内、室外廊道理想的LED装饰灯健康
适用范围
多用于商店展示橱窗、饭店、餐厅等室内装饰照明;展厅、艺术厅、博物馆、办公室、阅览室等局部照明健康。酒吧、的士高、卡拉OK等氛围照明:天花灯等耐用性特殊环境道自天合照明,特别适用于珠宝、金饰和时装照明
【道自天合】照明品牌(DAOZITIANHE)专注于为中高端橱衣书酒浴柜厂家提供专业的橱柜灯光、衣柜灯光、书柜灯光、酒柜灯光、浴柜灯光、定制灯光、灯光铝材、电源开关、灯光配件、智能感应控制系统等,专业定制柜子灯光产品和电源感应开关产品。满足中高端柜体厂家客户在智能家居灯光系统解决方案需求,创造中国家居用品行业新价值。定制灯光全品类产品,首选道自天合!让我们一起畅想未来、携手成长、快乐共享。您的选择,是我们努力的方向!我们会确保产品精工智造,品质优异,坚固好用,售后贴心。

















































































































