
| 表格目录 | |
| 1、外来人员进出登记表 | 52、微生物检验原始记录 |
| 2、受控文件清单 | 53、商业无菌检验原始记录 |
| 3、受控标准清单 | 54、无菌砖破坏性试验pH值原始记录 |
| 4、培训申请单 | 55、CIP清洗记录 |
| 5、年度培训计划 | 56、包材清洗记录 |
| 6、培训记录表 | 57、包材自检记录 |
| 7、设备维修计划 | 58、水处理清洗记录表 |
| 8、设备维修保养确认记录 | 59、灌装前盖杀菌记录表 |
| 9、生产计划 | 60、杀菌锅生产记录 |
| 10、生产设备台帐 | 61、前处理生产记录 |
| 11、设备记录卡 | 62、酸碱配制记录 |
| 12、设备运行记录 | 63、PLS--V灌装机生产记录Ⅰ(CCP) |
| 13、设备维修记录 | 64、PLS--V灌装机生产记录Ⅱ(CCP) |
| 14、测量设备台帐 | 65、无菌罐运行原始记录 |
| 15、测量设备周期检定表 | 66、UHT超高温管式杀菌机生产记录 |
| 16、实验设备台帐 | 67、食品添加剂和加工助剂使用记录 |
| 17、测量、实验设备周期检定计划表 | 68、产品开发建议表 |
| 18、质量记录控制一览表 | 69、产品开发计划书 |
| 19、质量信息反馈单 | 70、样品制作计划 |
| 20、技术文件更改通知单 | 71、样品品评记录 |
| 21、产品巡检记录表 | 72、样品检验记录 |
| 22、物资请购单 | 73、客户反馈单 |
| 23、物资采购计划 | 74、XXX加工工艺单 |
| 24、原辅材料、包装材料索证一览表 | 75、设计评审报告 |
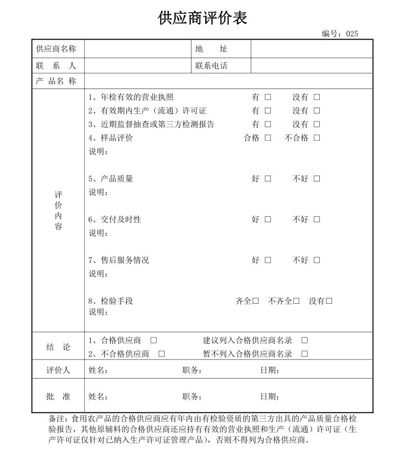
| 25、供应商评价表 | 76、工艺文件 |
| 26、合格供应商汇总表 | 77、产品开发确认表 |
| 27、原辅料、包装材料进货台账 | 78、新品开发进度表 |
| 28、食品添加剂和加工助剂进货台账 | 79、调样采购需求表 |
| 29、到货通知单 | 80、小试原始记录表 |
| 30、采购物资检验报告单 | 81、感官评定表 |
| 31、采购物资入库台账 | 82、产品信息表 |
| 32、原辅料、包装材料出库台账 | 83、问题产品处理记录 |
| 33、领料单 | 84、不安全产品召回记录 |
| 34、配料记录表 | 85、食品召回措施报告 |
| 35、原料投料记录表 | 86、食品召回阶段性进展报告 |
| 36、洗衣记录 | 87、食品召回总结报告 |
| 37、生产区卫生清理记录 | 88、产品品尝调查表 |
| 38、紫外灯照射记录表 | 89、产品试验原始记录 |
| 39、消毒液配制记 | 90、蛋白质检验原始记录 |
| 40、场所清洁消毒记录表 | 91、食品中水分、灰分、脂肪测定原始记录 |
| 41、设备、设施清洗消毒记录 | 92、成品检验报告 |
| 42、抽检产品留样记录 | 93、出库标准表 |
| 43、委托出厂检验登记表 | 94、原物料采购需求表 |
| 44、核桃油检验原始记录 | 95、培训记录表 |
| 45、成品出厂检验报告 | 96、留样记录表 |
| 46、成品检验报告单 | 97、成品售后质量异常汇总表 |
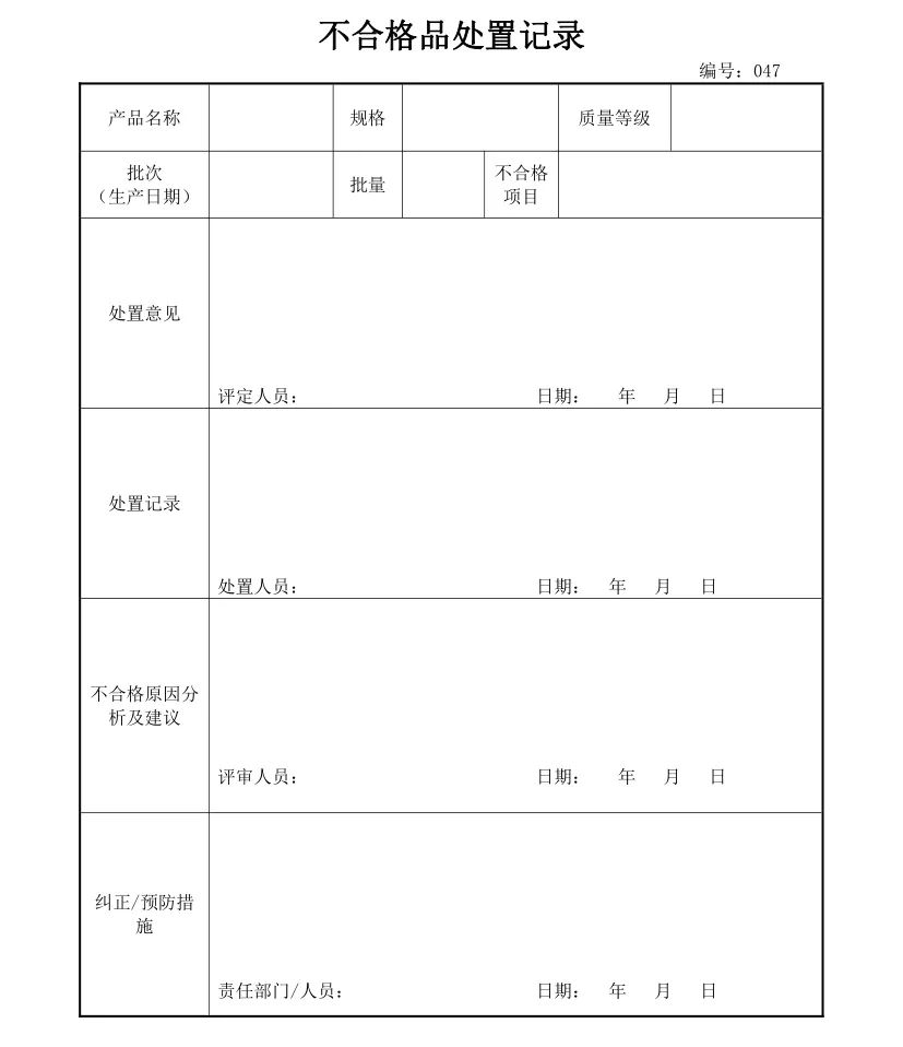
| 47、不合格品处置记录 | 98、新产品设计开发会议记录表 |
| 48、成品入库台账 | 99、新产品开发方案表 |
| 49、成品出库台账 | 100、新产品中试状况表 |
| 50、产品销售台账 | 101、新产品开发费用表 |
| 51、消费者投诉处理记录 | |



















































































END




···长按关注···
···中食标准网云课堂···



