
前言
本公众号旨在分享通信、网络、弱电行业知识、最新发展,以及工作生活中各类场景技术解决方案。希望能吸引到同行业小伙伴一起交流学习、共同进步。
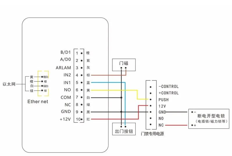
本期我们一起来看下如何门禁设备具体如何接线?
一、门禁各类设备如何接入到电源中






获取以下系统设计方案、报价清单、CAD设计图纸等资料请加入微信社群
资料导航:
1、视频监控系统
2、楼宇对讲系统
3、出入口控制及门禁系统
4、公共广播及背景音乐系统(小区、公园、园区、学校、单位等)
5、防盗报警系统(周界、室内)
6、停车场道闸(停车场)
7、人行、人脸识别道闸(出入口)
8、多媒体视频会议系统(各行业)
9、监视器、LED、小间距、触摸、信息发布屏(室内外、指挥中心等)
10、数据中心机房工程建设方案设计
11、楼宇自控系统
12、应急指挥中心系统建设方案
13、智慧校园整体解决方案(CAD设计方案、投标技术文件)
14、医院智能化系统设计方案
15、幼儿园智能化弱电CAD设计图,可以作为投标技术文件模板
16、智慧小区整体解决方案
17、智慧酒店整体解决方案(配置清单、五星级千万级)
18、智慧园区、产业园区主打方案
19、大型综合医院智能化系统初步设计汇报
20、银行数据中心解决方案
21、无线AP选型设计和安装部署方案
22、无线WLAN设计方案
23、机房搬迁技术方案
24、法院审判大楼智能化弱电设计方案
25、云数据中心解决方案
26、数据中心机房线缆敷设与理线
27、公安视频专网IPC准入控制解决方案
28、智慧工地解决方案
29、智慧景区方案
30、民航机场弱电系统工程
31、审讯、庭审系统(公安、纪委、法院、检察院等)
32、人车物特征分析搜索比对系统(主要公安、交警)
33、智能行为分析系统(各种场景穿越、拌线、徘徊、聚集、快速奔跑等)
34、远程示教系统(医疗、教育等行业)
35、消防联网报警系统
36、违停违章抓拍、行人闯红灯抓拍、电子警察、红绿灯系统(交警)
37、停车场指引、寻车管理系统(停车场)
38、零售联网管理系统(零售业)
39、廉租房、公租房管理系统(公安、政府)
40、各类型网络交换机(各行业)
41、各类型防爆、防暴、防腐蚀摄像机(油气站、仓库、船舶等特种行业)
42、车载监控定位对讲系统(校车、出租车、公交、环卫车、警车)
43、船载监控定位对讲系统
44、机动非机动车防盗系统(城市级防盗)
45、工业生产检测机器视觉(生产企业)
46、教育录播系统(教育行业)
47、消防灭火、烟雾驱散机器人(消防)
48、智能物流分拣机器人(物流中心)
49、智能家居系统(家庭)
50、新能源电动汽车(小区充电桩)
51、红外热成像监测系统(森林防火、电力、输油输气、周界防范等)
52、动力环境监测系统(机房、变电站、基站等)
53、烟雾火情噪声扬尘监测系统(工地、森林、大楼等)
54、无人侦查、灭火飞机(公安、交警、电力、林业、环保、演唱会)
55、电子车牌(机动车)
56、线材、摄像机支架、电源
57、弱电新人培训计划
58、智能化弱电项目管理表单大全-弱电项目经理必备
59、弱电项目经理必备施工组织设计方案—可作为技术标实施方案使用
60、如何成为一名智能化弱电设计师
61、弱电设计师如何深化设计图纸?你可能需要这套弱电设计图标
62、弱电系统常用Visio图标,可帮助快速设计系统拓扑图
63、弱电项目经理常用表格
64、Pon技术交流
65、弱电系统维保方案以及维保合同范本
66、智能化弱电工程设计图集(上下册)
67、小区高空抛物解决方案
68、
69、校园全光网(POL)技术方案
70、一套完整的智慧农业整体解决方案
71、高速公路综合监控系统技术方案
72、最新版智慧工地解决方案
73、五星酒店弱电智能化设计方案
74、智慧党校智能化设计方案