返回
安防器材
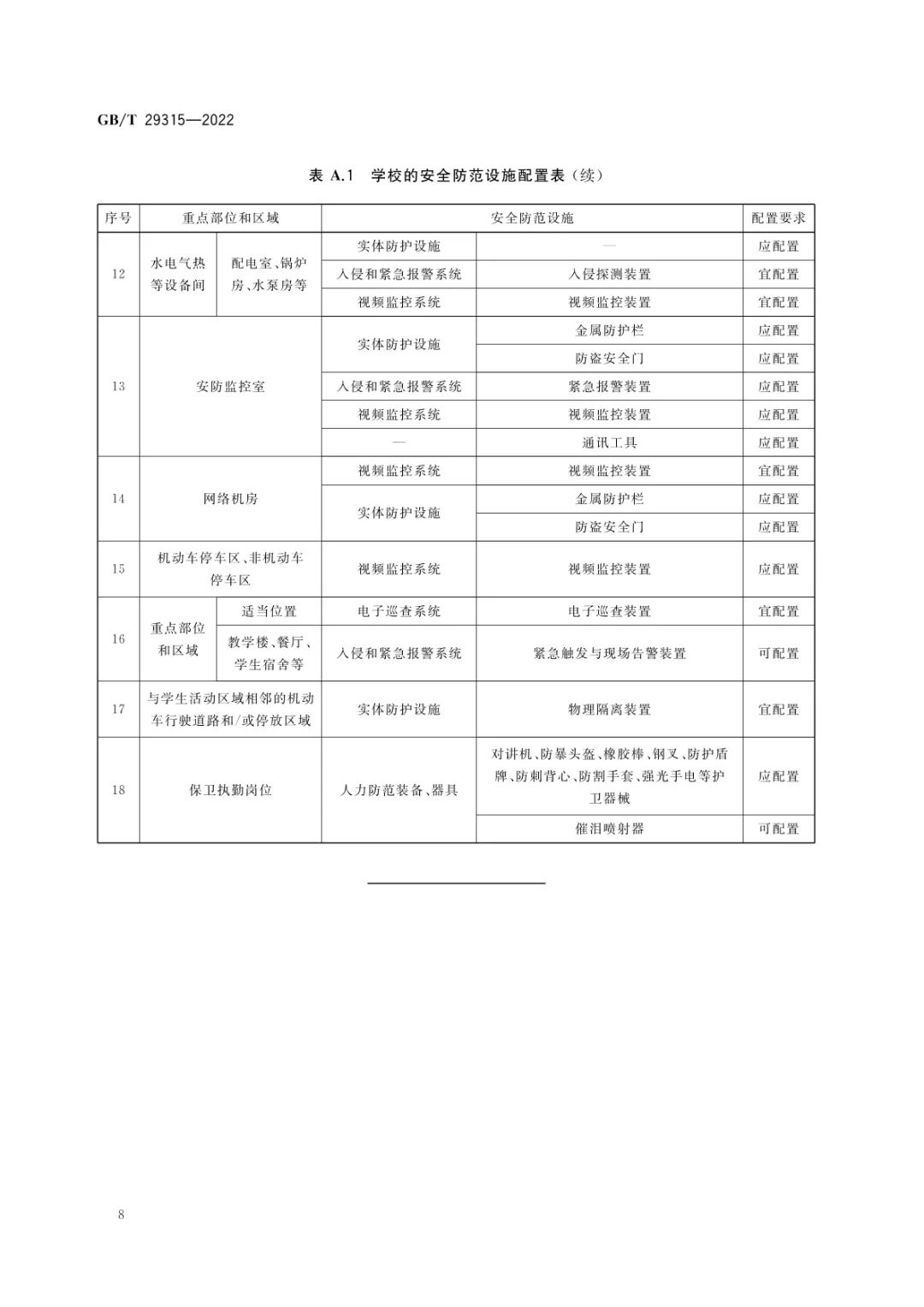
【安防知识】《中小学、幼儿园安全防范要求》国家标准
2023-10-22 16:41
来源:中国保安CSS
打赏
发表评论
0评