
——点击以上文字进入——
▏▎▍▋▊▉
本文仅为定制设计师提供设计参考
名 称:J003-1/J003-2


J003-1与J003-2为上下柜门板拉手,多为两款拉手配合使用,具有整体性, 总长3000mm,可整根订购,也可提供长度加工。
名 称:J007


J007为封边拉手的一种,用于18木质门板上,总长为3000mm,可整根定制可按段加工
名 称:J008


J008为封边拉手的一种,与门板配合使用,适配门板尺寸为18门板, 总长为3000mm,可整根定制可按段加工。
名 称:J009


J009为封边拉手的一种,与门板配合使用,适配门板尺寸为18门板, 总长为3000mm,可整根定制可按段加工。
名 称:J019单边/J019双边


J019(单边)/J019(双边)分别为L型拉手和U型拉手的一种,与柜体配合使用, 单根长度为3000mm,为常规的竖装免拉手的一种。
名 称:J034/J035


J035,J034为常规的柜体免拉手的一种,与柜体配合使用,侧板切豁,3000mm一根现场裁切。
名 称:J036


J036为G型拉手的一种,多用于橱柜吊柜底板免拉手使用, 底板前端回缩20mm,总长为3000mm,可整根定制可按段加工。
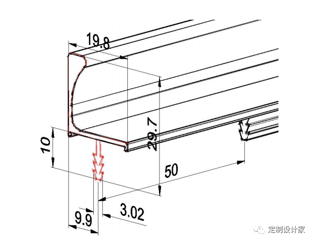
名 称:J065


J065为G型拉手的一种,与门板配合使用,适配门板尺寸为18木质门板,总长为3000mm,可整根定制,可按段加工。
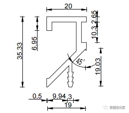
名 称:J066


J066为G型拉手的一种,与门板配合使用,适配门板尺寸为18木质门板,总长为3000mm,可整根定制,可按段加工,门板与J066连接处需裁切为45°斜角。
名 称:J070左/J070右


J070左/右为封边拉手的一种,与门板配合使用,拉手1200mm高,总高2900mm,定尺加工,拉手处有凹槽方便开启。
名 称:J072


J072为隐藏式拉手的一种,与18木质门板配合使用,门板铣槽后把拉手嵌入, 凹槽处粘贴封边,达到拉手门板一体化的视觉效果,总长3000mm,可根据需求裁切。
名 称:J075


J075为隐藏式拉手的一种,与25及以上的木质门板配合使用,门板铣槽后把拉手嵌入,凹槽处粘贴封边,达到拉手门板一体化的视觉效果,总长3000mm, 可根据需求裁切。
名 称:J076-2


J076-2为明装拉手的一种,安装在门板正面,常为与门板等高的形势使用, 总长为2800mm,可根据实际需求裁切。
名 称:J080


J080为封边拉手的一种,安装在门板侧面,需门板开豁(两端不开透或开豁后封边),适配25木质门板,总长为6000mm,可根据实际需求裁切(顶端安拉手除抽屉外,需两侧至少铣掉50mm,侧边安拉手可不铣型,也可根据设计师需求任意铣型)。
名 称:J081


J081封边拉手的一种,安装在门板定边,为J080拉手的变种,可当抽屉拉手,并且芯板为5mm玻璃,需门板开豁夹玻璃,适配25木质门板,总长为6000mm,常规加工工艺:正面拉手不铣型;背面两端保留60mm;玻璃夹槽两端铣掉60mm。(其他工艺需提供图纸下单)
名 称:J082


J082为封边拉手的一种,安装在门顶边位置,需门板开豁,适配18木质门板,总长为3000mm,可根据实际需求裁切。
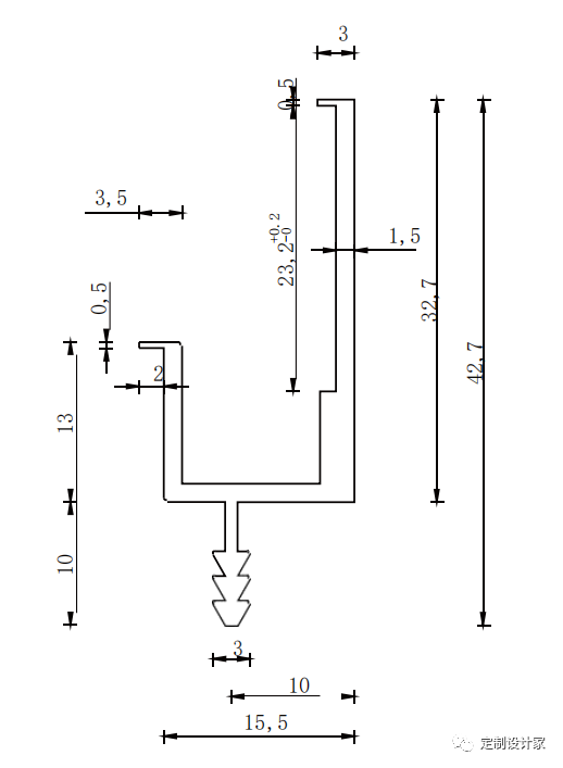
名 称:J085


J085为嵌入式G型拉手的一种,与门板配合使用,适配门板尺寸为18木质门板, 总长为3000mm,可整根定制,可按段加工,使用J085堵头达成嵌入式拉手。
名 称:J086/J087


J086与J087为上下柜门板拉手,多为两款拉手配合使用,整体圆润美观。
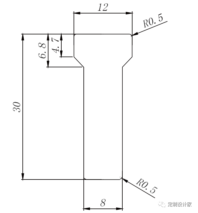
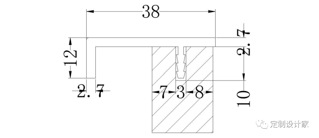
名 称:J088


J088为金属斜坡拉手,坡度为45°,建议中间裁口,裁口深度18mm。
名 称:J090


J090为一种多功能免拉手,整体风格简约高端,可配备DS12-1灯条,一材多用,可替代正常L型、C拉手、并可在转角柜和岛台上使用此产品,同时替代高柜免拉手使用,达到家居产品的统一整体化,满足高端人士对简约而不简单的需求。
名 称:J090阴阳角

喷涂颜色可选PT系列,可与同批J090型材一起喷涂,无色差,每个阴角/阳角配连接件2个,M5*12沉头十字螺丝4个
产品连接方式:

名 称:J091


J091为明装拉手的一种,安装在门板正面,常为与门板等高的形势使用,总长为3000mm,可根据实际需求裁切。
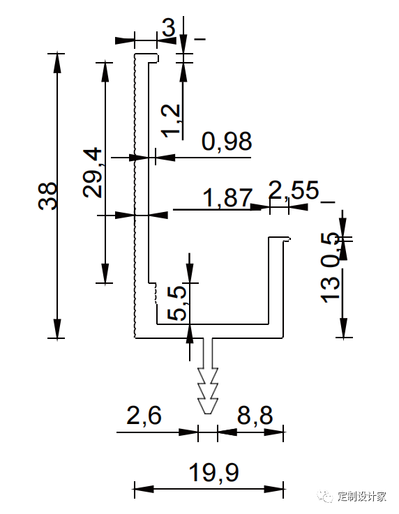
名 称:J092


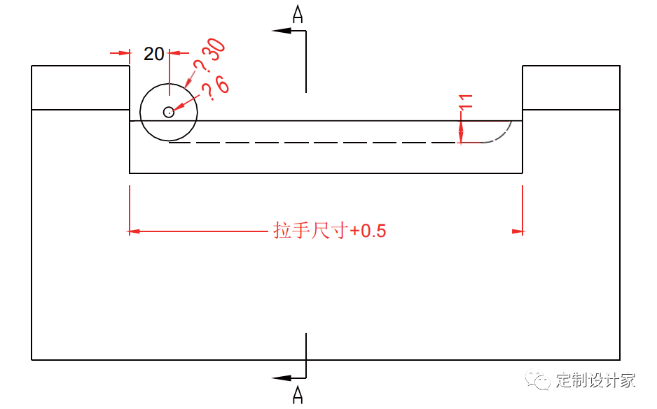
J092为G型拉手的一种,与门板配合使用,造型美观大方,适配门板尺寸为18 门板及25门板,满足大部分家居产业需求,定尺定裁的加工方式避免了端头裸漏铝本色的尴尬,避免了挑剔的高端客户对类似产品的不满,两个方案供客户选择,但加工时需注意方案一和方案二的开孔尺寸。
名 称:J093


J093为封边拉手的一种,与18门板配合使用,使用J093边的拉手需要在板中开豁,拉手15.5mm处可选开拉手槽位置,拉手豁口长120mm,插口两端均铣掉6mm插口:拉手低沿距下100mm、拉手底沿距下1000mm、拉手中心居拉手边中心;同时J093可以配合J093竖边、J093上下横组成铝框拼框门,J093上下横两端前面开1.6*4.6mm豁口,两端铣∮8mm沉孔各两个,距边分别是20mm、50mm,J093竖边需插口两端均铣掉6mm插口使用。
名 称:XM01


XM01为封边拉手的一种,安装在门板侧面,需门板开豁(两端不开透或开豁后封边),适配18木质门板,总长为3000mm,可根据实际需求裁切(顶端安拉手除抽屉外,需两侧至少铣掉50mm,侧边安拉手可不铣型,也可根据设计师需求任意铣型)。
名 称:XM34


XN34为G型拉手的一种,与门板配合使用,适配门板尺寸为18木质门板,总长为3000mm,可整根定制,可按段加工。
名 称:XM35


XM35为封边拉手的一种,安装在门板侧面,无需开豁,适配18木质门板, 总长为3000mm,可根据实际需求裁切(顶端安拉手除抽屉外,需两侧至少铣掉50mm,侧边安拉手可不铣型,也可根据设计师需求任意铣型)。
名 称:XM36


XM36为封边拉手的一种,安装在门板侧面,需门板开豁(两端不开透或开豁后封边),适配18木质门板,总长为2500mm,可根据实际需求裁切(顶端安拉手除抽屉外,需两侧至少铣掉50mm,侧边安拉手可不铣型,也可根据设计师需求任意铣型)。
名 称:XM41捷西拉手(18mm)


名 称:XM41捷西拉手(18mm)


2. 捷西拉手双堵头安装示意图

注意事项:
1、拉手槽一定要考虑油漆厚度,最好能在厂内完成装配,避免现场安装时无法处理。
2、只适合 18mm 板材,其他规格板材此款拉手不适合。
3、横装立装通用,装拉手的门边推荐多减 0.5mm 开门缝避免对开拉手处摩擦。
4、安装时建议端面填充玻璃胶或热熔胶,这样拉手会更加稳定。
5、第一次选配此款拉手需要做完整的小样快,确认安装效果。
名 称:XM41捷西拉手(18mm)
3. 捷西拉手单堵头门板开槽加工图


4. 捷西拉手单堵头安装示意图

注意事项:
1、拉手槽一定要考虑油漆厚度,最好能在厂内完成装配,避免现场安装时无法处理。
2、只适合 18mm 板材,其他规格板材此款拉手不适合。
3、横装立装通用,装拉手的门边推荐多减0.5mm 开
4、门缝避免对开拉手处摩擦。
5、安装时建议端面填充玻璃胶或热熔胶, 这样拉手会更加稳定。
6、第一次选配此款拉手需要做完整的小样快确认安装效果。
名 称:XM41捷西拉手(25mm)




6. 捷西拉手双堵头安装示意图

注意事项:
1、拉手槽一定要考虑油漆厚度,最好能在厂内完成装配,避免现场安装时无法处理。
2、只适合 25mm 板材,其他规格板材此款拉手不适合。
3、横装立装通用,装拉手的门边推荐多减 0.5mm 开门缝避免对开拉手处摩擦。
4、安装时建议端面填充玻璃胶或热熔胶,这样拉手会更加稳定。
5、第一次选配此款拉手需要做完整的小样快,确认安装效果。
名 称:XM41捷西拉手(25mm)
7. 捷西拉手单堵头门板开槽加工图

8. 捷西拉手单堵头安装示意图

注意事项:
1、拉手槽一定要考虑油漆厚度,最好能在厂内完成装配,避免现场安装时无法处理。
2、只适合 25mm 板材,其他规格板材此款拉手不适合。
3、横装立装通用,装拉手的门边推荐多减0.5mm 开门缝避免对开拉手处摩擦。
4、安装时建议端面填充玻璃胶或热熔胶,这样拉手会更加稳定。
5、第一次选配此款拉手需要做完整的样快,确认安装效果。
名 称:塔布拉手

名 称:塔布拉手A左/A右




注意事项:
1、拉手槽一定要考虑油漆厚度,需要在厂内完成装配,避免现场安装时无法处理。第一次选配此款拉手需要做完整的小样快用来确认安装效果。
2、只适合25mm板材,其他规格板材此款拉手不适合。
3、每次开孔需检查拉手尺寸,厂家可能会在生产过程中出现尺寸变更,这些变更不一定会及时通知到生产终端。
4、拉手尺寸定制,需根据拉手实物对开槽数据进行调整,切记不可在没见到拉手实物前加工门板。
5、打孔设备建议4轴以上的加工中心。使用锯片铣刀开槽,槽内需打满双组份树脂类胶粘剂填充。
6、加工时注意加工余量,过小的余量不利于安装。
7、拉手推荐平装,推荐用于地柜对开门。吊柜及对开门安装需要先打小样确认效果。
8、订购时参照左右识别图订购,不要定错方向。
名 称:塔布拉手B





注意事项:
1、拉手槽一定要考虑油漆厚度,需要在厂内完成装配,避免现场安装时无法处理。第一次选配此款拉手需要做完整的小样快用来确认安装效果。
2、只适合25mm板材,其他规格板材此款拉手不适合。
3、每次开孔需检查拉手尺寸,厂家可能会在生产过程中出现尺寸变更,这些变更不一定会及时通知到生产终端。
4、拉手尺寸定制,需根据拉手实物对开槽数据进行调整,切记不可在没见到拉手实物前加工门板。
5、打孔设备建议4轴以上的加工中心。使用锯片铣刀开槽,槽内需打满双组份树脂类胶粘剂填充。
6、加工时注意加工余量,过小的余量不利于安装。
7、拉手平装立装通用此标准加工,立装需要区分上下面,避免拉手无法对准。
名 称:DZ-04

产 品 介 绍 :

DZ-04为明装拉手的一种,安装在门板正面,常为与门板等高的形势使用, 总长为2800mm,可根据实际需求裁切。
. END .
