船舶讲武堂电机员专辑已上架(含电喷主机107篇,电气自动化资料602篇,电喷主机相关培训资料,97个基础电路讲解,35个船舶设备电路图分析讲解,麦基嘉克令吊电气原理图精解,326个相关视频文件,需要的点击下方小程序进店购买。
1.速度继电器原理示意图

2.异步电动机转动原理图

3.星三角启动原理示意图

4.热继电器工作原理示意图

5.交流接触器结构原理图

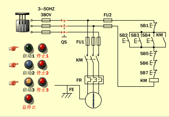
6.多点控制启动停止示意图

7.断电延时型时间继电器原理图

8.按钮开关结构示意图

9.电气正反转控制和PLC正反转控制示意图

10.电气顺序控制和PLC顺序控制原理图

11.二位四通电磁阀动态图

12.三位四通电磁阀

13.二位三通电磁阀

14.二位二通电磁阀

15.直流电机原理图

16.交流电机原理图

17.永磁电机原理图

18.量子磁电机原理图

19.单相感应电机原理图

20.三相感应电机原理图

21.无刷直流电机原理图

22.永磁直流电机原理图

23.步进电机工作原理图

25.平衡式电机工作原理图

PS异步电动机转动的原理,摇动磁极,将引起鼠笼式转子跟着磁场一起旋转,且方向相同。----这个磁场如同社会,人们如同磁场中的转子,快速摇动磁极,转子就应该跟着磁极快速转动,因为转子深处磁场中,被磁场力带着旋转。
来源:电工电气学习
