4、防爆门铃、按钮及线管的预埋安装
在战时人员主要出入口的第一道防护密闭门外侧应设置防爆门铃按钮,门铃设在防护区内。
由水电专业施工单位在它们之间预埋DN15带密闭肋的镀锌钢管作为穿线管,并在门外墙上预留一个120×120×90mm的盒子,待地下室装修时我们再将防爆门铃、防爆按钮安装上去。
考虑到电源的可靠性,门铃电源采用直流电源更为可靠。安装尺寸位置示意图如下:


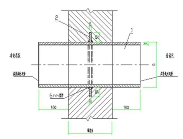
5、战时通风系统的穿墙套管的预埋
战时通风系统的穿墙套管的预埋,待墙体钢筋绑好后,将穿墙套管按图示位置标高安装上去,套管应加5cm高的密闭翼环,两面满焊,套管两端需露出墙面100mm。套管四周应用钢筋加强。
6、战时封堵预埋件的安装
战时封堵四周都要预埋钢板或角钢框,底部应平该处建筑标高,两侧和顶部预埋钢板均贴模板内侧安装。临战时再将封堵板焊上去。
7、战时通风设备的安装
通风系统包括各防护单元内战时清洁式通风、滤毒式通风、隔绝式通风系统。
战时通风设备的安装应在地下室地面完成后开始进场安装。
设置在滤毒区的进、排风管均为圆形风管,并采用3毫米厚的钢板制作,风管应有0.005的坡度坡向室外。
穿过防护密闭墙或密闭墙的管道(含风管、超压排气活门穿墙管、测压装置穿墙管等)应在穿墙管段上焊接防毒密闭盘,做法见下图:

滤毒通风时,防护单元的室内需保持30~50Pa的超压,以防外界污染物进入,并实现超压排气。
为此,战时在防化通信值班室内设置一套测压装置,测压装置做法见下图:

预埋管件应随土建施工时一起捣浇在墙内。预埋管件直径应与所连接的管道,密闭阀门, 超压自动排气活门的接管内径一致。
测压管选用DN15镀锌钢管制作。滤尘室内进入风机的总进风管上和过滤吸收器的总出风口处设置DN15(热镀锌钢管)的尾气检测取样管,该管末端设截止阀。
在滤尘器进风管道上,设置DN32(热镀锌钢管)的空气放射性取样管,取样管末端设置球阀。
在油网滤尘器的前后设置管径DN15(热镀锌钢管)的压差测量管,末端设球阀。
人防设备:风机、换气堵头、测压装置、气密测量装置、增压管、尾气检测取样管、放射性检测取样管、过滤吸收器、除尘器等设备安装做法见国家标准图集《防空地下室通风设备安装》07FK01~02。
8、给水管道防护阀门安装
当给水管道从出入口引入时,应在防护密闭门的内侧设置;
当从防空地下室围护结构引入时,应在防空地下室围护结构的内侧设置;
穿越防护单元之间的防护密闭隔墙时,应在防护密闭隔墙两侧的管道上设置。
防护阀门的公称压力不应小于1.0MPa;
防护阀门应采用阀芯为不锈钢或铜材质的闸阀或截止阀;
防空地下室围护结构内侧距离阀门的近端面不宜大于200mm。阀门应有明显的启闭标志。

