电工电路包含电力的传输、变换和分配电路以及电气设备的供电和控制电路,这种电路是将线路的连接分配以及电路器件的连接和控制关系,用文字符号、图形符号、电路标记等表示出来。线路图及电路图是电气系统中的各种电气设备与装置及元器件的名称、关系和状态的工程语言,它是描述一个电气系统的功能和基本构成的技术文件,是用于指导各种电工电路的安装、调试、维修必不可少的技术资料。如下图所示为一个典型的电工电路。

文字符号是电工中常用的一种字符代码,主要包括字母和数字,一般标注在电路中的电气设备、装置和元器件图形符号的近旁,以表示其名称、功能、状态或特征。
电路标记则是构成电路的线、圆点、虚线等。不同的图形符号之间由线进行连接,用以表示这些图形符号所代表物理部件之间的连接关系;圆点和虚线等标记则用于辅助电路的连接线表示确切的连接关系或范围等。
图形符号主要是指代表电子元器件、功能部件等物理部件的图形符号,它是由物理部件对应的图样或简图进行体现的。
二、如何读懂这些元素组成
读懂电工电路首先应建立图形符号与电气设备或部件的对应关系以及文字标识的含义,才能了解电路所表达的功能、连接关系以及工作流程。
文字符号是电工电路中常用的一种字符代码,一般标注在电路中的电气设备、装置和元器件的近旁,以标识其名称、功能、状态或特征。在电工电路中常见的文字符号一般可分为基本文字符号、辅助文字符号、 字母+数字代码组合符号和专用文字符号。文字符号可以用单一的字母代码或数字代码来表示,也可以用字母与数字组合的方式来表示。
1、电工电路中的基本文字标识
基本文字符号用以标识电气设备、装置、元器件以及线路的种类名称和特性,如图所示为典型电工电路中的基本文字符号和电工线路中的基本文字符号。

通常基本文字符号一般分为单字母符号和双字母符号。其中,单字母符号是按拉丁字母将各种电气设备、装置、元件划分为23个大类,每大类用一个大写字母表示。如“R"表示电阻器类,"S”表示开关选择器类,在电气电路中,单字母优先选用。
双字母符号由一个表示种类的单字母符号与另一个字母组成。通常以单字母符号在前,另一个字母在后的组合形式表示。如"F”表示保护器件类,“FU”表示熔断器;“G”表示电源类,“GB”表示蓄电池(“B”为蓄电池的英文名称battery的首字母);“T”表示变压器类,“TA”表示电流互感器("A”为电流表的英文名称ammter 的首字母)。
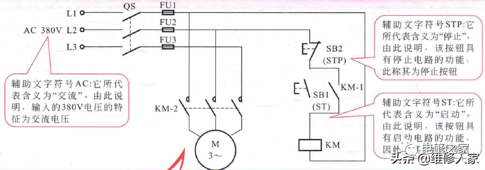
2、电工电路中的辅助文字标识
在电工电路中电气设备、装置和元件的种类名称用基本文字符号表示,而它们的功能、状态和特征则用辅助文字符号表示。

辅助文字符号通常用表示功能、状态和特征的英文单词的前一、二位字母构成,也可采用常用缩略语或约定俗成的习惯用法构成,一般不能超过三位字母。如“IN”表示输入,“ON”表示闭合,“STE”表示步进,表示“启动”采用“START”的前两位字母“ST”,而表示“停止(STOP)”的辅助文字符号必须再加一个字母,为 “STP" 。
辅助文字符号也可放在表示种类的单字母符号后边组合成双字母符号,此时辅助文字符号一般采用表示功能、状态和特征的英文单词的第一个字母。如“ST”表示启动,“YB”表示电磁制动器等。
某些辅助文字符号本身具有独立的、确切的意义,也可以单独使用。如表示交流电源的中性线, “DC”表示直流电,“AC”表示交流电,“PE”表示保护接地等。

3、电工电路中的组合文字标识
字母+数字代码是目前最常采用的一种文字符号,其中,字母表示各种电气设备、装置和元器件的种类或功能(基本文字符号),数字表示其对应的编号(序号)。
如下图所示为典型电工电路中由字母+数字代码构成的文字符号标识;

将数字代码与字母符号组合起来使用,可说明同一类电气设备、元件的不同编号。如电工电路中有三个相同类型的继电器,则其文字符号分别标识为“KA1、KA2、KA3”,反过来说,电气电路中,相同字母标识的器件为同一类器件,字母后面的数字最大值表示该线路中该器件的总个数。
例如图中以字母FU作为文字标识的器件有三个“FU1、FU2、FU3”,分别表示该线路中的第1个熔断器、第2个熔断器、第3个熔断器,且该线路中有三个熔断器;又如,图中KM-1、KM-2中的基本文字符号均为KM,说明这两个器件与KM属于同一个器件,它们是KM中所包含的两个部分,即接触器KM中的两个触点。
在电工电路图中,有些时候为了清楚地表示接线端子和特定导线的类型、颜色或用途,通常也专用文字符号表示。
① 具有特殊用途的接线端子、导线的专用文字符号。
在电工电路图中,一些具有特殊用途的接线端子、导线等通常釆用一些专用的文字符号进行标识。
② 表示颜色的文字符号。
由于大多数电工电路图等技术资料为黑白颜色,很多导线的颜色无法进行区 分,因此在电工电路图上通常用字母代号表示导线的颜色,用于区分导线的功能。
除了上述几种基本的文字符号外,为了实现与国际接轨,近几年生产的大多数电气仪表中也都采用了大 量的英文语句或单词,甚至是缩写等作为文字符号来表示仪表的类型、功能、量程和性能等。
4、电工电路中的图形符号
看到一张电工电路图时,其所包含的不同元器件、装置、线路以及安装连接等,并不是这些物理部件的实际外形,而是由每种物理部件对应的图样或简图进行体现的,通常把这种“图样”和“简图”称为图形符号。
图形符号是构成电工电路图的基本单元,就好比一篇文章中的“词汇”。因此在学习识读电路图前,首先要正确地了解、熟悉和识别这些符号的形式、内容、含义以及它们之间的相互关系。
常见的电工电路图中的图形符号通常是一种组合形式,一般是由限定符号与基本图形符号组合,或符号要素与基本图形符号、两个或两个以上的基本图形符号组合而成的。


限定符号是一种加在其他图形符号上的符号,用来提供附加的信息,一般不能单独使用,必须与其他符号组合使用,构成完整的图形符号。这样,同一个基本图形符号与不同限定符号组合可构成标识不同含义的器件。如图所示,在电阻器的基本图形符号上,分别加上不同的限定符号,则可以得到可变电阻器、热敏电阻器、光敏电阻器等多种图形符号。电工电路中常见的几 种限定符号如表所列;

符号要素是指一种具有确定意义的简单图形,通常表示元件的轮廓或外壳,符号要素必须同其他图形符号组合使用。电工电路中常见的符号要素如下表所列;


如下图所示为电工电路中常用的常开按钮和时间继电器的图形符号,这两种图形符号都是由基本的图形符号组合而成的。基本图形符号是指用于表示该类产品或其特征的简单符号,一般可直接作为图形符号使用, 也可与限定符号组合使用。电工电路中常见的基本图形符号如下表所列;


此外,还有些图形符号则是由符号要素+基本图形符号+限定符号构成的,因此只要掌握基本的符号要素、一般符号和限定符号的相关含义或功能,基本上便掌握了图形符号的基本含义。

