1、引言
焦化企业是以配合煤为原料,经过焦炉隔绝空气进行加热,生产焦炭、煤焦油、粗苯为主的煤化工企业。在生产焦炭的过程中,焦炉炭化室顶部收集的煤气在降温净化过程中,得到煤焦油、粗苯等化工产品。但是此过程中煤气降温净化设备、储槽、水封等也会逸散大量的VOCs有机废气;油库区主要是煤焦油、粗苯、洗油以及酸碱存贮的场所,在煤焦油储罐加热脱水、油罐进出物料以及油料装卸车过程中,也会逸散部分VOCs有机废气。上述有机废气以氨、H2S、萘等有机物为主,是形成雾霾的前驱物质,必须加以净化处理后才能达标排放。另外焦化废水生化处理过程中,无论是好氧池、厌氧池,还是均和池、调节池,都会产生大量的废气,该部分废气夹杂焦化污水含有的酚氰类有机物以及用于生化的微生物散发出的恶臭,如果直接排放至大气中,浓度集聚后容易引发人头痛、恶心症状的发生,是环保需要治理的有机VOCs废气之一。2、化产VOCs废气收集
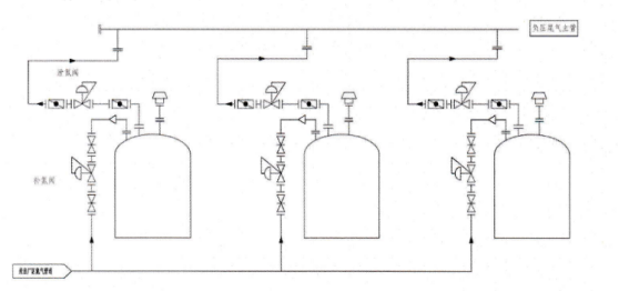
焦化企业化产VOCs主要治理的逸散区域包括冷鼓、脱硫、硫铵、粗苯以及油库区。各区域的逸散点VOCs有机废气的集中收集,是化产系统VOCs治理的基础和前提。根据后续VOCs有机废气的治理工艺和去向不同,收集点分为如下几种方式:一是常规VOCs有机废气收集点:
将需要收集的储槽、设备原有放散口在确保有效通气后从原来放散管法兰处取下放散管,将新要接入的VOCs收集管线提前预制三通接入法兰处。预制三通要保证配备紧急放散管以及蒸气吹扫管,还必须设置吹扫切断阀门,方便VOCs治理系统开车后日常操作运行。二是低氧高浓度有机废气收集点:

低氧高浓度有机废气收集考虑密闭储槽的稳压以及氧含量不至于增加,因而在储槽顶尾气出口管设调节阀,与槽内压力联锁,以维持槽内处于稳定的微负压状态。槽顶另外单独设置补气阀、呼出阀、安全水封和压力远传检测。压力远传检测实时采集槽内压力信号,并与其它阀联锁:当槽内压力低于设定压力下限时,联锁打开补气阀,向槽内自动补偿氮气;当槽内压力高于设定上限时,呼出阀自动开启卸压;安全水封既能实现安全保护作用,同时还能满足现场液位检测的需要。三是脱硫工段再生塔上部放散气收集:
脱硫工段再生塔或者喷射氧化再生槽顶部放散气主要是辅助脱硫富液再生的氧化空气以及夹杂裹挟的氨气、H2S气体,属于高氧低浓度的VOCs有机废气,按照有机废气处理分类,应该划归至焚烧处理。由于该部分气量比较大,并且排出的速率会影响富液的再生效果;如果后续VOCs治理系统出现故障,严重时将影响富液再生系统的运行安全,因而必须增设单独的收集系统,确保排放气体及时收集并且不影响富液再生系统的安全运行为目的。康源环保拥有专利技术的钟罩式收集装置既解决脱硫再生装置排出的废气,又能确保富液再生系统的安全运行,更为关键的是该装置完美解决了富液再生装置放散气处不允许动火的施工难题,为焦化企业脱硫工段VOCs有机废气的治理提供了一条快捷、安全的施工思路。部分焦化企业由于煤气初冷效果下降,煤气经过鼓风机后温升严重,加之脱硫之前没有煤气中冷装置,抑或中冷装置没有起到煤气降温的效果,导致入脱硫塔的煤气温度较高,从而造成煤气中的粗苯、氨在脱硫塔大量逸出。逸出的氨气以及粗苯随脱硫液进入富液再生系统,在脱硫富液再生系统中被大量的氧化空气带出,进入脱硫系统放散气中,一方面降低了后续粗苯工段的收率,影响了煤气脱硫效果,另一方面增加了富液再生系统放散气VOCs浓度,给后续VOCs治理安全运行带来极大的影响。煤气脱硫工段脱硫液腐蚀严重,脱硫塔水封、煤气水封由于腐蚀造成的煤气泄露以及富液再生时混入的煤气进入VOCs治理废气中后,会造成进入焚烧系统的VOCs有机废气可燃成分急剧上升,洗涤装置如果没能很好的洗涤净化,达到爆炸极限的VOCs有机废气极易引发燃爆,给后续VOCs焚烧设备带来极大的安全隐患。下图是某焦化企业在VOCs调试过程中,由于将脱硫工段废气并入VOCs治理系统后引发活性炭过滤箱燃爆的图片,这就给焦化企业VOCs治理提了一个醒,安全运行时刻不能放松。3、化产VOCs治理工艺
焦化企业VOCs治理除低氧高浓度废气进入煤气负压管线外,高氧低浓度废气一方面可以进焦炉,替代部分空气回炉进行助燃,还可以考虑设置RTO焚烧炉将净化洗涤后的VOCs有机废气进行焚烧,无论采取那一种焚烧工艺,都是将VOCs有机废气进行焚烧,生成二氧化碳和水,从而彻底将VOCs有机废气完全处理,达到环保要求的治理标准。但是VOCs有机废气进焦炉助燃进行焚烧,焚烧后的烟气随焦炉烟气一同进入焦炉烟气脱硫脱硝除尘治理系统进行净化后超净排放,避免了由于高温焚烧形成的热力型NOx超标,如果VOCs有机废气中的H2S含量高时,焚烧后烟气中SO2也存在超标的可能。如果VOCs有机废气采用RTO炉进行焚烧,烟气中的SO2以及NOx的浓度不得不进行考虑。如果不能通过进RTO炉前洗涤净化以及控制RTO炉的焚烧温度来保证二者的排放时,还得考虑RTO炉焚烧后的烟气治理问题。无论是接入焦炉烟气的脱硫脱硝除尘治理系统还是单独新上脱硫脱硝系统,都将增加环保设备投入,加大设备占地,增加环保运行费用。单就增加RTO焚烧炉来说,已经比进焦炉助燃焚烧增加了设备投资了,后续烟气治理再增加投资的话,就辜负了焦炉本身就是一座焚烧炉的原始意愿了。对于VOCs有机废气的治理,焦炉本身就是一座现成的高温焚烧设备,因而不建议化产VOCs有机废气再上RTO炉进行焚烧,除非是焦炉地下室由于改高炉煤气回炉或者其他改造造成地下室空间局促,不能实施废气循环管线的布置了,另外部分焦化企业由于属地的管理问题,造成化产VOCs有机废气不能进焦炉进行焚烧,除非得已,不建议、不提倡化产VOCs有机废气新建RTO炉进行焚烧。化产VOCs有机废气进焦炉助燃进行焚烧,带给焦炉的是原有废气循环量减少,适配VOCs有机废气。如果VOCs有机废气治理系统出现故障或者VOCs有机废气量突然减少或者增加后,会对焦炉的加热系统带来极大的影响,这也许就是焦炉工段不希望化产VOCs有机废气进焦炉的主要原因。康源环保针对化产VOCs治理的上述特点,在设计VOCs有机废气进焦炉时设置了配风调节阀,从而解决了上述问题,既能保证焦炉正常燃烧加热,还能保证VOCs有机废气完全进焦炉焚烧提供了可能!4、配风阀的工艺调节作用
确保VOCs有机废气平稳进焦炉进行助燃焚烧,又能最大限度降低VOCs有机废气进焦炉对焦炉加热制度的影响,康源环保设计的配风调节阀工艺如下:
当VOCs有机废气治理系统出现故障或者VOCs有机废气量突变时,配风阀会根据进入焦炉焚烧的废气量及时进行调整,增大新鲜风的配入量;当VOCs有机废气正常后,配风阀自动调整至最小,从而确保新鲜风配入量最小,保证循环风量最大。配风调节阀引入VOCs治理系统后,完美解决了VOCs有机废气进焦炉与焦炉加热制度相抵触的矛盾,为焦化企业VOCs治理开辟、提供了更为可行的道路。5、污水VOCs治理工艺
焦化企业污水生化处理过程中由于需要曝气和微生物作用,在一定程度上加快了废水中的易挥发组分逸散至大气环境中。受微生物分解以及废水中污染物间相互反应的影响,在废水处理过程中逸散出的气体中共检出13大类300余种有机物,主要为酚类、多环芳烃、含氮杂环、酯类、烷烃和含卤有机物等,其中以苯、甲苯、二甲苯为主的苯系物占比最高(69% - 89%),卤代烃以三氯甲烷为主,氯苯类以氯苯为主。焦化废水生化处理中各单元VOCs恶臭的产生原因如下:5.1均和池:如果进水中含有恶臭物质或者BOD较高,则在预处理过程中会散发出恶臭气体。废水中高含量的有机负荷往往造成水处理产生亏氧,在厌氧菌作用下会产生大量还原性恶臭物质,水中的恶臭气体就会挥发出来逸散到大气中。5.2混凝沉淀池:混凝沉淀池中由于在中间进水时会有湍动而使恶臭气体挥发出来,同时在出水时多采用溢流方式,也会使恶臭气体散发出来。5.3生化处理装置(缺氧、好氧池):污水处理中一般采用好氧处理,恶臭气体的散发也许并不占太大的比例,但在曝气不足或停留时间不够的情况下发生厌氧过程而使其散发的恶臭气体量大大增加。当然,若在污水处理中采用厌氧处理过程,则恶臭气体的发生是不可避免的。5.4污泥浓缩与脱水装置:用压缩、过滤和离心分离等过程来进行污泥浓缩和脱水都会因湍动而引起恶臭气体的排放。5.5污泥回流装置:在污泥回流到预处理或生化处理装置时,由于PH的变化和湍动将会引起恶臭气体的排放。5.6污泥处理装置:在污泥处理过程中会由于污泥的厌氧发酵而产生H2S、有机硫和氨等恶臭气体,而在该处理过程中多用间歇操作,在处理装置处于开放时将会散发出恶臭气体。焦化企业在污水生化处理过程中产生恶臭VOCs气味的物质主要由碳、氮和硫元素组成有机物,恶臭VOCs气体具有如下显著特点:污染物成分复杂:主要包括H2S(臭鸡蛋味)、氨(氨味)、甲硫醇(烂洋葱味)、胺类(鱼腥味)、二胺(腐肉味)、粪臭素(粪便味)等,另外还含有少量的硫醚类、酞胺类、芳香烃、醇、醛、酮、酚及有机酸等物质。产生量变化大:即使在同一污水处理厂中各单元产生的臭气也随水量、水质、气候条件、操作参数等因素的变化而变化。焦化企业污水VOCs处理工艺:污水池废气经密封收集后,在引风机的抽吸作用下进入碱洗塔,废气中的氨、H2S等成分由碱液吸收,在碱洗塔顶部经除雾后排出进入生物除臭塔水洗段,废气中的水溶性组分如氨等由水吸收,在水洗段顶部排出,经风道由气体分布器均布后进入生物段,废气中的有机组分及微量的H2S、SO2、氨等组分吸附在生物填料层中,微生物附着在生物填料中,废气经微生物自身繁殖将废气中的危害组分分解为CO2、H2O等实现臭气的净化。基本合格的废气再进入活性炭吸附装置,吸附截留掉生物菌未能降解和吸收的废气后经排气筒达标排放。也有部分焦化企业将经过生物除臭的污水VOCs废气接入焦炉废气循环,随化产VOCs废气一块进焦炉助燃焚烧。焦化企业无论是化产VOCs有机废气,还是污水生化处理产生的VOCs恶臭气体,逸散到大气中后都会对人身或者自然环境造成极大的危害,因而,参照环保排放要求限值,均需要进行合理的处置。污水生化处理产生的恶臭气体,通过微生物分解要么达标排放,要么与化产VOCs有机废气一并进入焦炉进行焚烧。配风调节阀的合理设置解决焦炉加热条件与VOC有机废气量变的矛盾,为焦化企业VOCs治理提供了一条全新思路。在具备条件的情况下,尽量采用进焦炉焚烧工艺,如果采用VOCs 有机废气RTO焚烧工艺,也是目前市场主推的环保治理工艺。
免责声明★电动盘车装置(压缩机、鼓风机、烧结风机、水泵等)
★焦油水分会下降,喹啉不溶物也会相对减少;焦油水分下降达60%
★工业循环水提高浓缩倍数,电除垢节水技术
★脱硫废液资源化制硫酸,无稀酸排放技术
★焦炭改质剂:提高热强度5-8个,降低配煤成本30-50元/吨焦
★焦化VOCs、甲醇VOCs分级治理、零排放技术
★“焦化水医院”被河北省工信厅认定“工业诊所”
★焦炉烟气“尘、硝、硫”协同一体化治理技术