工艺玩具
图解 | 涤纶与粘胶的生产工艺流程
2023-08-26 10:34

涤纶与粘胶的典型生产工艺流程整理如下:


涤纶生产工艺流程
1、涤纶总体生产工艺流程


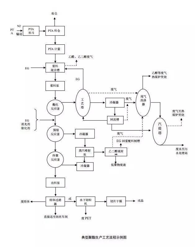
2、典型聚酯生产工艺流程



3、典型涤纶短纤生产工艺流程


4、典型涤纶长丝生产工艺流程




粘胶生产工艺流程

1、粘胶长丝生产工艺流程



2、粘胶短纤生产工艺流程



发表评论
0评