如何科学评估风电场的可行性,这份报告将为我们揭示哪些关键信息?
《风储一体化一期风电场平价上网项目工程可行性研究报告》由长江勘测规划设计研究有限责任公司编制,为该风电场项目提供了全面的分析与规划。
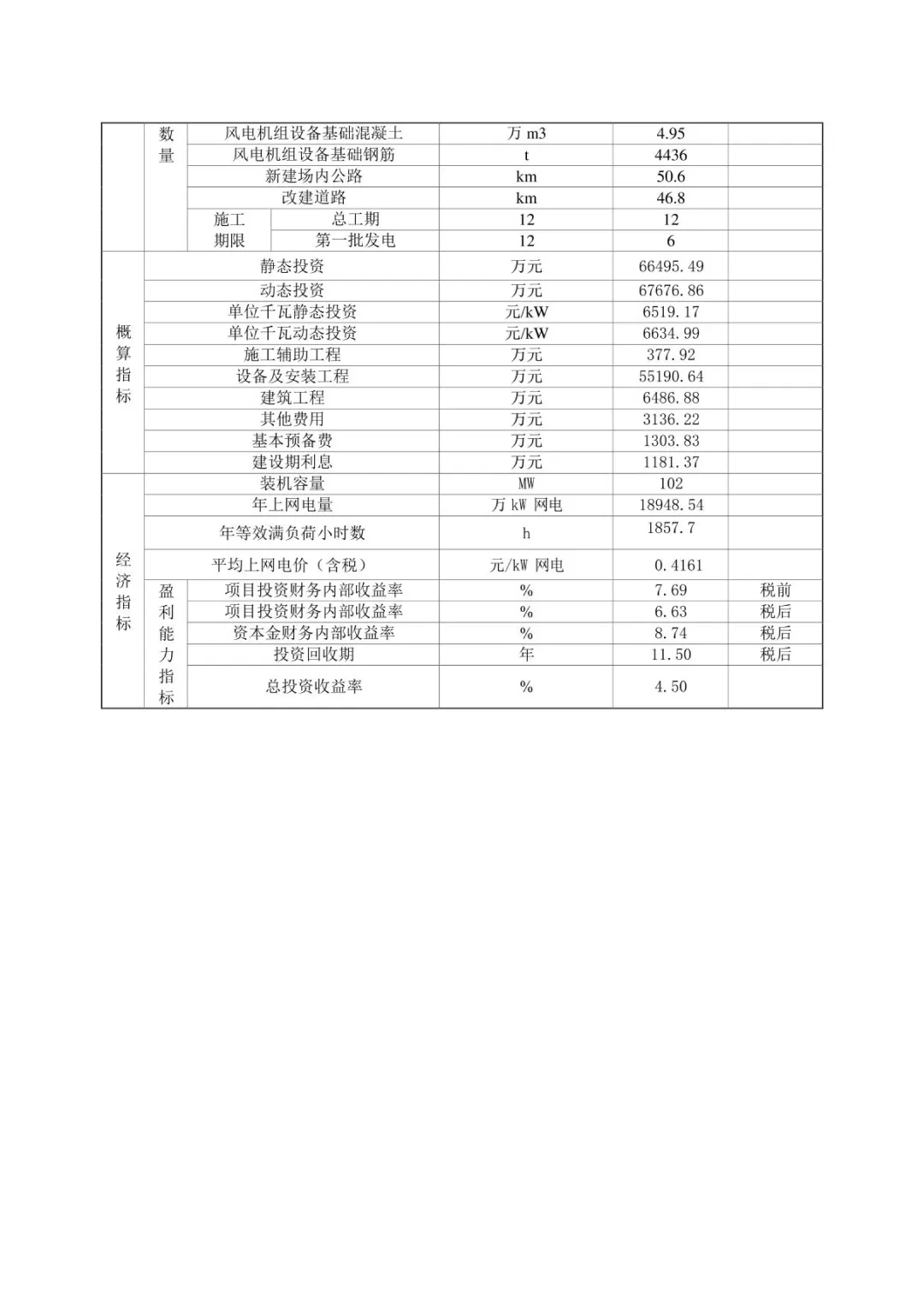
报告显示,该项目拟安装34台单机容量3.0MW的风电机组,装机规模达100MW,场址位于湖北省襄阳市黄集镇,平均海拔约100m~140m,这里独特的地理位置和地形地貌使区域风速较大,具备开发价值。
点此下载完整版报告
风电场的风能资源是项目开发的核心基础。根据代表测风点数据,场址140m高度年平均风速为5.23m/s,年平均风功率密度为148.72W/m²,风速频率分布较好,有效风速利用小时数较高,盛行风向稳定,风能分布集中。同时,项目设置总容量为20MW*1H的集中式锂电池储能系统,以提高发电系统的可靠性,这一设计充分考虑了风电场运行的稳定性需求。
从工程建设与经济效益来看,项目静态投资66495.49万元,动态投资67676.86万元,单位千瓦静态投资6519.17元/kW,动态投资6634.99元/kW。经计算,年上网电量为18948.54万kW·h,年等效满负荷小时数1857.7h,项目投资财务内部收益率税后为6.63%,投资回收期11.50年(税后),财务评价可行。
风电场的建设不仅具有经济效益,还能带来显著的社会效益和环境效益。风电是一种清洁能源,开发利用风能资源是调整能源结构,实施能源可持续发展的有效途径,项目建成后每年可节约标准煤约6.7万t,减少烟尘排放量约688.7t,SO₂排放量约1650.9t,NOx排放量约1418.6t,CO₂排放量约16.47万t,节约用水约85.07万t。同时,工程建设符合国家能源战略,可改善电网电源结构,促进当地经济发展,增加就业机会,具有良好的综合效益。

















点此下载完整版报告

