工艺尺寸是根据加工条件,在工艺规程中给出的尺寸,是为了保证零件图纸的尺寸而设计的。如果工艺尺寸设计不合理,会直接导致零件加工不合格,因此对于复杂的轴类及箱体类零件、易变性零件等而言,保证工艺尺寸尤为重要。

尺寸链计算与公差分析的目的:
获得合理的工序公差,保证产品加工质量; 检查工艺漏洞,提前优化,避免试生产造成的资源及时间浪费; 优化零件加工工艺路线,避免累计误差; 减少装配现场的修锉调整; 降低产品的返修率,帮助企业节约成本。
1
尺寸链的定义

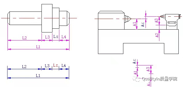
如下图所示,L1、L2、L3、L4、L£等尺寸相连,形成了一条尺寸链环。

1)环
列入尺寸链的每一个尺寸(下图中A0-A3)

2)封闭环
尺寸链中在装配过程或加工过程最后形成的一环。(图中A0)
由于封闭环是最后形成的,因此在加工或装配完成前,它是不存在的。
封闭环的尺寸自己不能保证,是靠其它相关尺寸来保证的。
3)组成环
尺寸链中对封闭环有影响的全部环。这一环中任一环的变动必然引起封闭环的变动。(图中A1-A3)
4)增环
尺寸链中的组成环,由于该环的变动引起封闭环同向变动,同向变动指该环增大时封闭环也增大,该环减小时封闭环也减小。(A1/A3)
5)减环
尺寸链中的组成环,由于该环的变动引起封闭环反向变动,反向变动指该环增大时封闭环减小,该环减小时封闭环增大。(A2)
2
尺寸链的分类
1、按尺寸链性质来分
工艺尺寸链:全部组成环为同一零件工艺尺寸所形成的尺寸链。工艺尺寸包含过程工艺尺寸,定位尺寸与基准尺寸等。

零件尺寸链:全部组成环为同一零件设计尺寸所形成的尺寸链。

装配尺寸链:全部组成环为不同零件设计尺寸所形成的尺寸链。包含零件尺寸、间隙、形位公差等。

其中,装配尺寸链与零件尺寸链统称为设计尺寸链。
2、按照各构成尺寸所处的空间位置分
直线尺寸链:尺寸链全部尺寸位于两根或几根平行直线上,称为线性尺寸链。

平面尺寸链:尺寸链全部尺寸位于一个或几个平行平面内。

空间尺寸链:尺寸链全部尺寸位于几个不平行的平面内。

3、按照构成尺寸链各环的几何特征分:
长度尺寸链:所有构成尺寸的环,均为直线长度量。
角度尺寸链:构成尺寸链的各环为角度量,或平行度、垂直度等。

4、尺寸链的标法
如果尺寸链是水平的,那么从左至右标出功能条件矢量;如果尺寸链是从垂直的,从下至上标出功能条件矢量。
从功能条件的起点开始画,画出连续的参与影响的尺寸矢量。

尺寸链中的非尺寸矢量:这个不是一个尺寸,而仅仅是一个公差带。没有硬性标准规定,但为了方便,非几何尺寸矢量通过尺寸链最后的最后一个链环表示出来。(例如工艺过程变形,焊接变形等)。
3
工艺尺寸链的定义和换算
2、尺寸链的分析与计算(换算形式)
原始基准与设计基准不重合

设计基准与测量基准不重合时的尺寸换算

多尺寸保证


声明:本文章均来源于网络转载,版权属原作者所有。如涉及到版权问题,请及时和我们联系,我们会立即删除,保护您的权益。